GM Service Manual Online
For 1990-2009 cars only
Makes
🢒
Chevrolet
🢒
2006
🢒
Express
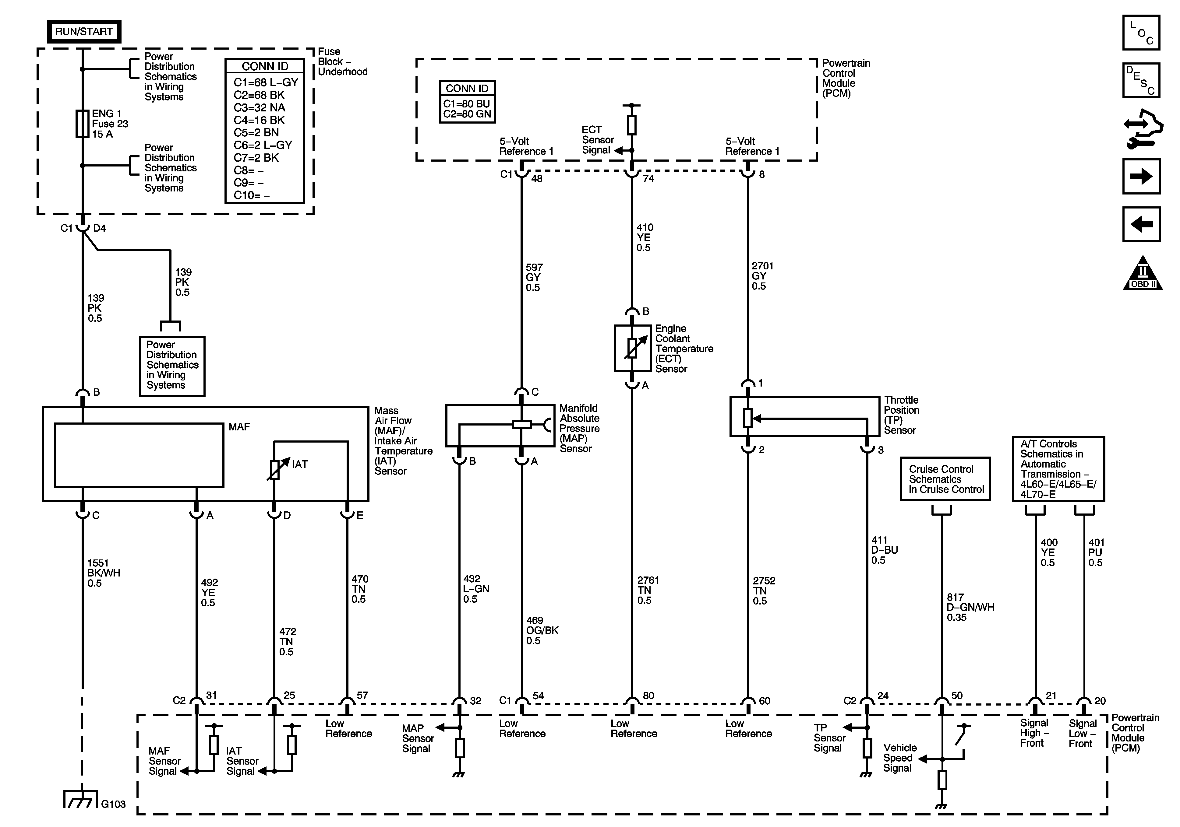
🢒 Engine Data Sensors - Pressure, Temperature, and Position
Engine Data Sensors - Pressure, Temperature, and Position
Engine Data Sensors - Pressure, Temperature, and Position
Master Electrical Component List
Powertrain Control Module Description
Control Module References
Engine Data Sensors - Oxygen Sensors
Engine Data Sensors - 5-Volt and Low Reference
OBD II Symbol Description Notice
Ignition Switch - ACCY/RUN, RUN/START Bus Bars and IGN B Fuse
ENG 1, ENG 2, and SPARE Fuses - 4.3L and 6.6L
ENG 1, ENG 2, and SPARE Fuses - 4.3L and 6.6L
G103, G104, G105, G106, G107, G108, G300, G301, and G305
Gas - w/o JL4
Pressure Controls, Temperature, and VSS