GM Service Manual Online
For 1990-2009 cars only
Makes
🢒
Chevrolet
🢒
2006
🢒
Express
🢒 Fuel Controls - EVAP and Device Controls
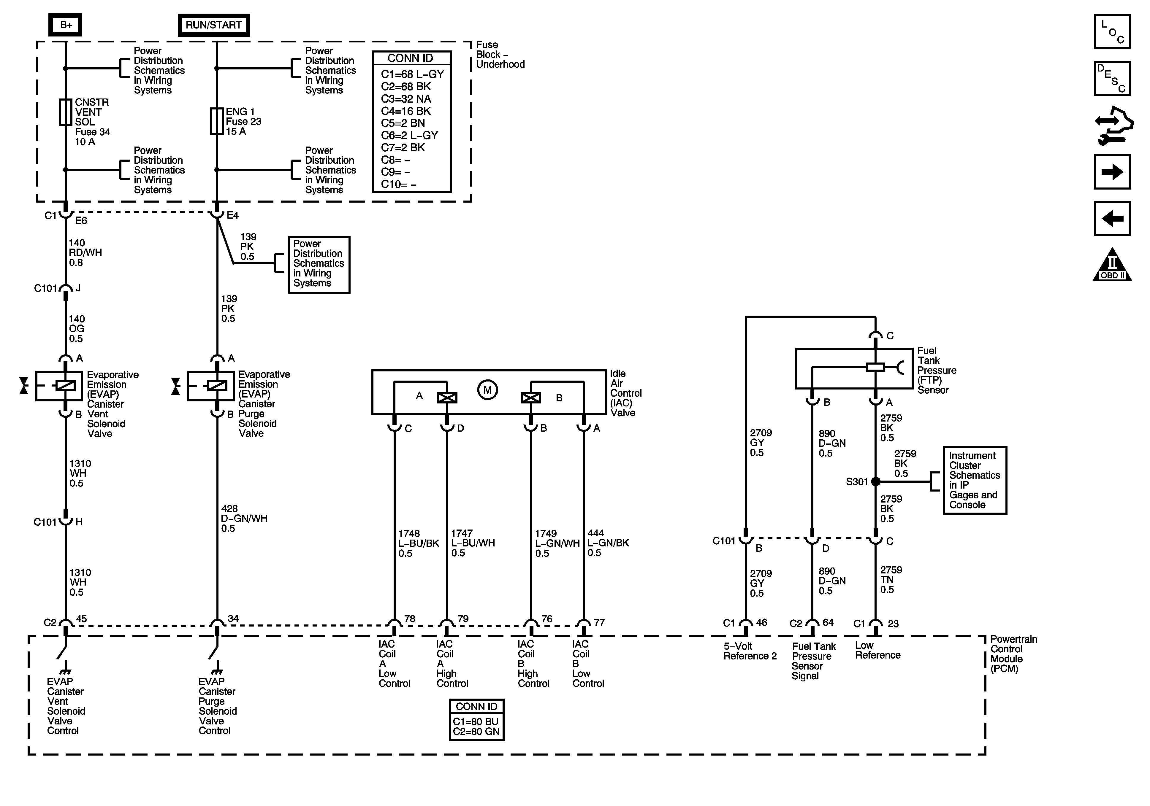
Fuel Controls - EVAP and Device Controls
Fuel Controls - EVAP and Device Controls
Master Electrical Component List
Powertrain Control Module Description
Control Module References
Controlled/Monitored Subsystem and Transmission References
Fuel Controls - Fuel Injectors
OBD II Symbol Description Notice
B+ Bus - Underhood Fuse Block - Gas
AUX PWR, BLWR, CNSTR VENT SOL, IPC, LTR, REAR FOG LMPS, and STOP LAMP Fuses
Ignition Switch - ACCY/RUN, RUN/START Bus Bars and IGN B Fuse
ENG 1, ENG 2, and SPARE Fuses - 4.3L and 6.6L
ENG 1, ENG 2, and SPARE Fuses - 4.3L and 6.6L
Gages