GM Service Manual Online
For 1990-2009 cars only
Makes
🢒
Chevrolet
🢒
2006
🢒
Express
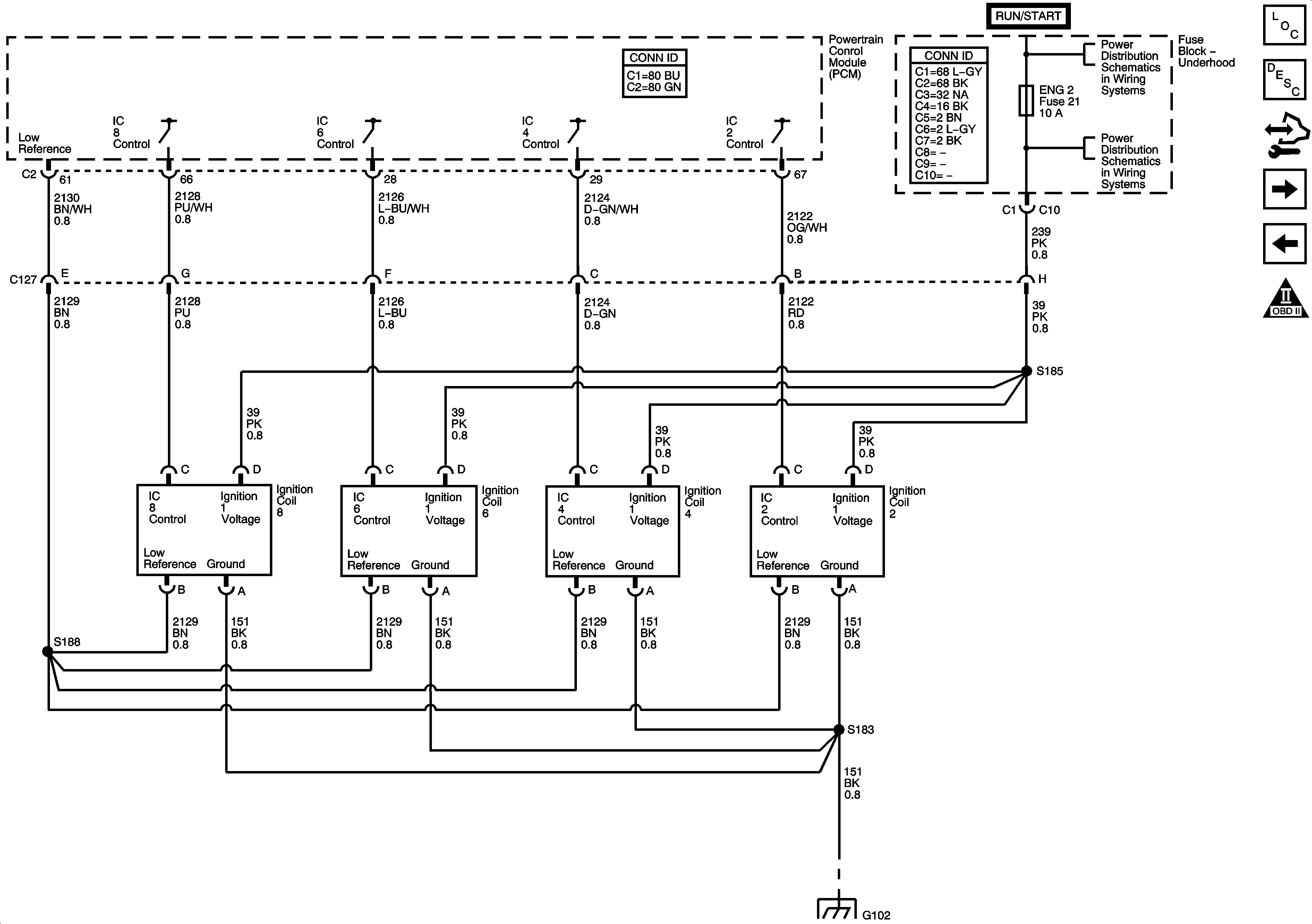
🢒 Ignition Controls - Ignition System Coils 2, 4, 6, 8
Ignition Controls - Ignition System Coils 2, 4, 6, 8
Ignition Controls - Ignition System Coils 2, 4, 6, 8
Master Electrical Component List
Powertrain Control Module Description
Control Module References
Ignition Controls - Sensors
Ignition Controls - Ignition System Coils 1, 3, 5, 7
OBD II Symbol Description Notice
Ignition Switch - ACCY/RUN, RUN/START Bus Bars and IGN B Fuse
ENG 1 and ENG 2 Fuses - 4.8L, 5.3L, and 6.0L
G102