GM Service Manual Online
For 1990-2009 cars only
Makes
🢒
Chevrolet
🢒
2006
🢒
Express
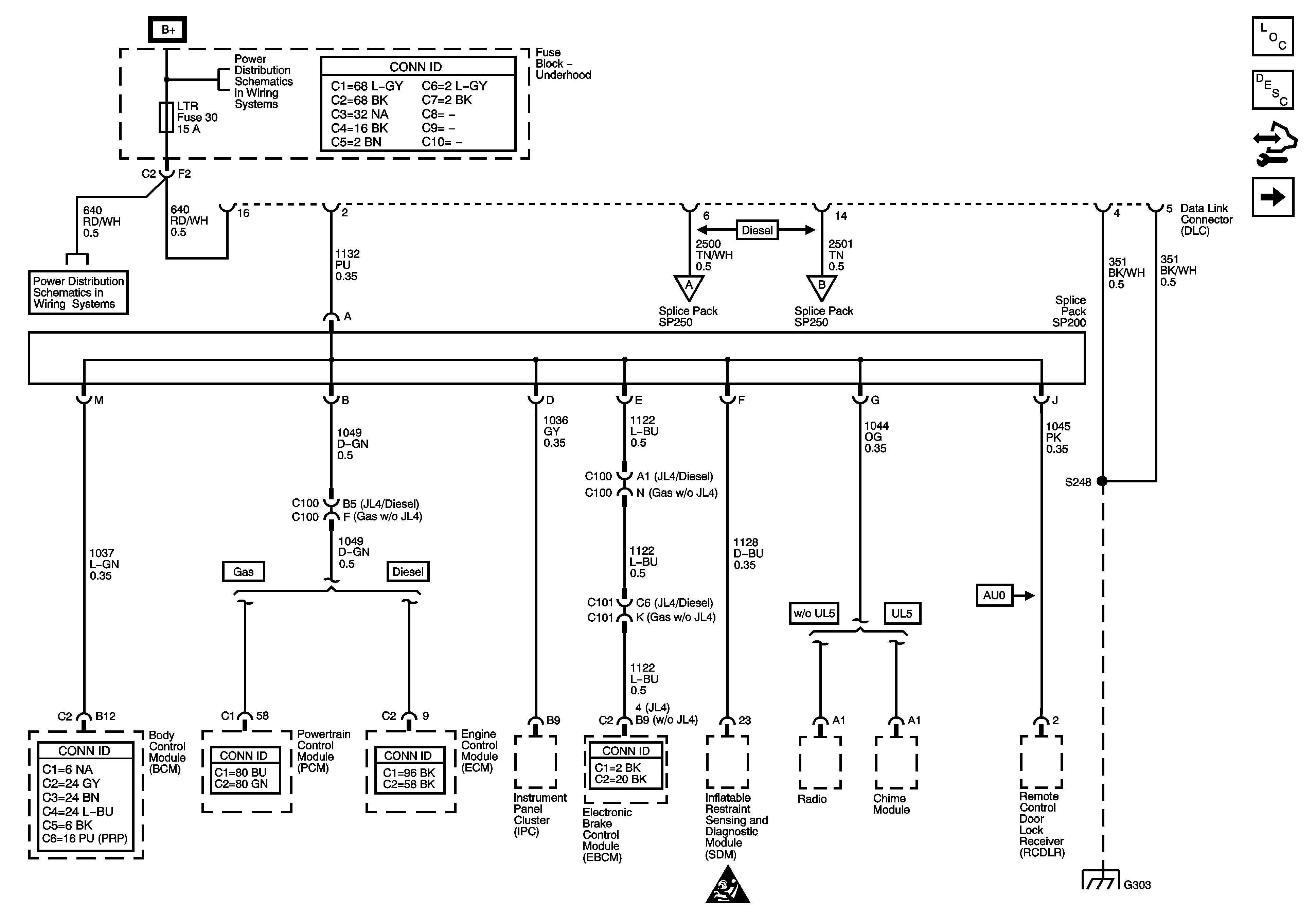
🢒 Power, Ground, DLC, and Splice Pack SP200
Power, Ground, DLC, and Splice Pack SP200
Power, Ground, DLC, and Splice Pack SP200
Master Electrical Component List
Data Link Communications Description and Operation
Control Module References
High Speed GMLAN and Splice Pack SP250 - Diesel
AUX PWR, BLWR, CNSTR VENT SOL, IPC, LTR, REAR FOG LMPS, and STOP LAMP Fuses
B+ Bus - Underhood Fuse Block - Gas
High Speed GMLAN and Splice Pack SP250 - Diesel
High Speed GMLAN and Splice Pack SP250 - Diesel
SIR Caution for Zoning
G303