GM Service Manual Online
For 1990-2009 cars only

Fuel Tank Replacement Passenger/Cargo Van

Removal Procedure


    Object Number: 1822206  Size: SH

    Caution: Unless directed otherwise, the ignition and start switch must be in the OFF or LOCK position, and all electrical loads must be OFF before servicing any electrical component. Disconnect the negative battery cable to prevent an electrical spark should a tool or equipment come in contact with an exposed electrical terminal. Failure to follow these precautions may result in personal injury and/or damage to the vehicle or its components.

  1. Disconnect the negative battery cable.
  2. Relieve the fuel system pressure. Refer to Fuel Pressure Relief .
  3. Drain the fuel tank. Refer to Fuel Tank Draining .
  4. Raise the vehicle. Refer to Lifting and Jacking the Vehicle .
  5. Loosen the fuel fill hose clamp.
  6. On cargo van, disconnect the fuel fill hose from the fuel tank.

  7. Object Number: 1822209  Size: SH
  8. On passenger van, disconnect the fuel fill hose from the fuel tank.

  9. Object Number: 1822210  Size: SH
  10. On all models, clean all the fuel pipe connections and the surrounding areas before disconnecting the fuel pipes in order to avoid possible contamination of the fuel system.
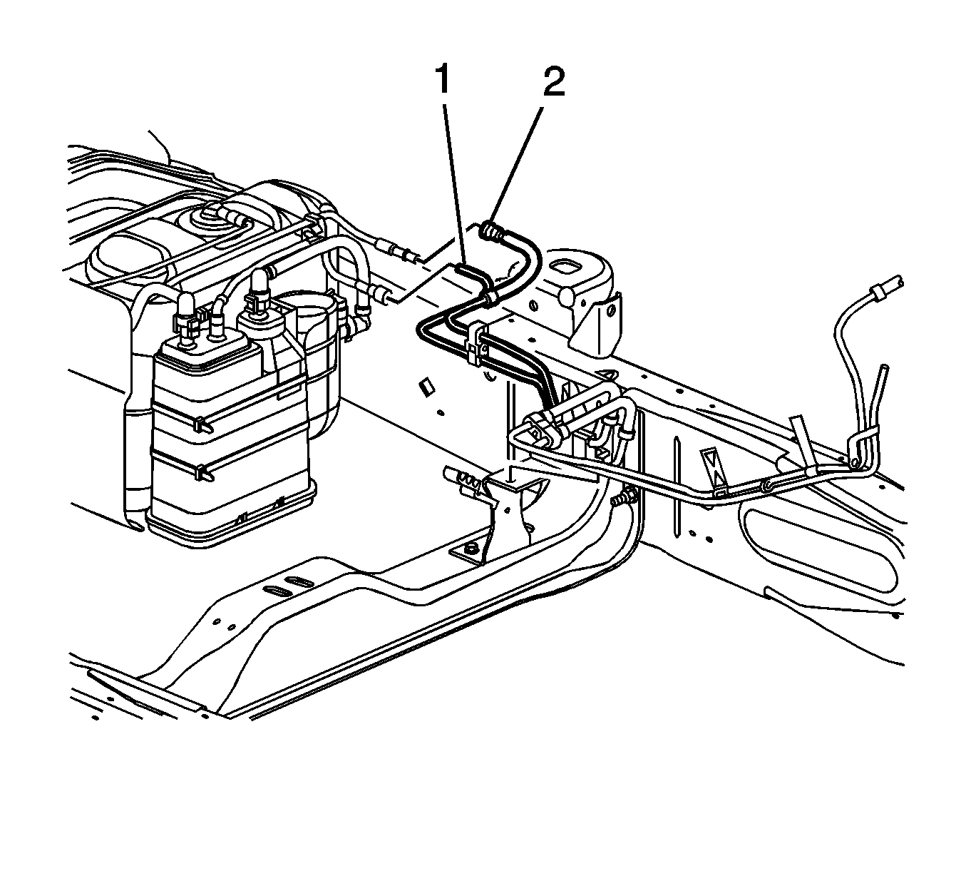
  11. Disconnect the rear fuel return pipe (1) at the chassis fuel return pipe. Refer to Plastic Collar Quick Connect Fitting Service .
  12. Disconnect the rear fuel feed pipe (2) at the chassis fuel feed pipe. Refer to Plastic Collar Quick Connect Fitting Service .

  13. Object Number: 1822211  Size: SH
  14. With the aid of an assistant, support the fuel tank.
  15. Remove and discard the attaching bolts  from the fuel tank strap .
  16. Remove the fuel tank straps (1).
  17. Carefully lower the fuel tank.
  18. Disconnect the fuel sender and the fuel pump electrical connectors.
  19. Remove the fuel tank.
  20. Place the fuel tank in a suitable work area.

  21. Object Number: 1822370  Size: SH
  22. Remove the fuel sender assembly  (1) and the fuel pipes from the fuel tank. Refer to Fuel Tank Fuel Pump Module Replacement .
  23. Remove the evaporative emission (EVAP) hoses from the fuel tank and EVAP canister (2).
  24. Remove two tie down straps from the EVAP canister (2) then remove the canister from the fuel tank. Discard tie down straps.
  25. Remove the fuel fill hose from the fuel tank.
  26. Remove the fuel tank from the fuel tank shield (3).

Installation Procedure


    Object Number: 1822370  Size: SH
  1. Install the fuel tank into the fuel tank shield (3).
  2. Notice: Refer to Fastener Notice in the Preface section.

  3. Install the fuel fill hose to the fuel tank.
  4. Tighten
    Tighten the fuel fill hose clamp to 2.75 N·m (24 lb in).

  5. Place the EVAP canister in position on the EVAP canister bracket, then install two new tie down straps.
  6. Install the EVAP hoses to the fuel tank and EVAP canister (2).
  7. Install the fuel sender assembly (1) and the fuel pipes to the fuel tank. Refer to Fuel Tank Fuel Pump Module Replacement .

  8. Object Number: 1822211  Size: SH
  9. With the aid of an assistant, position and support the fuel tank.
  10. Raise the fuel tank slightly.
  11. Connect the electrical connectors to the fuel sender and fuel pump.
  12. Raise the tank fully.
  13. Install the fuel tank straps (1).
  14. Important: When removing or replacing the fuel tank, the fuel tank support fasteners should never be reused. Always use new fasteners when installing the fuel tank.

  15. Install the new attaching bolts to the fuel tank strap .
  16. Tighten
    Tighten the bolts to 20.5 N·m (15 lb ft).


    Object Number: 1822210  Size: SH
  17. Connect the chassis fuel feed pipe to the rear fuel feed pipe (2). Refer to Plastic Collar Quick Connect Fitting Service .
  18. Connect the rear fuel return pipe (1) to the chassis fuel return pipe. Refer to Plastic Collar Quick Connect Fitting Service .

  19. Object Number: 1822209  Size: SH
  20. On passenger van, connect the fuel fill hose to the fuel tank.

  21. Object Number: 1822206  Size: SH
  22. On cargo van, connect the fuel fill hose to the fuel tank.
  23. Tighten
    Tighten the fuel fill hose clamp to 2.75 N·m (24 lb in).

  24. On all models, lower the vehicle.
  25. Refill the fuel tank.
  26. Tighten the fuel filler cap.
  27. Connect the negative battery cable.
  28. Inspect for leaks:
  29. 20.1. Turn ON the ignition for 2 seconds.
    20.2. Turn OFF the ignition for 10 seconds.
    20.3. Turn ON the ignition.
    20.4. Inspect for fuel leaks.