GM Service Manual Online
For 1990-2009 cars only

Fuel Tank Filler Hose Replacement Cab/Chassis

Removal Procedure


    Object Number: 1228187  Size: SH
  1. Relieve the fuel system pressure.
  2. Disconnect the fuel feed and pressure balance rear lines. Refer to Metal Collar Quick Connect Fitting Service .

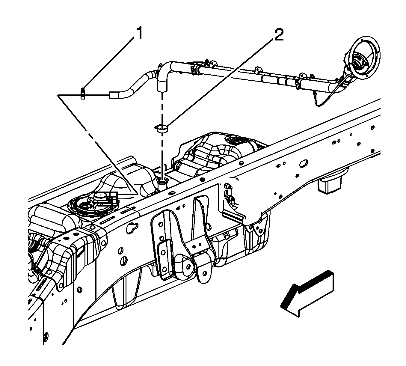
  3. Object Number: 1228174  Size: SH
  4. Loosen the fuel fill and vent hose clamps (1, 2) at the tank.
  5. Remove the fuel fill and vent hoses from the tank.
  6. Cap the fuel and vent holes in the fuel tank in order to prevent possible fuel system contamination.

Installation Procedure


    Object Number: 1228174  Size: SH
  1. Remove the caps from the fuel and vent holes in the fuel tank.
  2. Notice: Refer to Fastener Notice in the Preface section.

  3. Install the fuel fill and vent hoses to the tank.
  4. Tighten the fuel fill and vent hose clamps (1, 2) at the tank.
  5. Tighten
    Tighten the clamp to 2.5 N·m (22 lb in).


    Object Number: 1228187  Size: SH
  6. Connect the fuel feed and pressure balance rear lines. Refer to Metal Collar Quick Connect Fitting Service .