GM Service Manual Online
For 1990-2009 cars only

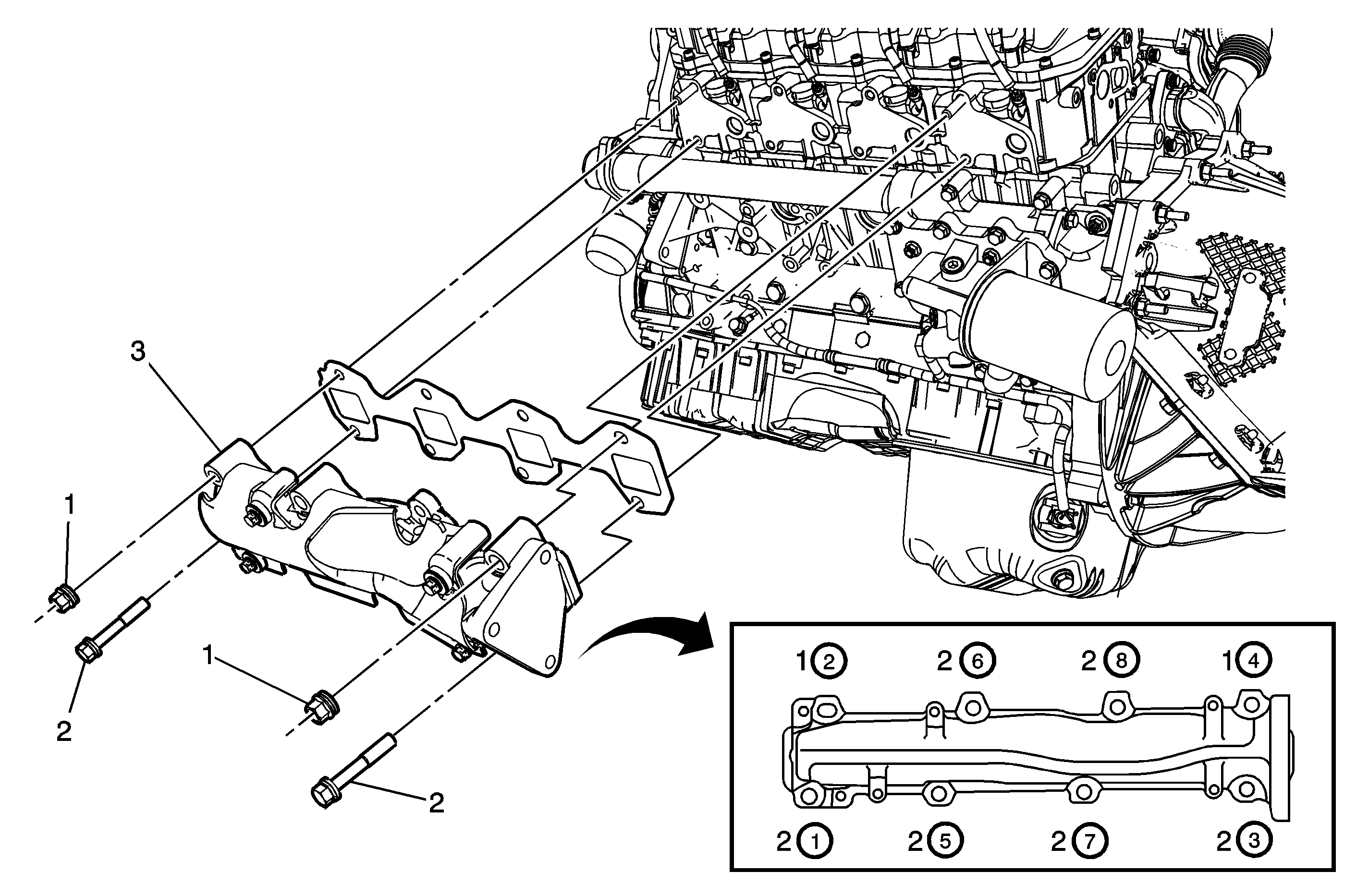
Exhaust Manifold Replacement - Left Side 4.8L, 5.3L, 6.0L

Removal Procedure

  1. Raise the vehicle. Refer to Lifting and Jacking the Vehicle .

  2. Object Number: 741552  Size: SH
  3. Remove the catalytic converter from the exhaust manifold. Refer to Catalytic Converter Replacement .
  4. Remove the engine cover. Refer to Engine Cover Replacement .
  5. Disconnect the EGR valve pipe from the exhaust manifold if equipped.
  6. Remove the spark plug wires.
  7. Remove the exhaust manifold.
  8. Clean all sealing surfaces.

Installation Procedure

    Notice: Refer to Fastener Notice in the Preface section.


    Object Number: 741552  Size: SH
  1. Install the exhaust manifold.
  2. Tighten

    1. Tighten the exhaust manifold bolts - First Pass to 15 N·m (11 lb ft).
    2. Tighten the exhaust manifold bolts - Second Pass to 25 N·m (18 lb ft).
  3. Connect the EGR valve pipe to the manifold.
  4. Install the spark plug wires.
  5. Install the exhaust pipe to the exhaust manifold.
  6. Install the engine cover. Refer to Engine Cover Replacement .

Exhaust Manifold Replacement - Left Side 6.6L


Object Number: 1724317  Size: MF

Callout

Component Name

Preliminary Procedures

  1. Remove the left side exhaust pipe. Refer to Exhaust Pipe Replacement - Left Side .
  2. Raise and suitably support the vehicle. Refer to Lifting and Jacking the Vehicle .

1

Exhaust Manifold Nut (Qty: 2)

Notice: Refer to Fastener Notice in the Preface section.

Tip
Torque the exhaust manifold nuts in the sequence shown in the graphic.

Tighten
38 N·m (28 lb ft)

2

Exhaust Manifold Bolt (Qty: 6)

Tip
Torque the exhaust manifold bolts in the sequence shown in the graphic.

Tighten
38 N·m (28 lb ft)

3

Left Side Exhaust Manifold

Procedure

  1. Transfer the exhaust manifold heat shield.
  2. Replace or transfer the exhaust manifold gasket as needed.

Exhaust Manifold Replacement - Left Side 4.3L

Removal Procedure


    Object Number: 543569  Size: SH
  1. Remove the engine cover. Refer to Engine Cover Replacement .
  2. Disconnect the engine coolant temperature (ECT) gage sensor electrical connector.

  3. Object Number: 314971  Size: SH
  4. Raise the vehicle. Refer to Lifting and Jacking the Vehicle .
  5. Remove the left front tire. Refer to Tire and Wheel Removal and Installation .
  6. Remove the left fender wheelhouse extension (1).
  7. Remove the catalytic converter assembly. Refer to Catalytic Converter Replacement .

  8. Object Number: 172982  Size: SH
  9. Remove the exhaust gas recirculation (EGR) valve inlet pipe from the exhaust manifold.

  10. Object Number: 317450  Size: SH
  11. Remove the spark plug wires from the spark plugs.
  12. Remove the spark plug wire support bolts.
  13. Remove the spark plug wire support with the spark plug wires.
  14. Remove the spark plugs.

  15. Object Number: 859857  Size: SH
  16. Remove the exhaust manifold bolts and studs.
  17. Remove the spark plug wire shields, if applicable.
  18. Remove the exhaust manifold.

  19. Object Number: 328540  Size: SH
  20. Remove and discard the exhaust manifold gaskets.

Installation Procedure


    Object Number: 476818  Size: SH

    Important: To assist in installing the exhaust manifold to the engine, the tabs on a NEW exhaust manifold gasket will hold the gasket and the bolts in place.

  1. Sub-assemble the NEW gaskets, the spark plug wire shields, and the bolts to the exhaust manifold.
  2. Ensure that the exhaust manifold bolts are held in place by the tabs on the exhaust manifold gaskets.
  3. Notice: Refer to Fastener Notice in the Preface section.

  4. Install the exhaust manifold.
  5. Tighten

    1. Tighten the exhaust manifold bolts - First Pass to 15 N·m (11 lb ft).
    2. Tighten the exhaust manifold bolts - Second Pass to 30 N·m (22 lb ft).

    Object Number: 317450  Size: SH
  6. Install the spark plugs.
  7. Install the spark plug wires to the spark plugs.
  8. Install the spark plug wire support and bolts.
  9. Tighten
    Tighten the spark plug wire support bolts to 12 N·m (106 lb in).


    Object Number: 172982  Size: SH
  10. Install the EGR valve inlet pipe to the exhaust manifold.
  11. Tighten
    Tighten the EGR valve inlet pipe exhaust manifold nut to 30 N·m (22 lb ft).

  12. Install the catalytic converter assembly. Refer to Catalytic Converter Replacement .

  13. Object Number: 314971  Size: SH
  14. Install the fender wheelhouse extension (1).
  15. Install the left front tire.
  16. Lower the vehicle.

  17. Object Number: 543569  Size: SH
  18. Connect the ECT gage sensor electrical connector.
  19. Install the engine cover. Refer to Engine Cover Replacement .