GM Service Manual Online
For 1990-2009 cars only

    Object Number: 1662876  Size: SH
  1. Remove the intake pipe to air inlet tube bolts.
  2. Remove the intake pipe.
  3. Remove the intake heater.

  4. Object Number: 1662877  Size: SH
  5. Remove the MAP sensor and bolt.
  6. Remove the rear bracket and bolt.
  7. Remove the air inlet tube to intake manifold tube bolt and nut.

  8. Object Number: 1662879  Size: SH
  9. Remove the air inlet tube nuts and bolts.
  10. Remove the air inlet tube.

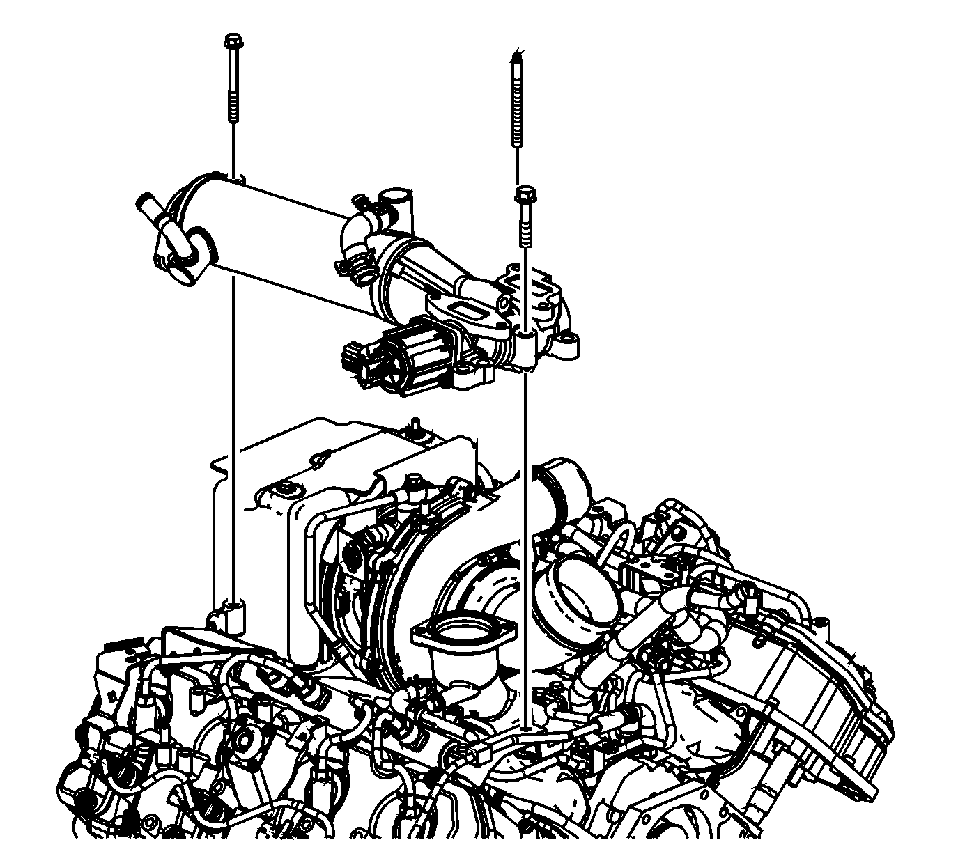
  11. Object Number: 1650663  Size: SH
  12. Remove the rear exhaust gas recirculation (EGR) cooler bolts.

  13. Object Number: 1662881  Size: SH
  14. Remove the EGR mount bolts and nut.
  15. Remove the EGR and cooler.

  16. Object Number: 1650666  Size: SH
  17. Remove the EGR cooler bracket bolts.
  18. Remove the EGR cooler bracket.