GM Service Manual Online
For 1990-2009 cars only
Makes
🢒
Chevrolet
🢒
2007
🢒
Express
🢒
Diagnostic Navigation
🢒
Vehicle Diagnostic Information
🢒 Radio/Navigation System Schematics
Figure
1:
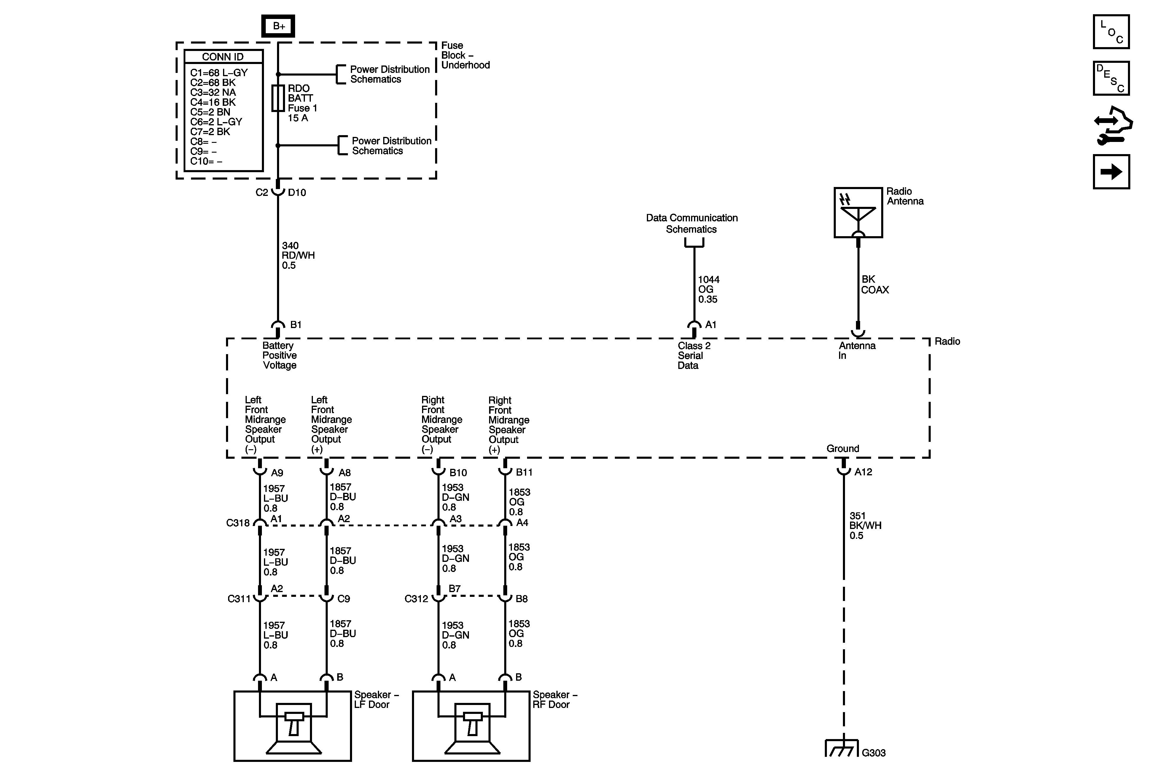
Power, Ground, Serial Data, Antenna, and Front Speaker Outputs
Master Electrical Component List
Radio/Audio System Description and Operation
Control Module References
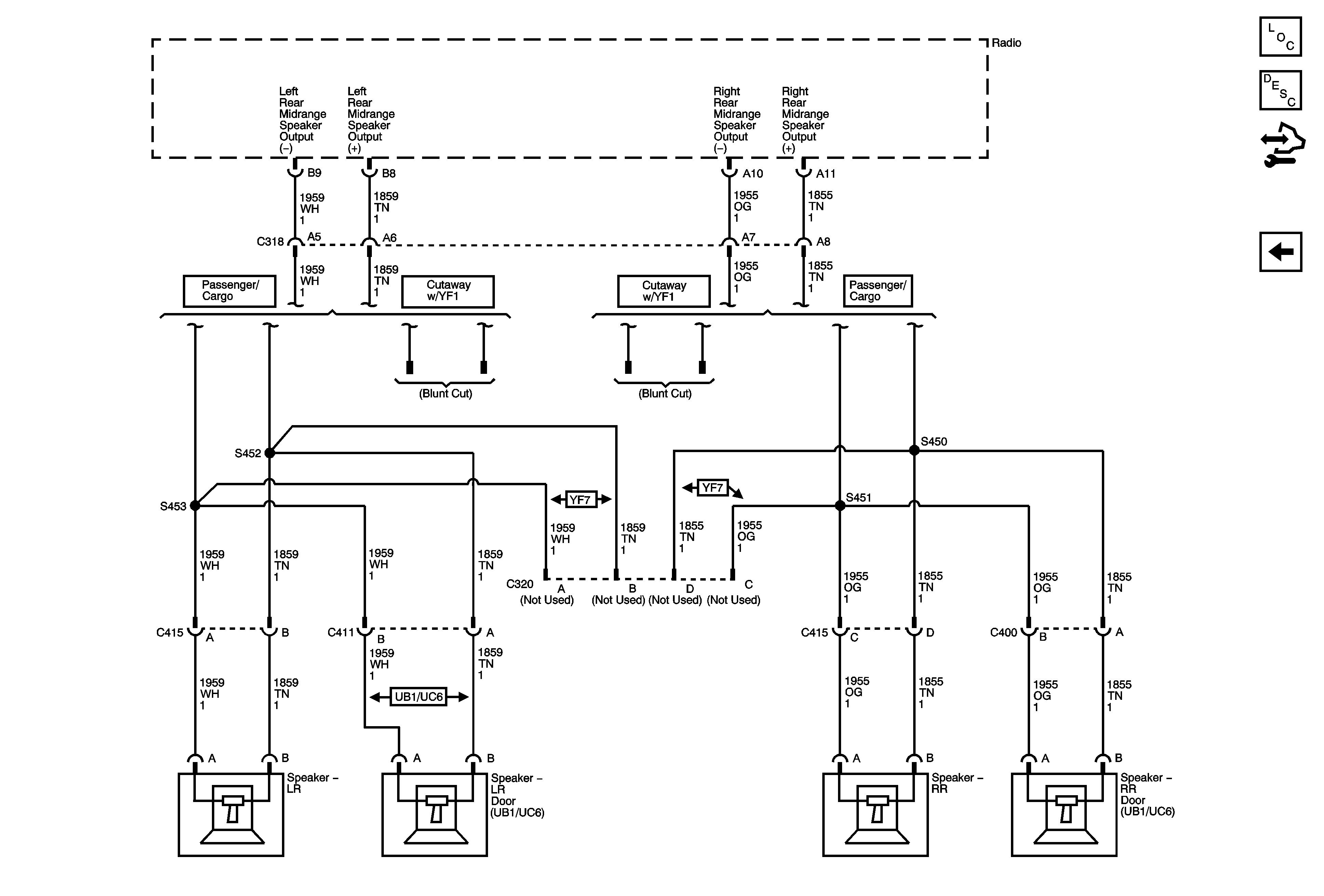
Rear Speaker Outputs
B+ Bus - Underhood Fuse Block - Gas
HAZRD, RDO BATT, RFA, REAF DEF/HTD MIR, TBC, TBC 2, TBC 3, TBC 4, TRLR STOP/TRN Fuses and PWR SEAR Circuit Breaker
Power, Ground, DLC and Splice Pack SP200
G303
Figure
2:
Rear Speaker Outputs
Master Electrical Component List
Radio/Audio System Description and Operation
Control Module References
Power, Ground, Serial Data, Antenna and Front Speaker Outputs