GM Service Manual Online
For 1990-2009 cars only
Makes
🢒
Chevrolet
🢒
2007
🢒
Express
🢒
Diagnostic Navigation
🢒
Vehicle Diagnostic Information
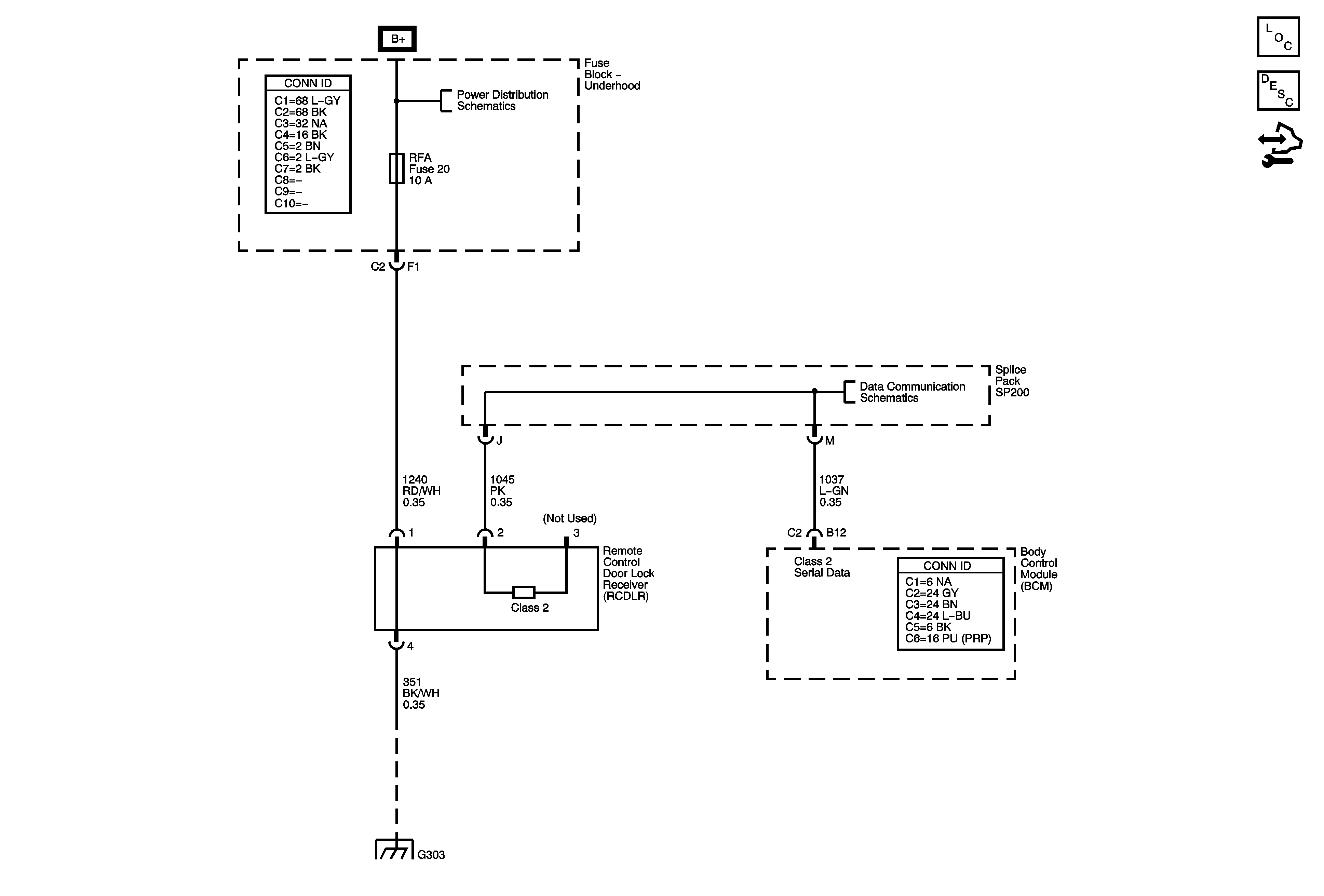
🢒 Remote Function Schematics
Master Electrical Component List
Keyless Entry System Description and Operation
Control Module References
B+ Bus - Underhood Fuse Block - Gas
Power, Ground, DLC and Splice Pack SP200
G303