GM Service Manual Online
For 1990-2009 cars only
Makes
🢒
Chevrolet
🢒
2007
🢒
Express
🢒
Body Systems
🢒
Wipers and Washers
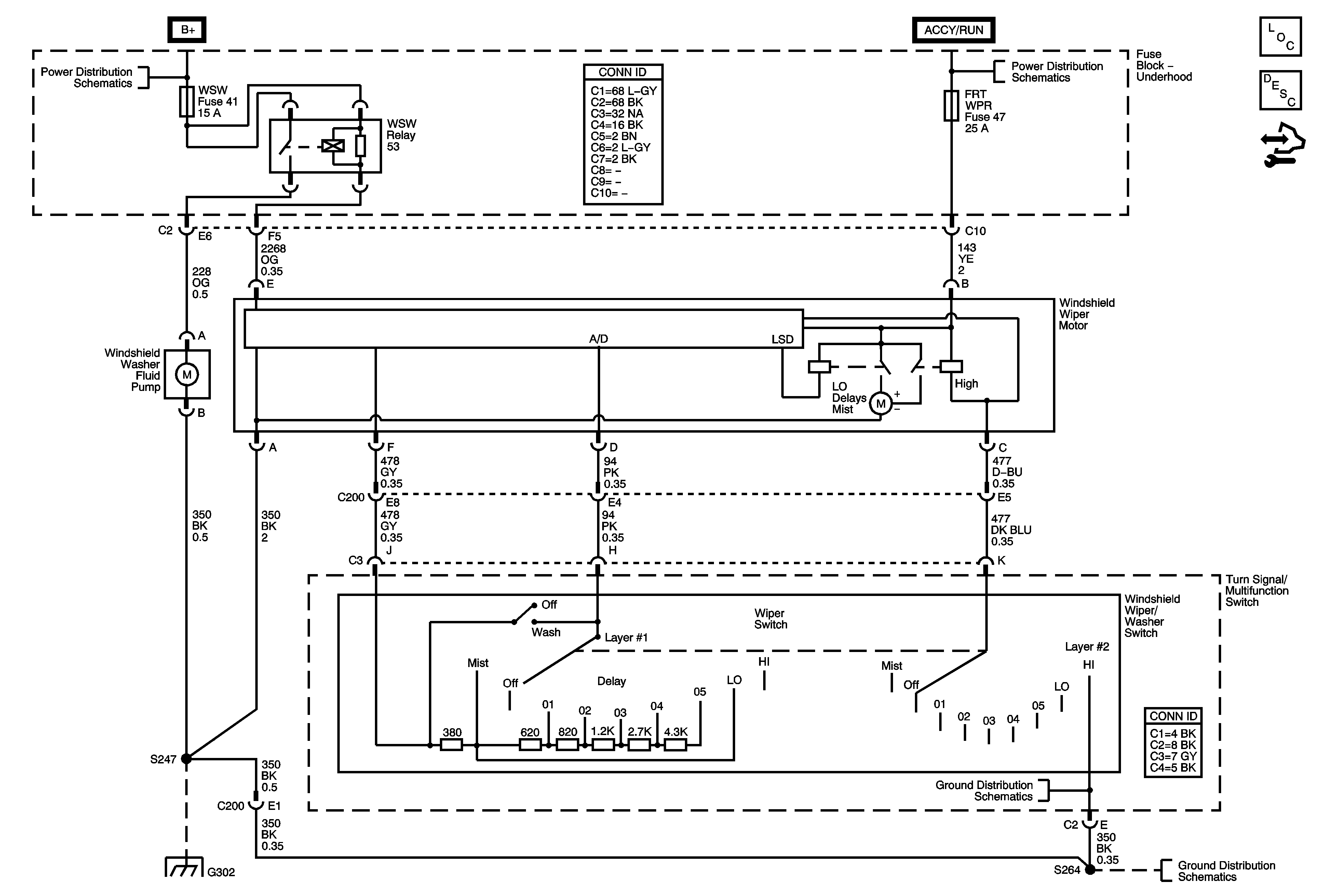
🢒 Wiper/Washer Schematics
Master Electrical Component List
Wiper/Washer System Description and Operation
Control Module References
B+ Bus - Underhood Fuse Block - Gas
G302
Ignition Switch - ACCY/RUN, RUN/START Bus Bars and IGN B Fuse
G302
G302