GM Service Manual Online
For 1990-2009 cars only

Intake Manifold Tube Replacement LLY, LBZ

Removal Procedure


    Object Number: 1731267  Size: SH
  1. Disconnect the negative battery cable. Refer to Battery Negative Cable Disconnection and Connection .
  2. Remove the air cleaner outlet duct. Refer to Air Cleaner Outlet Duct Replacement
  3. Remove the engine cover. Refer to Engine Cover Replacement .
  4. Disconnect the engine harness electrical connector (1) from the manifold absolute pressure (MAP) sensor.
  5. Disconnect the engine harness electrical connector (2) from the intake air heater (IAH).

  6. Object Number: 1724827  Size: SH
  7. Remove the front intake manifold tube bolt.
  8. Reposition the positive battery cable boot.
  9. Remove the positive battery cable nut at the IAH.
  10. Remove the positive battery cable from the IAH stud.

  11. Object Number: 1731131  Size: SH
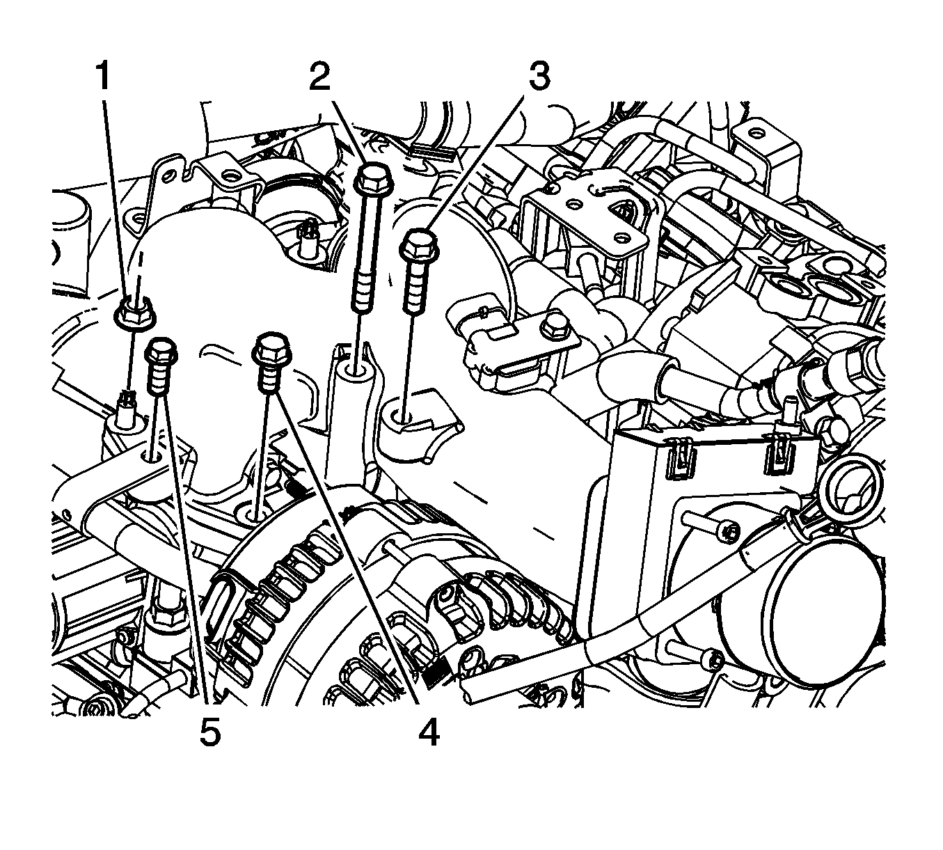
  12. Remove the engine wiring harness clip bolt (1) at the rear of the intake manifold tube.
  13. Remove the 2 rear intake manifold tube bolts (3).
  14. Remove the rear intake manifold tube nut (2).

  15. Object Number: 1731138  Size: SH
  16. Remove the engine wiring harness clip from the intake manifold tube.
  17. Remove the engine wiring harness clip bolt (3).
  18. Remove the exhaust gas recirculation (EGR) cooler water pipe bracket bolt (5).
  19. Remove the intake manifold tube bolts (2, 4) and nut (1).

  20. Object Number: 1731246  Size: SH
  21. Remove the intake manifold tube with the stud.
  22. Remove and discard the 2 metal EGR gaskets from the EGR valve.
  23. Remove and discard the O-ring seal from the center intake manifold.

  24. Object Number: 1731145  Size: SH
  25. If replacing the intake manifold tube perform the following steps, otherwise proceed to step 5 in the installation procedure.
  26. Remove the MAP sensor bolt.
  27. Remove the MAP sensor and bracket.

  28. Object Number: 1731136  Size: SH
  29. Remove the front intake manifold tube bolts, the front intake manifold tube, and the IAH.

Installation Procedure


    Object Number: 1731136  Size: SH
  1. If the intake manifold tube was replaced perform the following steps, otherwise proceed to step 5.
  2. Notice: Refer to Fastener Notice in the Preface section.

  3. Position the IAH and the front intake manifold tube to the intake manifold tube, install the front intake manifold tube bolts.
  4. Tighten
    Tighten the bolts to 20 N·m (15 lb ft).


    Object Number: 1731145  Size: SH
  5. Install the MAP sensor and bracket.
  6. Install the MAP sensor bolt.
  7. Tighten
    Tighten the bolt to 10 N·m (89 lb in).


    Object Number: 1731246  Size: SH
  8. Install a NEW the O-ring seal onto the center intake manifold.
  9. Install NEW metal EGR gaskets onto the EGR valve.
  10. Install the intake manifold tube with the stud.
  11. Tighten
    Tighten the stud to 25 N·m (18 lb ft).


    Object Number: 1731138  Size: SH
  12. Install the intake manifold tube bolts (2, 4) and nut (1).
  13. Tighten
    Tighten the bolt/nut to 25 N·m (18 lb ft).

  14. Install the EGR cooler water pipe bracket bolt (5).
  15. Tighten
    Tighten the bolt to 15 N·m (11 lb ft).

  16. Install the engine wiring harness clip bolt (3).
  17. Tighten
    Tighten the bolt to 15 N·m (11 lb ft).

  18. Install the engine wiring harness clip to the intake manifold tube.

  19. Object Number: 1731131  Size: SH
  20. Install the rear intake manifold tube nut (2).
  21. Tighten
    Tighten the nut to 25 N·m (18 lb ft).

  22. Install the 2 rear intake manifold tube bolts (3).
  23. Tighten
    Tighten the bolt to 25 N·m (18 lb ft).

  24. Install the engine wiring harness clip bolt (1) at the rear of the intake manifold tube.
  25. Tighten
    Tighten the bolt to 15 N·m (11 lb ft).


    Object Number: 1724827  Size: SH
  26. Install the positive battery cable to the IAH stud.
  27. Install the positive battery cable nut at the IAH.
  28. Tighten
    Tighten the nut to 10 N·m (89 lb ft).

  29. Position the positive battery cable boot.
  30. Install the front intake manifold tube bolt.
  31. Tighten
    Tighten the bolt to 15 N·m (11 lb ft).


    Object Number: 1602057  Size: SH
  32. Connect the engine harness electrical connector to the IAH.
  33. Connect the engine harness electrical connector to the MAP sensor.
  34. Install the engine cover. Refer to Engine Cover Replacement .
  35. Install the air cleaner outlet duct. Refer to Air Cleaner Outlet Duct Replacement
  36. Connect the negative battery cable. Refer to Battery Negative Cable Disconnection and Connection .

Intake Manifold Tube Replacement LMM

Removal Procedure


    Object Number: 1865884  Size: SH
  1. Disconnect the negative battery cable. Refer to Battery Negative Cable Disconnection and Connection .
  2. Remove the air cleaner outlet duct. Refer to Air Cleaner Outlet Duct Replacement .
  3. Remove the engine cover. Refer to Engine Cover Replacement .
  4. Disconnect the engine harness electrical connector (1) from the manifold absolute pressure (MAP) sensor.
  5. Disconnect the engine harness electrical connector (2) from the intake air heater (IAH).
  6. Disconnect the engine harness electrical connector (3) from the intake air valve.

  7. Object Number: 1865892  Size: SH
  8. Remove the front intake manifold tube nut.
  9. Reposition the positive battery cable boot.
  10. Remove the positive battery cable nut at the IAH.
  11. Remove the positive battery cable from the IAH stud.

  12. Object Number: 1865929  Size: SH
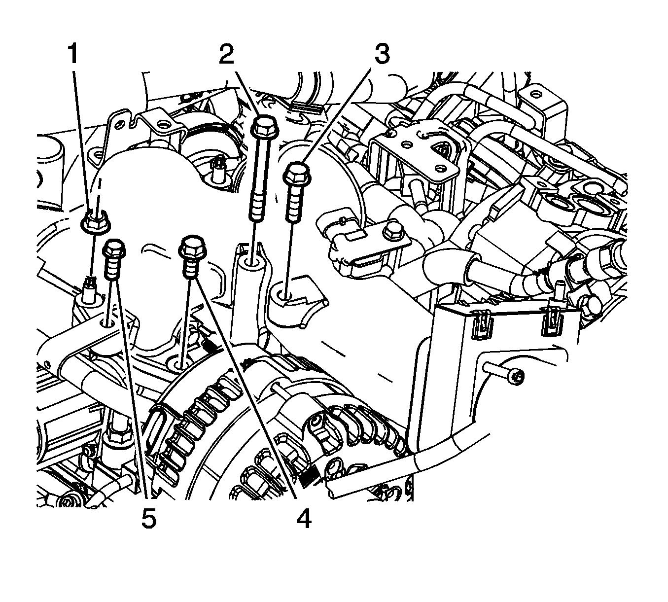
  13. Remove the engine wiring harness clip bolt (1) at the rear of the intake manifold tube.
  14. Remove the 2 rear intake manifold tube bolts (3).
  15. Remove the rear intake manifold tube nut (2).

  16. Object Number: 1731138  Size: SH
  17. Remove the engine wiring harness clip from the intake manifold tube.
  18. Remove the engine wiring harness clip bolt (3).
  19. Remove the intake manifold tube bolts (2, 4) and nut (1).

  20. Object Number: 1865938  Size: SH
  21. Remove the intake manifold tube with the stud.
  22. Remove and discard the 2 metal EGR gaskets from the EGR valve.
  23. Remove and discard the O-ring seal from the center intake manifold.

  24. Object Number: 1865958  Size: SH
  25. If replacing the intake manifold tube perform the following steps, otherwise proceed to step 5 in the installation procedure.
  26. Remove the MAP sensor bolt.
  27. Remove the MAP sensor and bracket.

  28. Object Number: 1865972  Size: SH
  29. Remove the air intake valve bolts (1).
  30. Remove the air intake valve (2) and the IAH (3) from the intake manifold tube.

Installation Procedure


    Object Number: 1865972  Size: SH
  1. Position the IAH (3) and the air intake valve (2) to the intake manifold tube.
  2. Notice: Refer to Fastener Notice in the Preface section.

  3. Install the air intake valve bolts.
  4. Tighten
    Tighten the bolts to 20 N·m (15 lb ft).


    Object Number: 1865958  Size: SH
  5. Install the MAP sensor and bracket.
  6. Install the MAP sensor bolt.
  7. Tighten
    Tighten the bolt to 10 N·m (89 lb in).


    Object Number: 1865938  Size: SH
  8. Install a NEW the O-ring seal onto the center intake manifold.
  9. Install NEW metal EGR gaskets onto the EGR valve.
  10. Install the intake manifold tube with the stud.
  11. Tighten
    Tighten the stud to 25 N·m (18 lb ft).


    Object Number: 1865929  Size: SH
  12. Install the intake manifold tube bolts (2, 4) and nut (1).
  13. Tighten
    Tighten the bolt/nut to 25 N·m (18 lb ft).

  14. Install the engine wiring harness clip bolt (3).
  15. Tighten
    Tighten the bolt to 15 N·m (11 lb ft).

  16. Install the engine wiring harness clip to the intake manifold tube.

  17. Object Number: 1731131  Size: SH
  18. Install the rear intake manifold tube nut (2).
  19. Tighten
    Tighten the nut to 25 N·m (18 lb ft).

  20. Install the 2 rear intake manifold tube bolts (3).
  21. Tighten
    Tighten the bolt to 25 N·m (18 lb ft).

  22. Install the engine wiring harness clip bolt (1) at the rear of the intake manifold tube.
  23. Tighten
    Tighten the bolt to 15 N·m (11 lb ft).


    Object Number: 1865892  Size: SH
  24. Install the positive battery cable to the IAH stud.
  25. Install the positive battery cable nut at the IAH.
  26. Tighten
    Tighten the nut to 10 N·m (89 lb ft).

  27. Position the positive battery cable boot.
  28. Install the front intake manifold tube nut.
  29. Tighten
    Tighten the bolt to 15 N·m (11 lb ft).


    Object Number: 1865884  Size: SH
  30. Connect the engine harness electrical connector (3) to the intake air valve.
  31. Connect the engine harness electrical connector (2) to the IAH.
  32. Connect the engine harness electrical connector (1) to the MAP sensor.
  33. Install the engine cover. Refer to Engine Cover Replacement .
  34. Install the air cleaner outlet duct. Refer to Air Cleaner Outlet Duct Replacement .
  35. Connect the negative battery cable. Refer to Battery Negative Cable Disconnection and Connection .