GM Service Manual Online
For 1990-2009 cars only
Makes
🢒
Chevrolet
🢒
2007
🢒
Express
🢒
Power and Signal Distribution
🢒
Wiring Systems and Power Management
🢒 Upfitter Provision Schematics
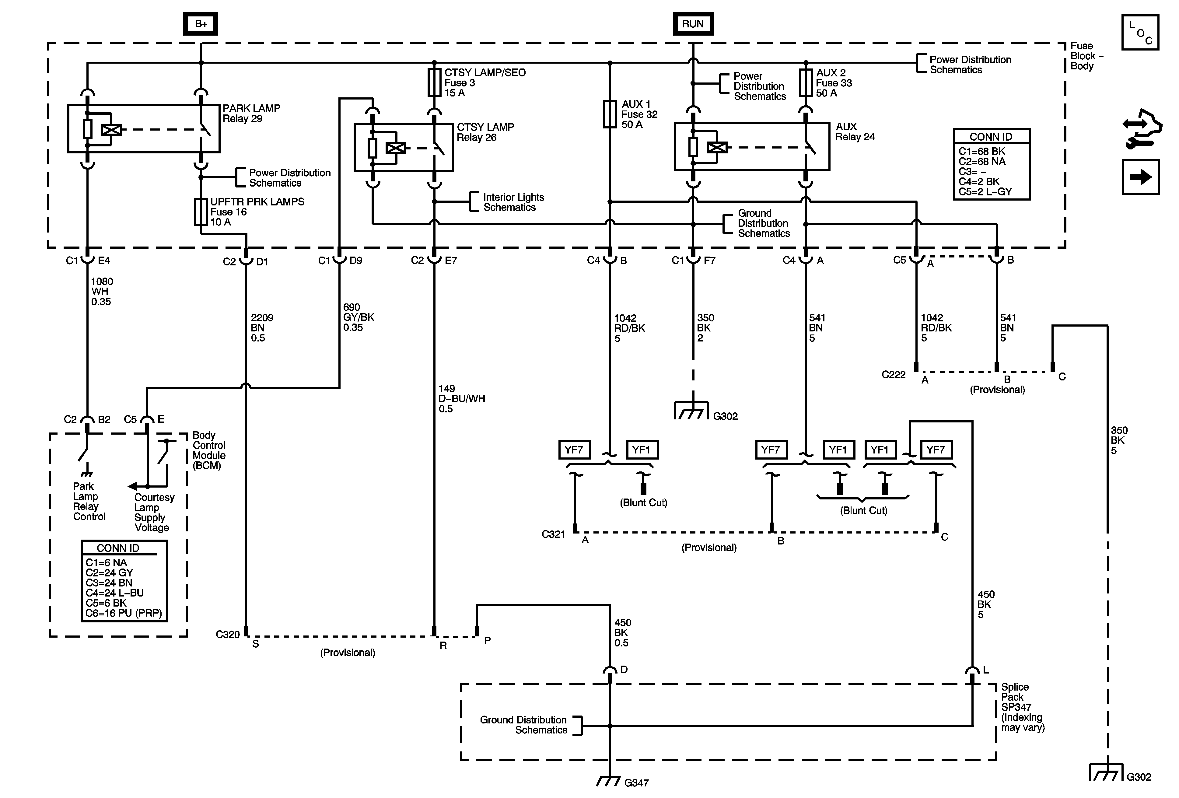
Figure
1:
Power, Ground, and Relay Controls
Master Electrical Component List
Control Module References
Rear Heat Auxiliary - ENC
FRT PRK, LT REAR PRK, RT REAR PRK, TRLR PRK, UPFTR PRK LAMPS Fuses and PWR WNDW Circuit Breaker
Courtesy Lamps - YF7
Ignition Switch - ACCY/RUN/START, RUN, START Bus Bars and IGN A Fuse
B+ Bus - Body Fuse Block
G347 - 1 of 3
G302
G302
G302
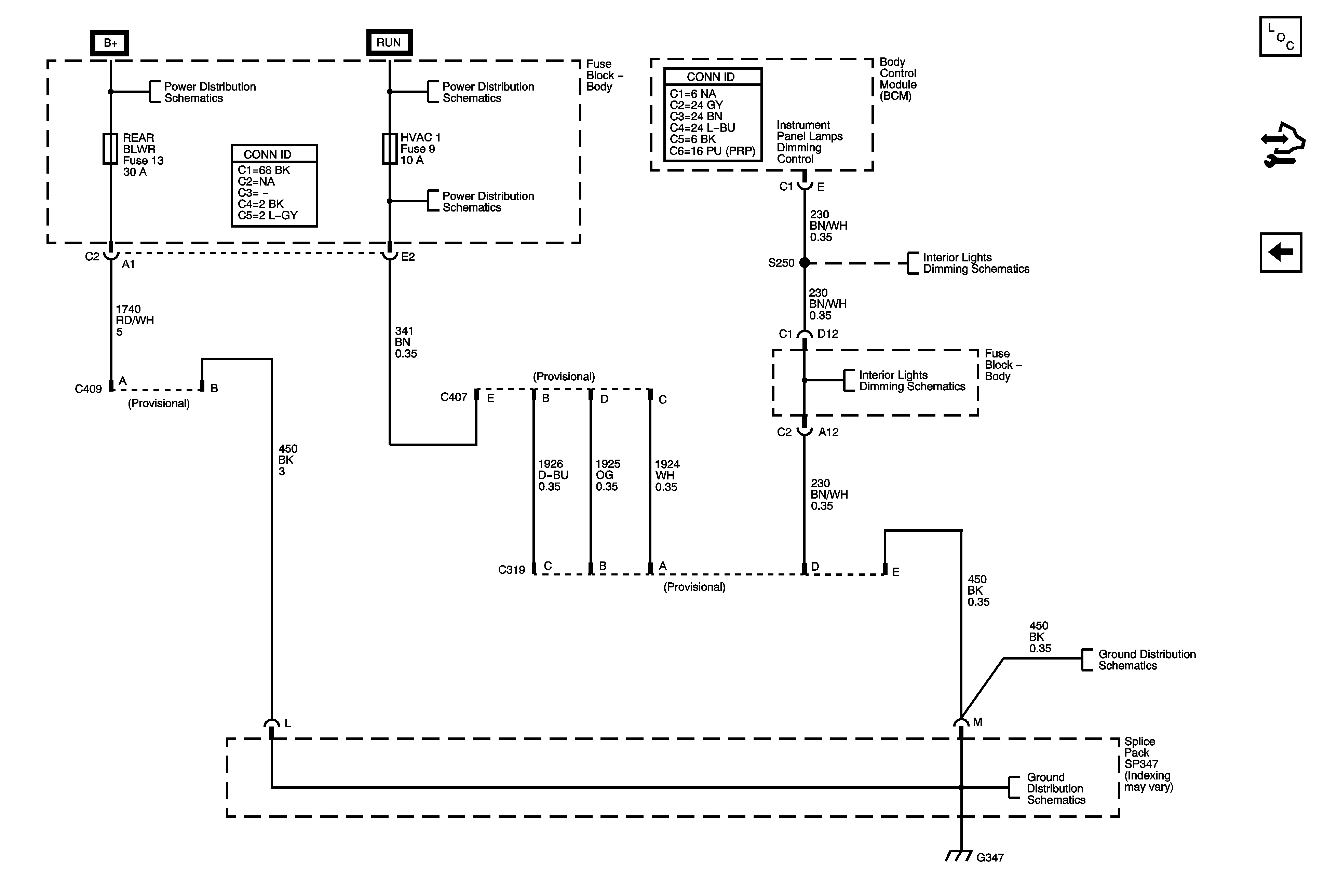
Figure
2:
Rear Heat Auxiliary (ENC)
Master Electrical Component List
Control Module References
Power, Ground, and Relay Controls
B+ Bus - Body Fuse Block
Ignition Switch - ACCY/RUN/START, RUN, START Bus Bars and IGN A Fuse
HVAC 1 Fuse
I/P Dimming Supply Voltage - 1 of 3 and LED Dimming Supply Voltage
I/P Dimming Supply Voltage - 2 of 3
G347 - 2 of 3
G347 - 2 of 3