GM Service Manual Online
For 1990-2009 cars only
Makes
🢒
Chevrolet
🢒
2007
🢒
Express
🢒
Seats
🢒
Power Seats
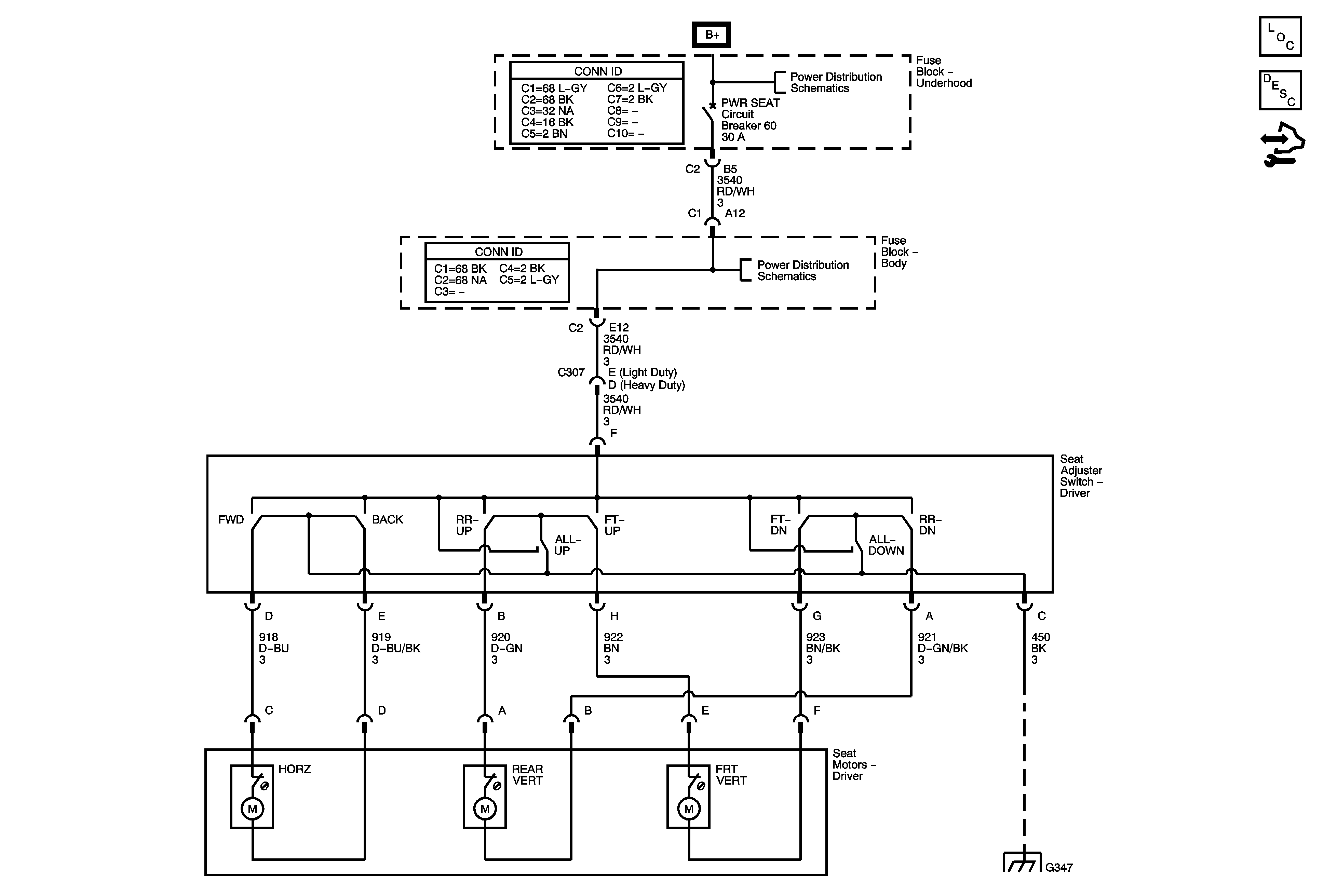
🢒 Driver Seat Schematics
Master Electrical Component List
Power Seats System Description and Operation
Control Module References
B+ Bus - Underhood Fuse Block - Gas
HAZRD, RDO BATT, RFA, REAF DEF/HTD MIR, TBC, TBC 2, TBC 3, TBC 4, TRLR STOP/TRN Fuses and PWR SEAR Circuit Breaker
G347 - 2 of 3