GM Service Manual Online
For 1990-2009 cars only
Figure 1:

Primary Blower and Air Delivery Controls (C42) and Vacuum Pump (Diesel)


Object Number: 1753707  Size: FS
Master Electrical Component List
Air Delivery Description and Operation
Control Module References
Primary Blower and Air Delivery Controls - C60
Ignition Switch - ACCY/RUN/START, RUN, START Bus Bars and IGN A Fuse
HVAC 1 Fuse
B+ Bus - Underhood Fuse Block - Gas
I/P Dimming Supply Voltage - 1 of 3 and LED Dimming Supply Voltage
G304
G102
Figure 2:

Primary Blower and Air Delivery Controls (C60)


Object Number: 1753708  Size: FS
Master Electrical Component List
Air Delivery Description and Operation
Control Module References
Compressor Controls - C60
Primary Blower and Air Delivery Controls - C42 and Vacuum Pump - Diesel
Ignition Switch - ACCY/RUN/START, RUN, START Bus Bars and IGN A Fuse
HVAC 1 Fuse
Primary Blower and Air Delivery Controls - C42 and Vacuum Pump - Diesel
B+ Bus - Underhood Fuse Block - Gas
I/P Dimming Supply Voltage - 1 of 3 and LED Dimming Supply Voltage
Compressor Controls - C60
G304
G102
Figure 3:

Compressor Controls (C60)


Object Number: 1753713  Size: FS
Master Electrical Component List
Air Temperature Description and Operation
Control Module References
Rear HVAC with Rear Auxiliary Controls 1 of 3 - C69
Primary Blower and Air Delivery Controls - C60
B+ Bus - Underhood Fuse Block - Gas
Ignition Switch - ACCY/RUN, RUN/START Bus Bars and IGN B Fuse
AIRBAG, FAN CLTCH, IGN E, ISRVM, SPARE and TBC IGN 1 Fuses
Ignition Switch - ACCY/RUN/START, RUN, START Bus Bars and IGN A Fuse
Primary Blower and Air Delivery Controls - C42 and Vacuum Pump - Diesel
Primary Blower and Air Delivery Controls - C60
G102
Figure 4:

Rear HVAC with Rear Auxiliary Controls (C69) 1 of 3


Object Number: 1753714  Size: FS
Master Electrical Component List
Air Delivery Description and Operation
Control Module References
Rear HVAC with Rear Auxiliary Controls 2 of 3 - C69
Compressor Controls - C60
Ignition Switch - ACCY/RUN/START, RUN, START Bus Bars and IGN A Fuse
HVAC 1 Fuse
Rear HVAC with Rear Auxiliary Controls 3 of 3 - C69
Rear HVAC with Rear Auxiliary Controls 3 of 3 - C69
Rear HVAC with Rear Auxiliary Controls 2 of 3 - C69
Rear HVAC with Rear Auxiliary Controls 2 of 3 - C69
Rear HVAC with Rear Auxiliary Controls 2 of 3 - C69
I/P Dimming Supply Voltage - 3 of 3
Rear HVAC with Rear Auxiliary Controls 2 of 3 - C69
Rear HVAC with Rear Auxiliary Controls 2 of 3 - C69
Rear HVAC with Rear Auxiliary Controls 2 of 3 - C69
Rear HVAC with Rear Auxiliary Controls 2 of 3 - C69
G347 - 1 of 3
Figure 5:

Rear HVAC with Rear Auxiliary Controls (C69) 2 of 3


Object Number: 1753720  Size: FS
Master Electrical Component List
Air Delivery Description and Operation
Control Module References
Rear HVAC with Rear Auxiliary Controls 3 of 3 - C69
Rear HVAC with Rear Auxiliary Controls 1 of 3 - C69
Rear HVAC with Rear Auxiliary Controls 1 of 3 - C69
Rear HVAC with Rear Auxiliary Controls 1 of 3 - C69
Rear HVAC with Rear Auxiliary Controls 1 of 3 - C69
Rear HVAC with Rear Auxiliary Controls 1 of 3 - C69
I/P Dimming Supply Voltage - 3 of 3
Rear HVAC with Rear Auxiliary Controls 1 of 3 - C69
Rear HVAC with Rear Auxiliary Controls 3 of 3 - C69
Rear HVAC with Rear Auxiliary Controls 1 of 3 - C69
Rear HVAC with Rear Auxiliary Controls 3 of 3 - C69
Rear HVAC with Rear Auxiliary Controls 1 of 3 - C69
Rear HVAC with Rear Auxiliary Controls 3 of 3 - C69
G347 - 1 of 3
Figure 6:

Rear HVAC with Rear Auxiliary Controls (C69) 3 of 3


Object Number: 1753721  Size: FS
Master Electrical Component List
Air Delivery Description and Operation
Control Module References
Rear HVAC w/o Rear Auxiliary Controls 1 of 2 - C69
Rear HVAC with Rear Auxiliary Controls 2 of 3 - C69
B+ Bus - Body Fuse Block
Ignition Switch - ACCY/RUN/START, RUN, START Bus Bars and IGN A Fuse
HVAC 1 Fuse
Rear HVAC with Rear Auxiliary Controls 1 of 3 - C69
Rear HVAC with Rear Auxiliary Controls 1 of 3 - C69
Rear HVAC with Rear Auxiliary Controls 2 of 3 - C69
Rear HVAC with Rear Auxiliary Controls 2 of 3 - C69
Rear HVAC with Rear Auxiliary Controls 2 of 3 - C69
G401 - Passenger/Cargo
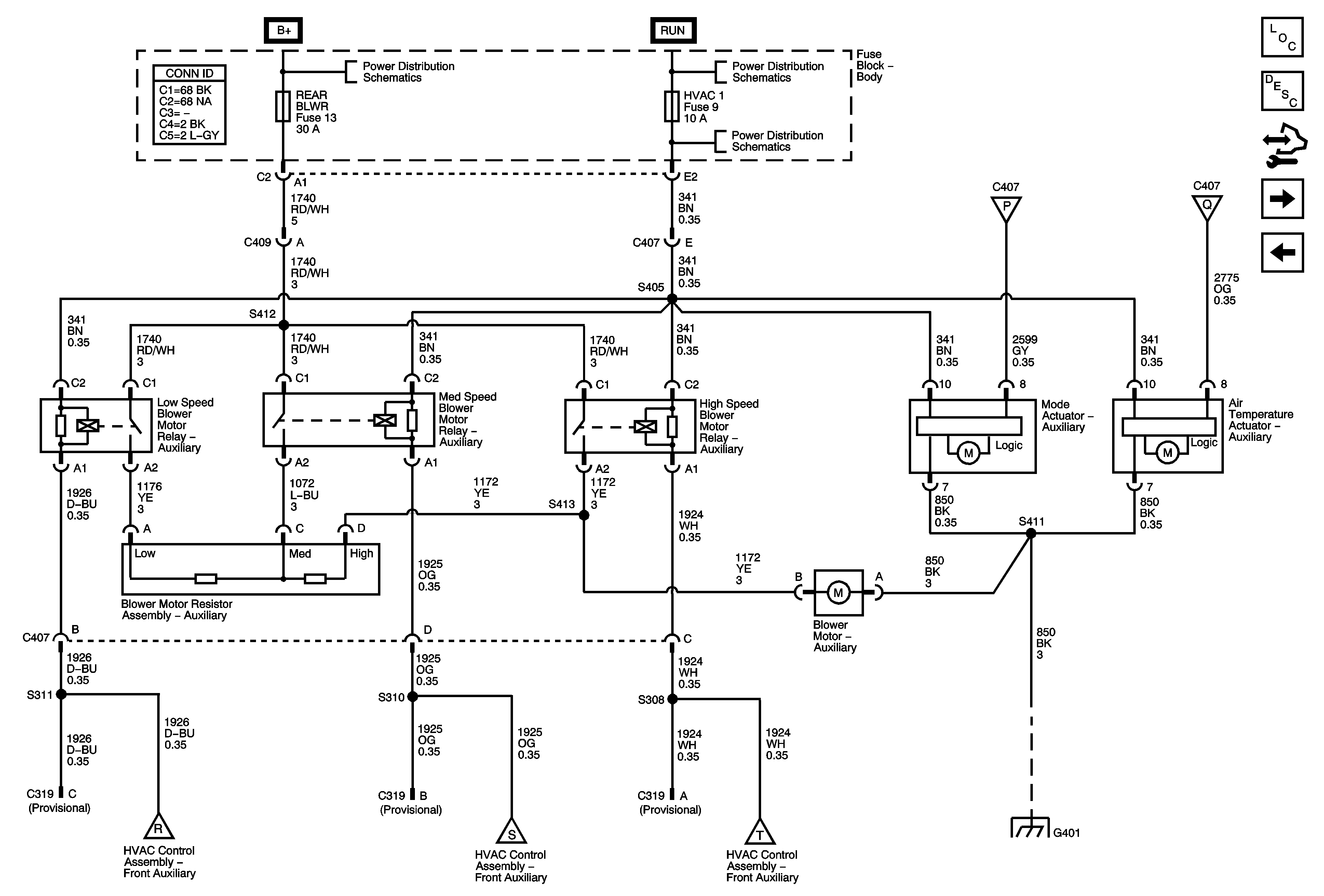
Figure 7:

Rear HVAC w/o Rear Auxiliary Controls (C69) 1 of 2


Object Number: 1753728  Size: FS
Master Electrical Component List
Air Delivery Description and Operation
Control Module References
Rear HVAC w/o Rear Auxiliary Controls 2 of 2 - C69
Rear HVAC with Rear Auxiliary Controls 3 of 3 - C69
Ignition Switch - ACCY/RUN/START, RUN, START Bus Bars and IGN A Fuse
HVAC 1 Fuse
Rear HVAC w/o Rear Auxiliary Controls 2 of 2 - C69
Rear HVAC w/o Rear Auxiliary Controls 2 of 2 - C69
I/P Dimming Supply Voltage - 3 of 3
Rear HVAC w/o Rear Auxiliary Controls 2 of 2 - C69
Rear HVAC w/o Rear Auxiliary Controls 2 of 2 - C69
Rear HVAC w/o Rear Auxiliary Controls 2 of 2 - C69
G347 - 1 of 3
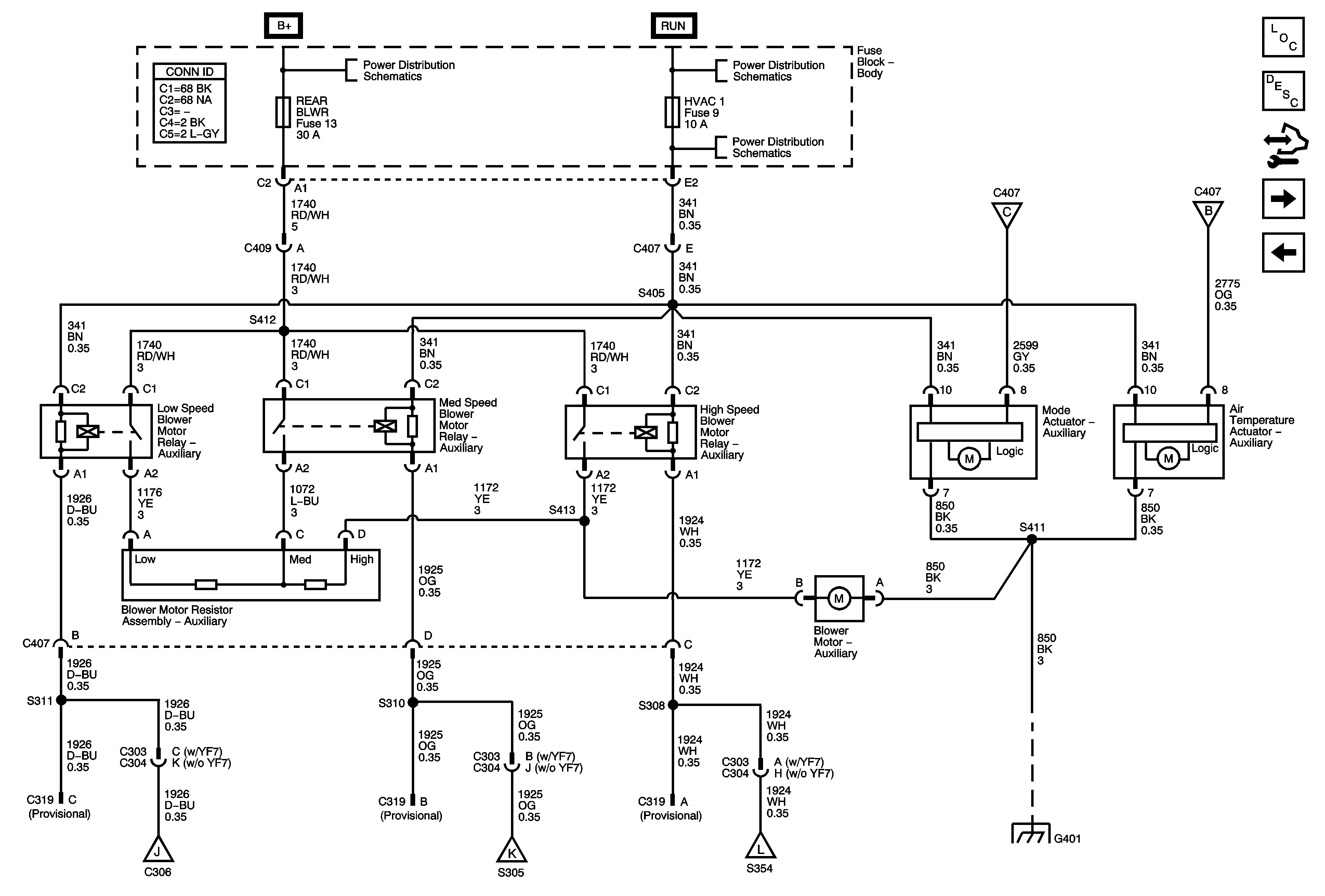
Figure 8:

Rear HVAC w/o Rear Auxiliary Controls (C69) 2 of 2


Object Number: 1753730  Size: FS
Master Electrical Component List
Air Delivery Description and Operation
Control Module References
Rear HVAC - C36 w/o C69
Rear HVAC w/o Rear Auxiliary Controls 1 of 2 - C69
B+ Bus - Body Fuse Block
Ignition Switch - ACCY/RUN/START, RUN, START Bus Bars and IGN A Fuse
HVAC 1 Fuse
Rear HVAC w/o Rear Auxiliary Controls 1 of 2 - C69
Rear HVAC w/o Rear Auxiliary Controls 1 of 2 - C69
Rear HVAC w/o Rear Auxiliary Controls 1 of 2 - C69
Rear HVAC w/o Rear Auxiliary Controls 1 of 2 - C69
Rear HVAC w/o Rear Auxiliary Controls 1 of 2 - C69
G401 - Passenger/Cargo
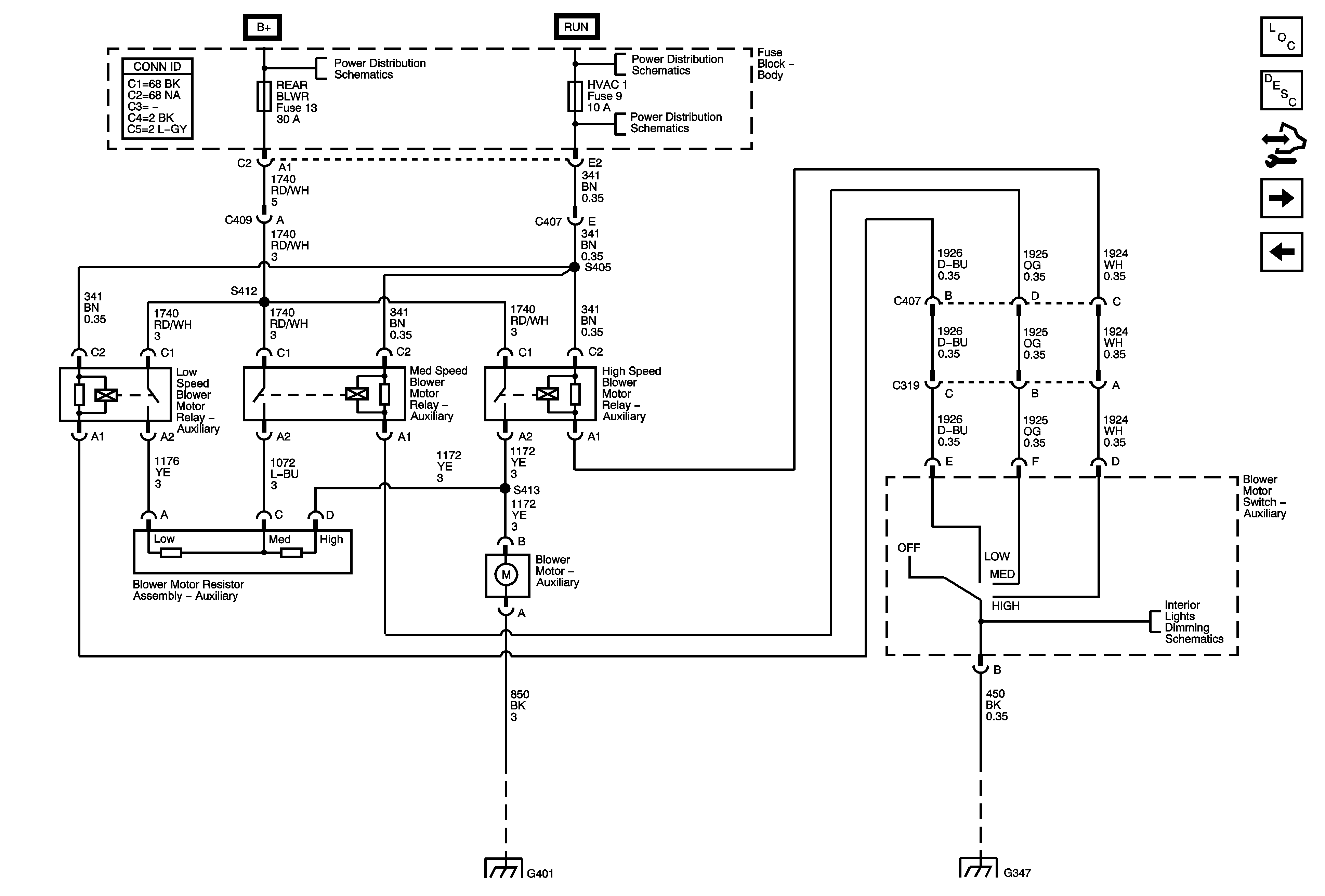
Figure 9:

Rear HVAC (C36 w/o C69)


Object Number: 1753734  Size: FS
Master Electrical Component List
Air Delivery Description and Operation
Control Module References
Coolant Heater (K08)
Rear HVAC w/o Rear Auxiliary Controls 2 of 2 - C69
B+ Bus - Body Fuse Block
Ignition Switch - ACCY/RUN/START, RUN, START Bus Bars and IGN A Fuse
HVAC 1 Fuse
I/P Dimming Supply Voltage - 2 of 3
G401 - Passenger/Cargo
G347 - 1 of 3
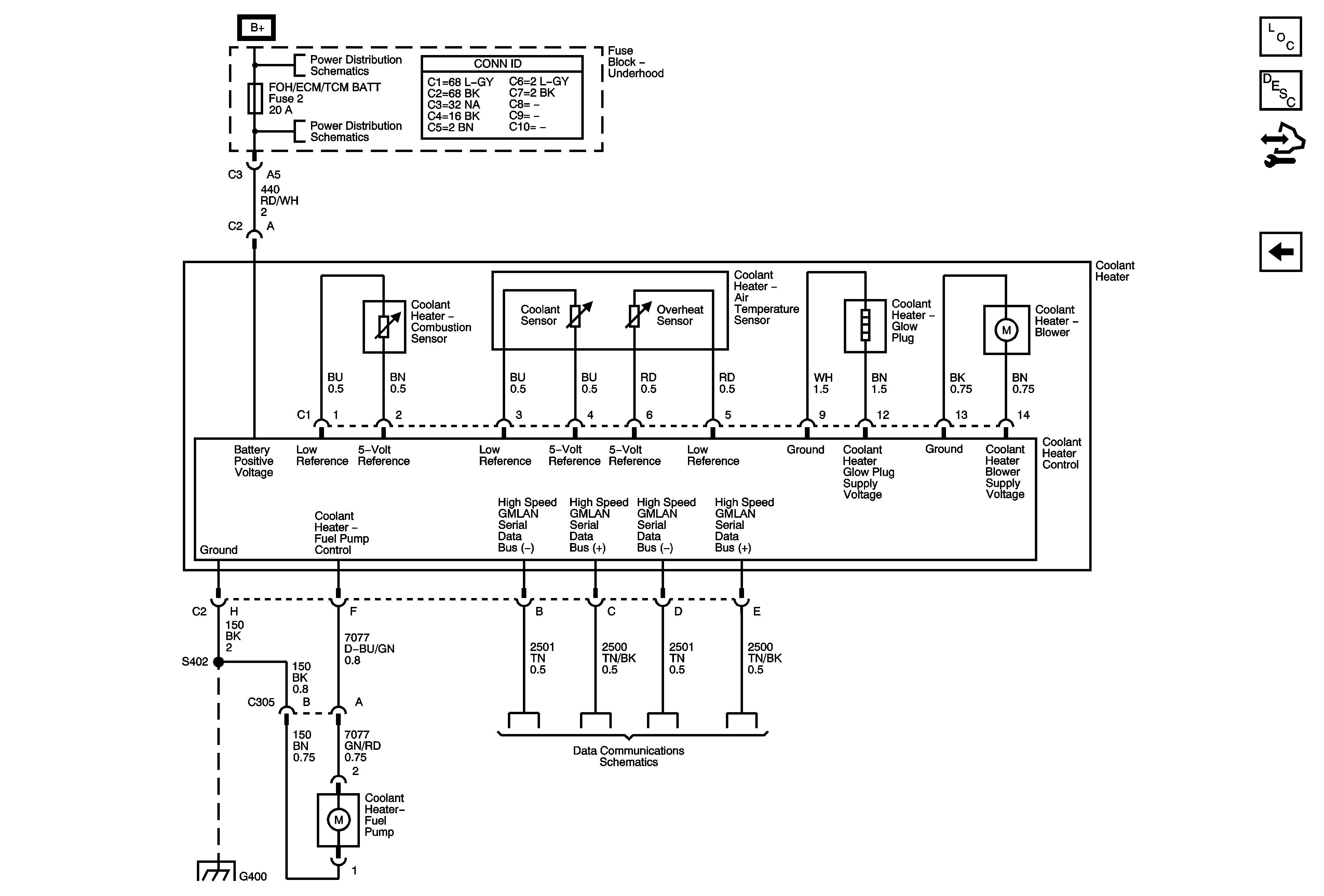
Figure 10:

Coolant Heater (K08)


Object Number: 1753735  Size: FS
Master Electrical Component List
Air Temperature Description and Operation
Control Module References
Rear HVAC - C36 w/o C69
B+ Bus - Underhood Fuse Block - Diesel
ABS/VSES, FOH/ECM/TCM BATT, PCM BATT, and TRLR Fues
G400
High Speed GMLAN and Splice Pack SP250 - Diesel