GM Service Manual Online
For 1990-2009 cars only

Tools Required

J 39400-A Electronic Halogen Leak Detector

Removal Procedure

  1. Remove the battery. Refer to Battery Replacement .
  2. Recover the refrigerant from the A/C system. Refer to Refrigerant Recovery and Recharging .
  3. Disconnect the low pressure sensor electrical connector.
  4. Disconnect the blower motor electrical connector.
  5. Disconnect the blower motor resistor assembly electrical connector.

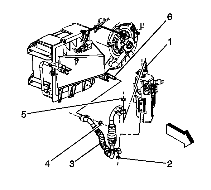
  6. Object Number: 769765  Size: SH
  7. Remove the evaporator outlet hose retaining nuts (4, 5).

  8. Object Number: 800358  Size: SH
  9. Remove the retaining nut (3) from the evaporator inlet tube (5).
  10. Remove the evaporator inlet tube from the evaporator and position aside.
  11. Remove the sealing washers.

  12. Object Number: 1874383  Size: SH
  13. Remove the fourteen screws (1) from the evaporator and blower module assembly case.
  14. Reposition the accumulator aside.
  15. Remove the evaporator and blower module assembly front cover (2) from the evaporator case (3).

  16. Object Number: 1874385  Size: SH
  17. Grasp recirculation door seal and open (1) to gain access to actuator mounting.
  18. Release actuator mounting tab (2) and slide rearward.
  19. Rotate actuator 90° clockwise (rearward) to release door linkage (3).
  20. Remove actuator vacuum line (4).
  21. Remove recirculation actuator (5).

Installation Procedure


    Object Number: 1874385  Size: SH
  1. Install the recirculation door actuator (5) to the linkage (3).
  2. Install the actuator into mounting position (2) and attach vacuum line (4).
  3. Important: Ensure the recirculation door (1) operates without binding and seals properly.

  4. Reposition the accumulator for installation.

  5. Object Number: 1874383  Size: SH
  6. Install the evaporator and blower module assembly cover (2) to evaporator case (3).
  7. Notice: Refer to Fastener Notice in the Preface section.

  8. Secure cover with the fourteen screws (1).
  9. Tighten
    Tighten the screws to 1.9 N·m (17 lb in).

  10. Install new sealing washers to the evaporator inlet and outlet tubes. Refer to Sealing Washer Replacement .

  11. Object Number: 800358  Size: SH
  12. Install the evaporator inlet tube (4) to the evaporator (5).
  13. Install the evaporator inlet tube retaining nut (3).
  14. Tighten
    Tighten the nut to 16 N·m (12 lb ft).


    Object Number: 769765  Size: SH
  15. Install the evaporator outlet hose and retaining nuts (4,5).
  16. Tighten
    Tighten the nut to 18 N·m (13 lb ft).

  17. Connect the low pressure sensor electrical connector.
  18. Connect the blower motor electrical connector.
  19. Connect the blower motor resistor assembly electrical connector.
  20. Evacuate and recharge the A/C system. Refer to Refrigerant Recovery and Recharging .
  21. Leak test the fittings of the repaired or replaced component using the J 39400-A .
  22. Install the battery. Refer to Battery Replacement .