GM Service Manual Online
For 1990-2009 cars only
Makes
🢒
Chevrolet
🢒
2007
🢒
Express
🢒 Fuel Controls - Fuel Pump, Temperature and Pressure Controls
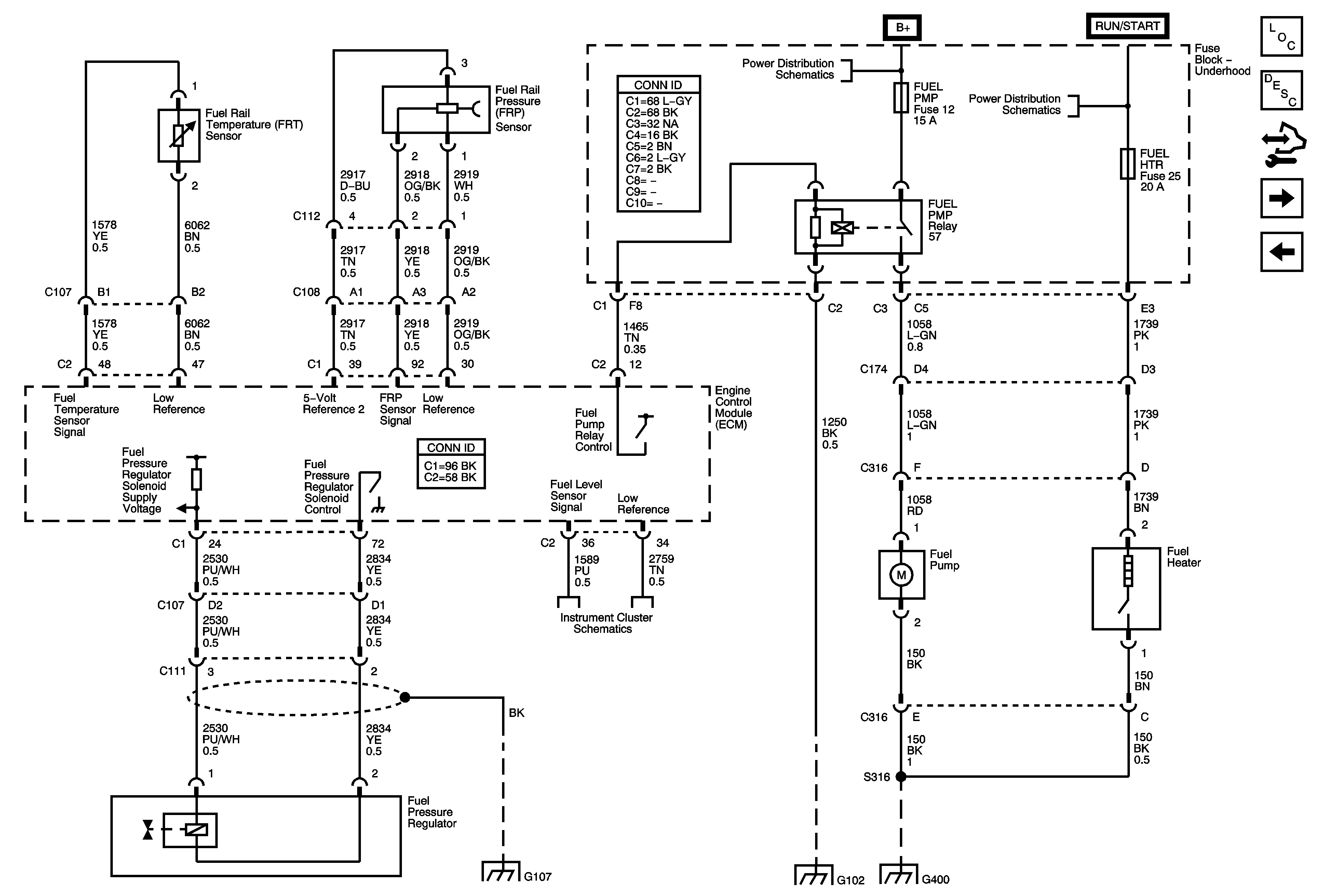
Fuel Controls - Fuel Pump, Temperature and Pressure Controls
Fuel Controls - Fuel Pump, Temperature, and Pressure Controls
Master Electrical Component List
Engine Control Module Description
Control Module References
Fuel Controls - Fuel Injectors
Engine Data Sensors - Glow Plug Controls
B+ Bus - Underhood Fuse Block - Diesel
Ignition Switch - ACCY/RUN, RUN/START Bus Bars and IGN B Fuse
Gages
G103, G104, G105, G106, G107, G108, G300, G301 and G305
G102
G400