GM Service Manual Online
For 1990-2009 cars only
Makes
🢒
Chevrolet
🢒
2007
🢒
Express
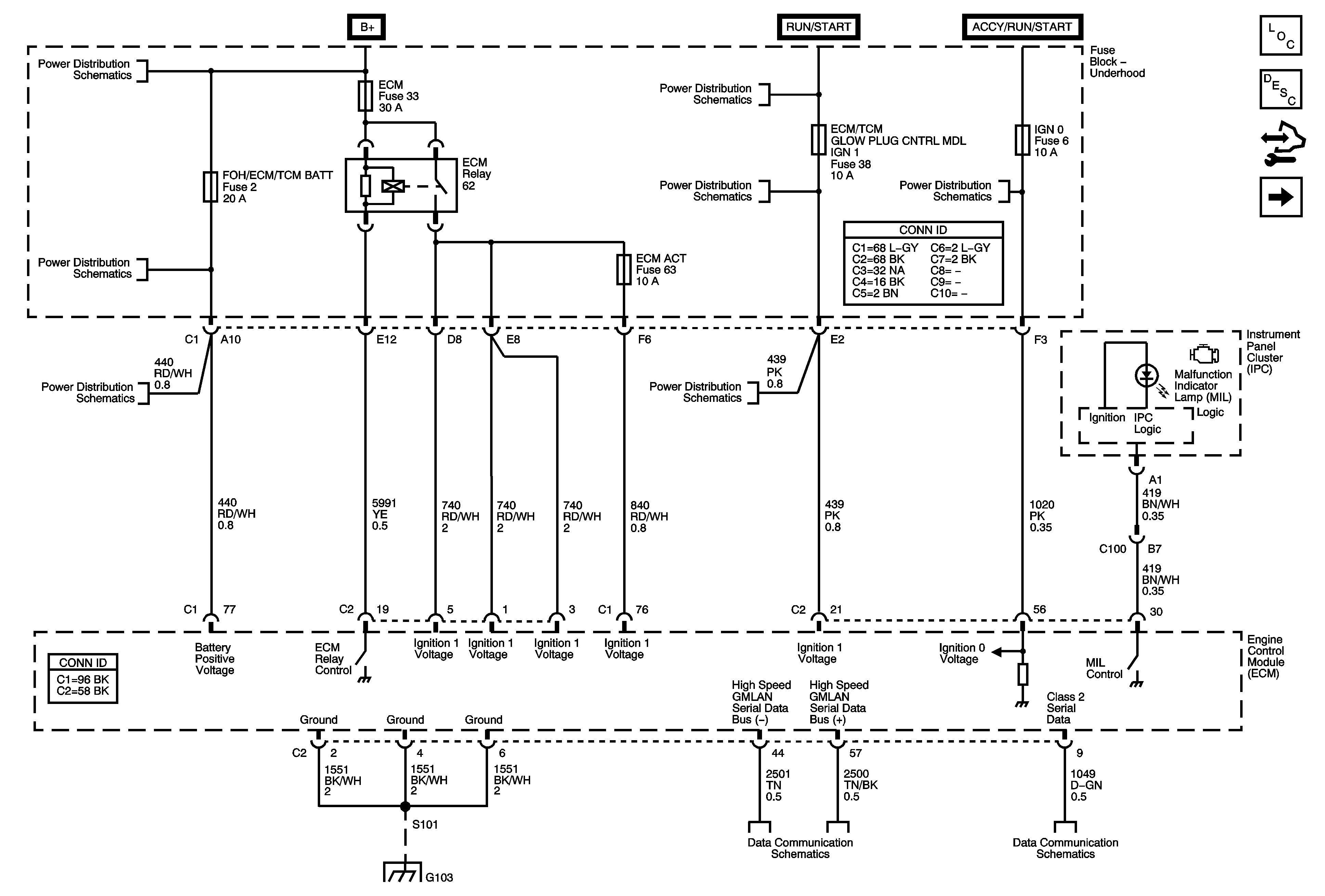
🢒 Module Power, Ground, Serial Data and MIL
Module Power, Ground, Serial Data and MIL
Module Power, Ground, Serial Data, and MIL
Master Electrical Component List
Engine Control Module Description
Control Module References
Engine Data Sensors - 5-Volt and Low Reference - 1 of 2
B+ Bus - Underhood Fuse Block - Diesel
ABS/VSES, FOH/ECM/TCM BATT, PCM BATT, and TRLR Fues
ABS/VSES, FOH/ECM/TCM BATT, PCM BATT, and TRLR Fues
Ignition Switch - ACCY/RUN, RUN/START Bus Bars and IGN B Fuse
BTSI, BTSI BCK/UP, ECM/TCM/GLOW PLUG CNTRL MDL IGN 1, FUEL HTR, O2 SNSR A, O2 SNSR B, PCM IGN 1, SPARE and TRLR BCK/UP Fuses
BTSI, BTSI BCK/UP, ECM/TCM/GLOW PLUG CNTRL MDL IGN 1, FUEL HTR, O2 SNSR A, O2 SNSR B, PCM IGN 1, SPARE and TRLR BCK/UP Fuses
BRK, CRNK, FRT WPR, HVAC, ING 0, TBC ACCY and TBC/TCM ACCY Fuses
G103, G104, G105, G106, G107, G108, G300, G301 and G305
High Speed GMLAN and Splice Pack SP250 - Diesel
Power, Ground, DLC and Splice Pack SP200