GM Service Manual Online
For 1990-2009 cars only
Makes
🢒
Chevrolet
🢒
2007
🢒
Express
🢒 4.8L, 5.3L and 6.0L
4.8L, 5.3L and 6.0L
4.8L, 5.3L and 6.0L
Master Electrical Component List
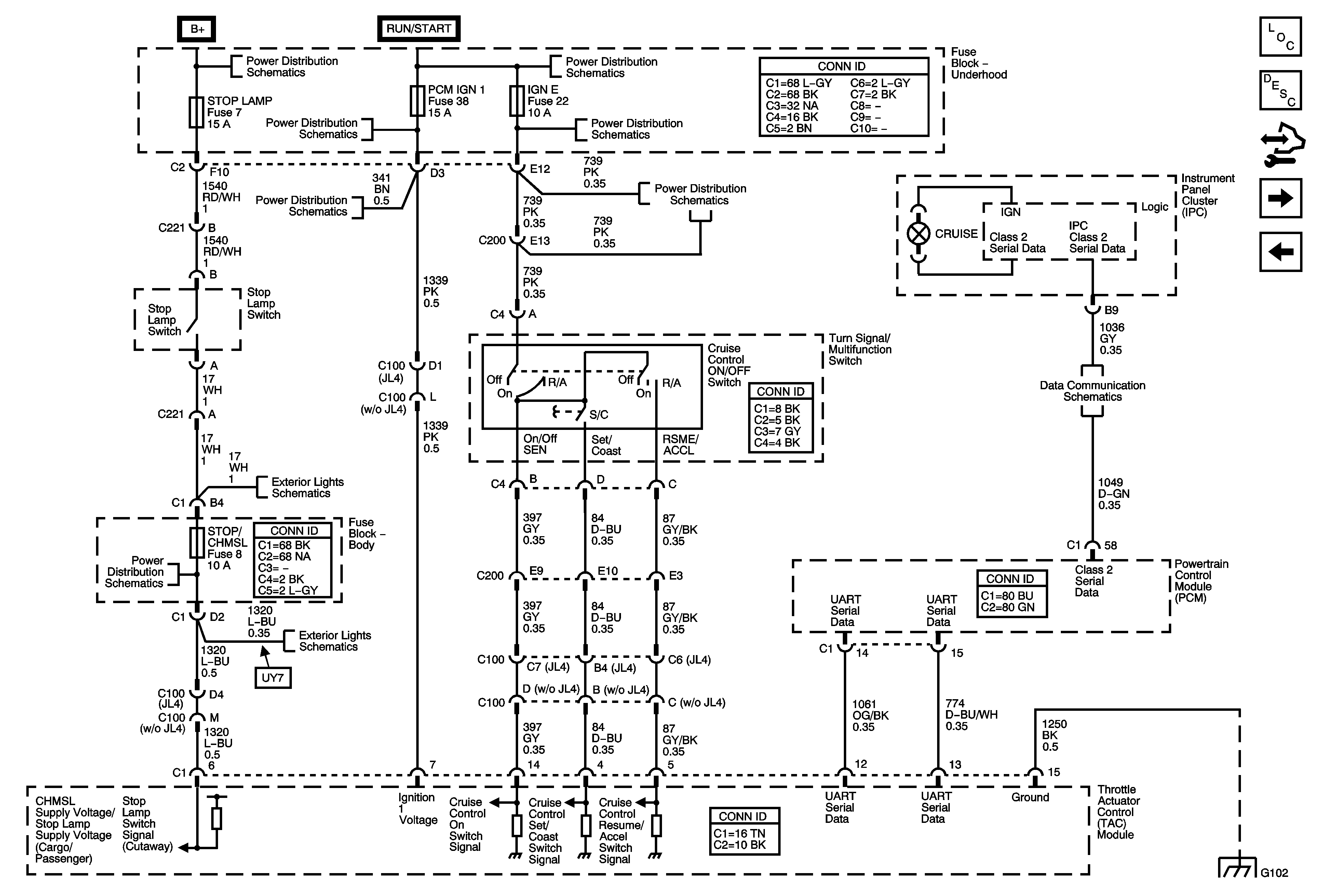
Cruise Control Description and Operation (With Throttle Actuator Control)
Control Module References
6.6L
4.3L
Power, Ground, DLC and Splice Pack SP200
G102
B+ Bus - Underhood Fuse Block - Gas
BTSI, BTSI BCK/UP, ECM/TCM/GLOW PLUG CNTRL MDL IGN 1, FUEL HTR, O2 SNSR A, O2 SNSR B, PCM IGN 1, SPARE and TRLR BCK/UP Fuses
BTSI, BTSI BCK/UP, ECM/TCM/GLOW PLUG CNTRL MDL IGN 1, FUEL HTR, O2 SNSR A, O2 SNSR B, PCM IGN 1, SPARE and TRLR BCK/UP Fuses
Ignition Switch - ACCY/RUN, RUN/START Bus Bars and IGN B Fuse
AIRBAG, FAN CLTCH, IGN E, ISRVM, SPARE and TBC IGN 1 Fuses
AIRBAG, FAN CLTCH, IGN E, ISRVM, SPARE and TBC IGN 1 Fuses
Stop Lamp Switch
DRV PWR TRN MIR, PASS TRN MIR and STOP/CHMSL Fuses
Stop Lamp Switch