GM Service Manual Online
For 1990-2009 cars only
Makes
🢒
Chevrolet
🢒
2007
🢒
Express
🢒 Hydraulic Brakes Schematics
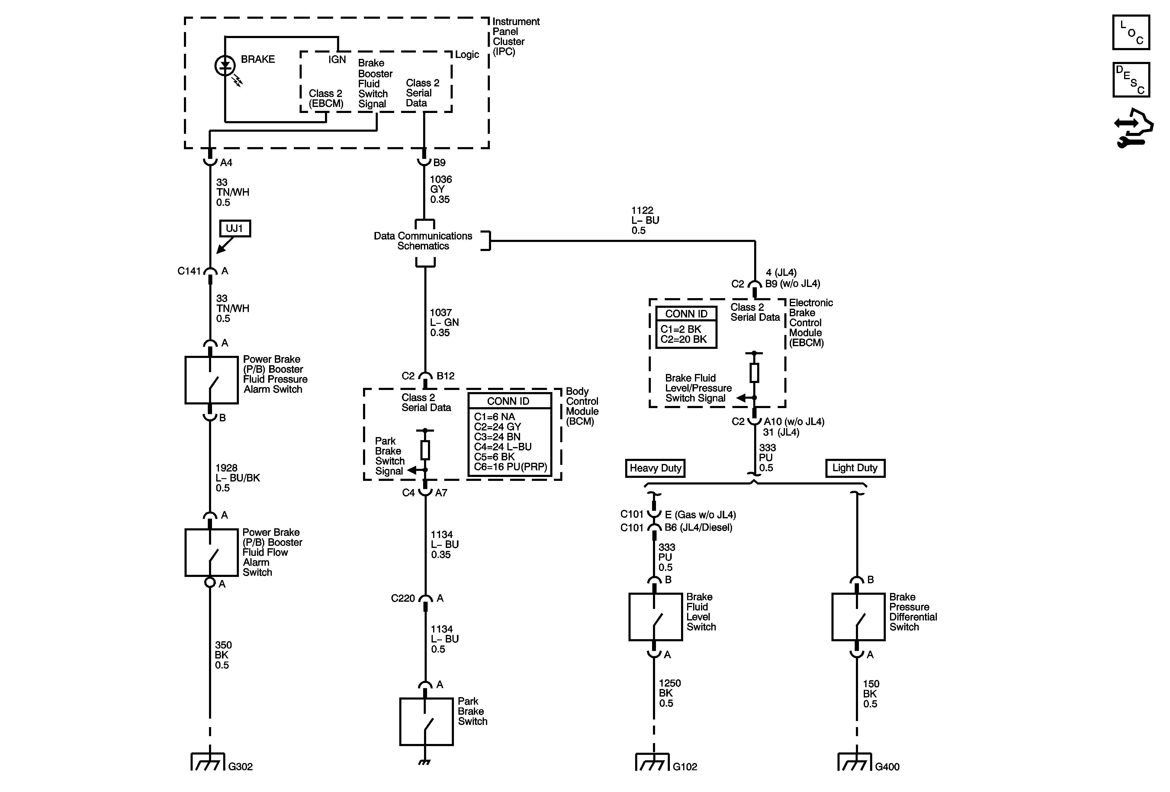
Hydraulic Brakes Schematics
Master Electrical Component List
Brake Warning System Description and Operation
Control Module References
Power, Ground, DLC and Splice Pack SP200
G302
G102
G400