GM Service Manual Online
For 1990-2009 cars only
Makes
🢒
Chevrolet
🢒
2007
🢒
Express
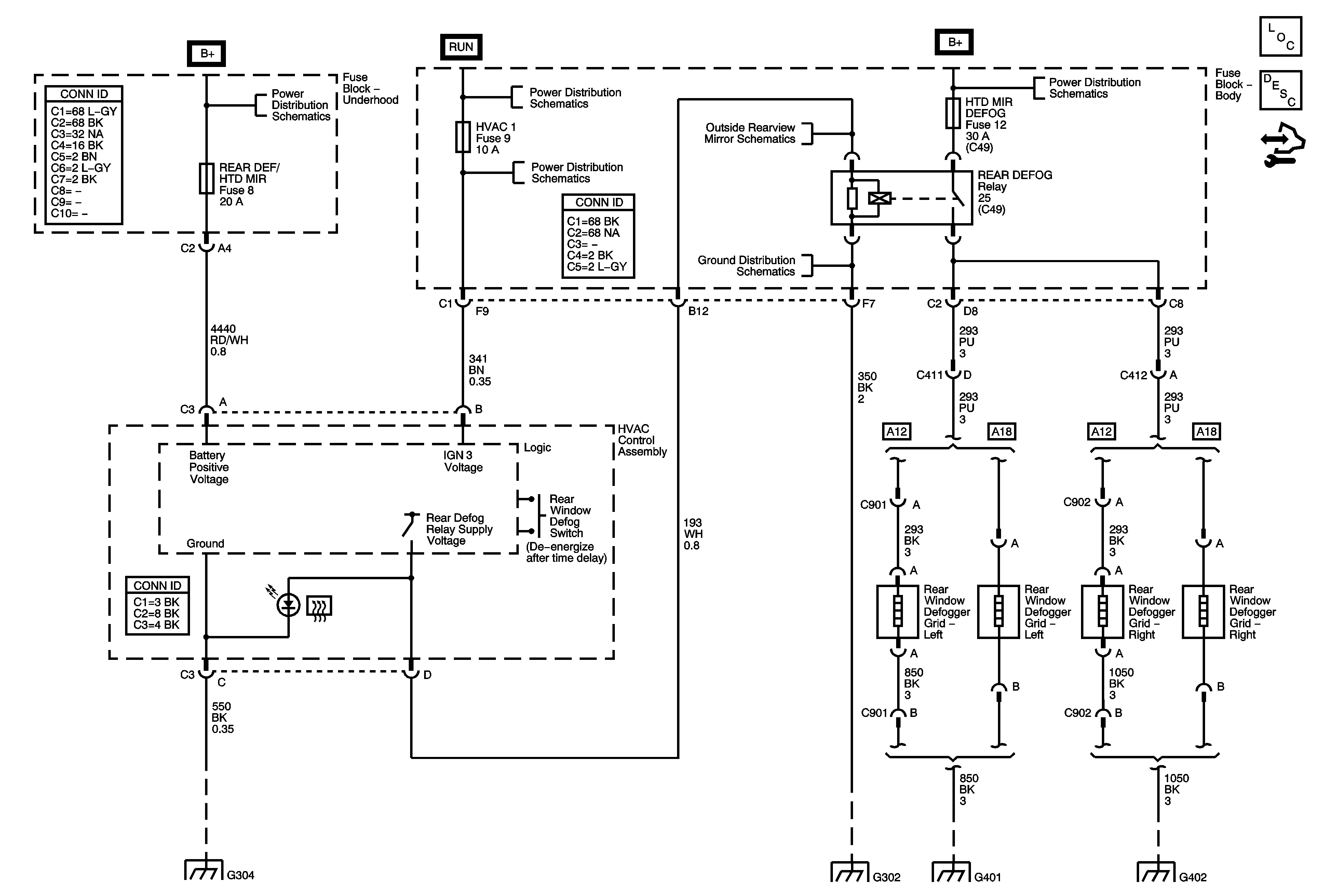
🢒 Defogger Schematics
Defogger Schematics
Master Electrical Component List
Rear Window Defogger Description and Operation
Control Module References
B+ Bus - Underhood Fuse Block - Gas
Ignition Switch - ACCY/RUN/START, RUN, START Bus Bars and IGN A Fuse
HVAC 1 Fuse
Heated Mirrors
G302
B+ Bus - Body Fuse Block
G304
G302
G401 - Passenger/Cargo
G401 - Passenger/Cargo and G403 - PRP