GM Service Manual Online
For 1990-2009 cars only
Makes
🢒
Chevrolet
🢒
2007
🢒
Express
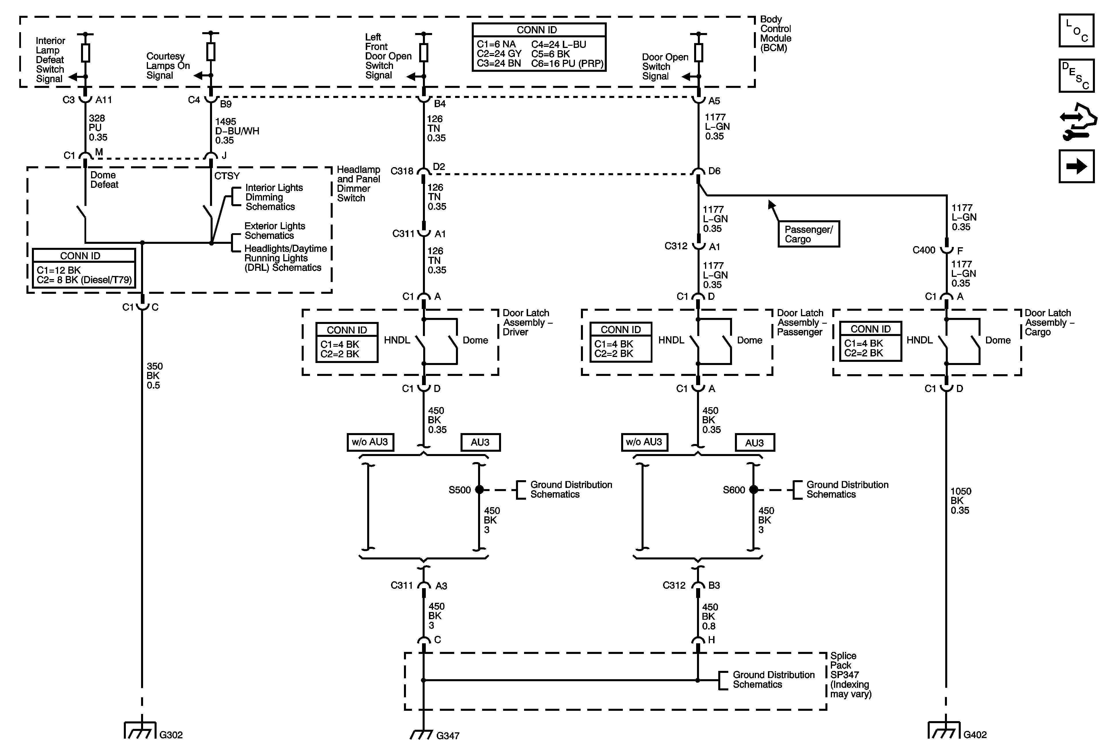
🢒 Dome and Courtesy Lamp Switch Signals and Door Latch Assemblies
Dome and Courtesy Lamp Switch Signals and Door Latch Assemblies
Dome and Courtesy Lamp Switch Signals and Door Latch Assemblies
Master Electrical Component List
Interior Lighting Systems Description and Operation
Control Module References
Courtesy Lamps - YF7
I/P Dimming Supply Voltage - 1 of 3 and LED Dimming Supply Voltage
Park Lamp Relay Control and Front Park Lamps
Headlamps
G347 - 1 of 3
G347 - 2 of 3
G302
G347 - 2 of 3
G401 - Passenger/Cargo and G403 - PRP