GM Service Manual Online
For 1990-2009 cars only
Makes
🢒
Chevrolet
🢒
2007
🢒
Express
🢒 Underhood/Vanity Lamps and Door Jamb Switches
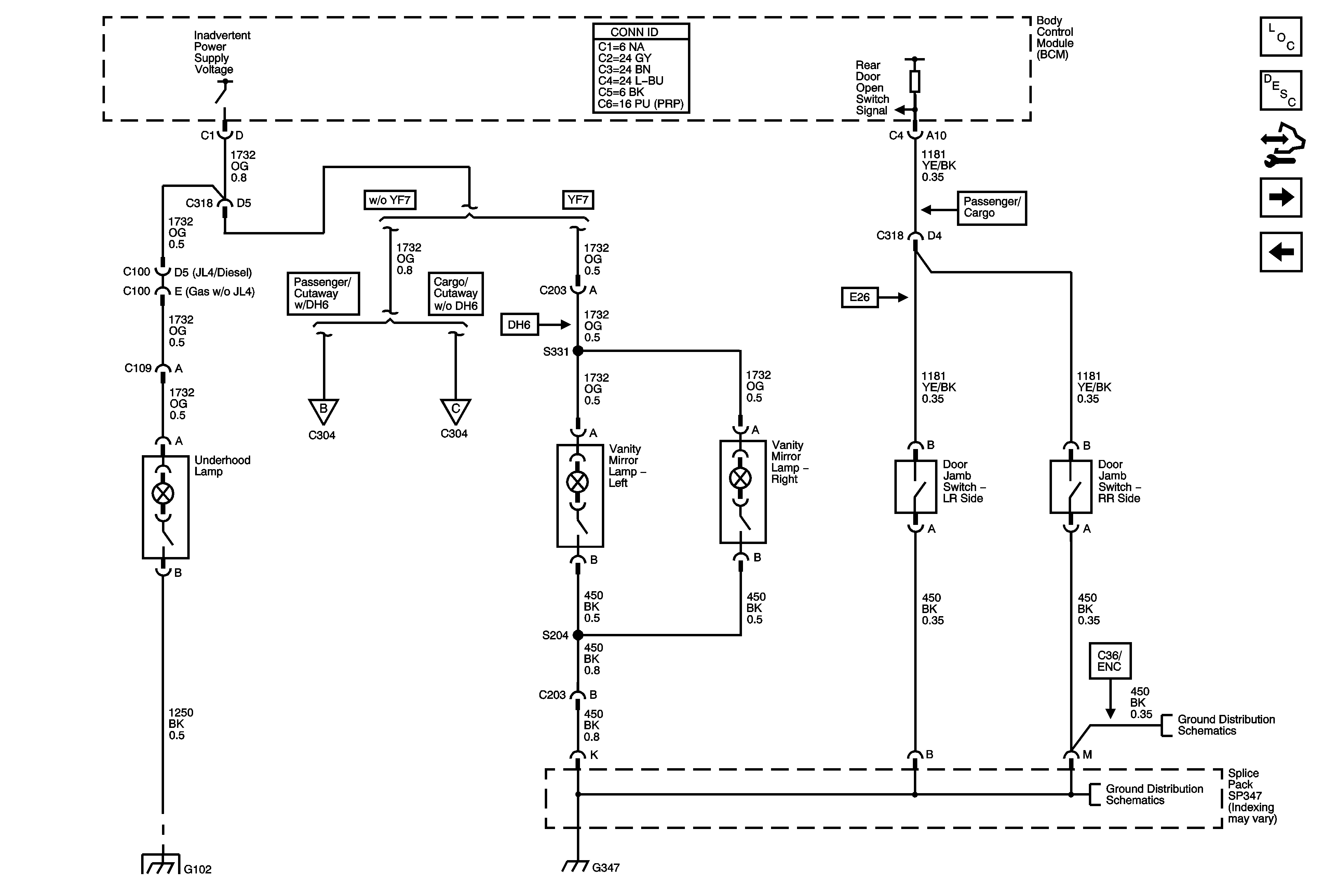
Underhood/Vanity Lamps and Door Jamb Switches
Underhood/Vanity Lamps and Door Jamb Switches
Master Electrical Component List
Interior Lighting Systems Description and Operation
Control Module References
Dome Fluorescent Work Lamps - PRP w/ UF2
Courtesy Lamps - w/o YF7 - 2 of 2
Courtesy Lamps - w/o YF7 - 2 of 2
Courtesy Lamps - w/o YF7 - 1 of 2
G102
G347 - 2 of 3
G347 - 2 of 3