GM Service Manual Online
For 1990-2009 cars only
Makes
🢒
Chevrolet
🢒
2007
🢒
Express
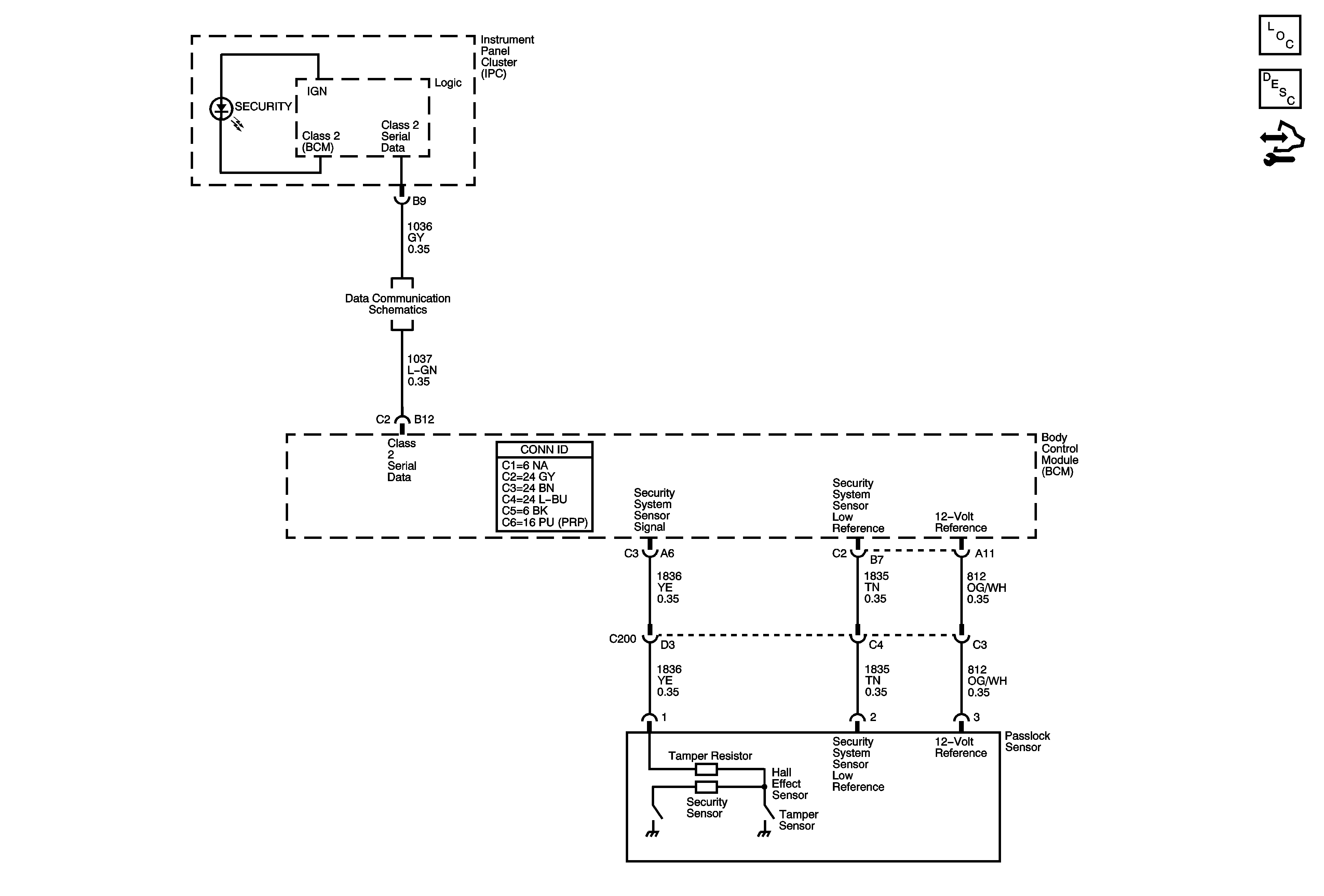
🢒 Theft Deterrent System Schematics
Theft Deterrent System Schematics
Master Electrical Component List
Immobilizer Description and Operation
Control Module References
Power, Ground, DLC and Splice Pack SP200