GM Service Manual Online
For 1990-2009 cars only
Makes
🢒
Chevrolet
🢒
2007
🢒
Express
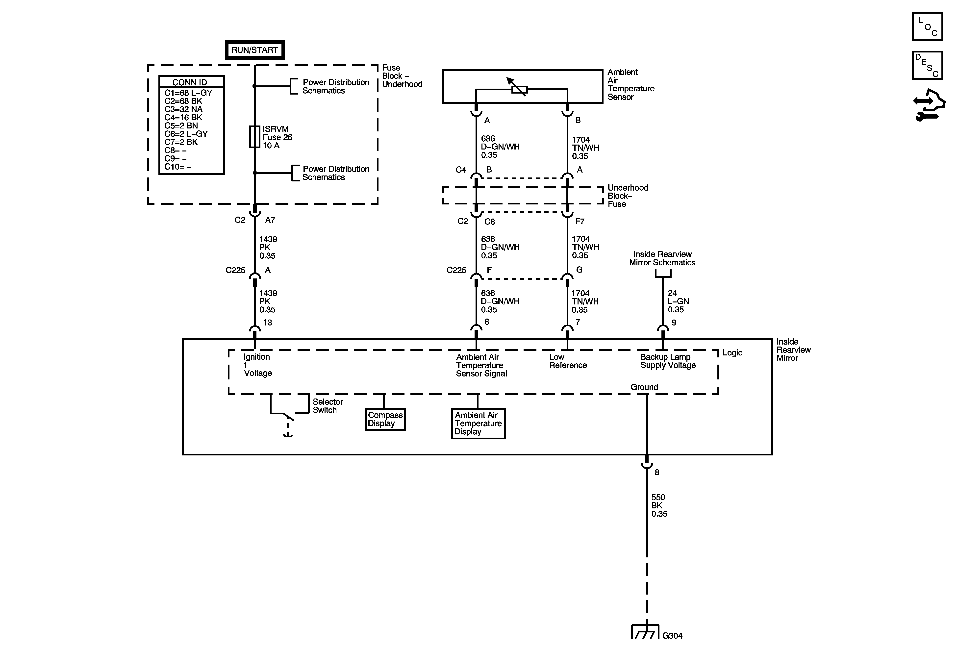
🢒 Inside Rearview Mirror Schematics
Inside Rearview Mirror Schematics
Inside Rearview Mirror
Master Electrical Component List
Automatic Day-Night Mirror Description and Operation
Control Module References
Ignition Switch - ACCY/RUN, RUN/START Bus Bars and IGN B Fuse
AIRBAG, FAN CLTCH, IGN E, ISRVM, SPARE and TBC IGN 1 Fuses
Inside Rearview Mirror Schematics
G304