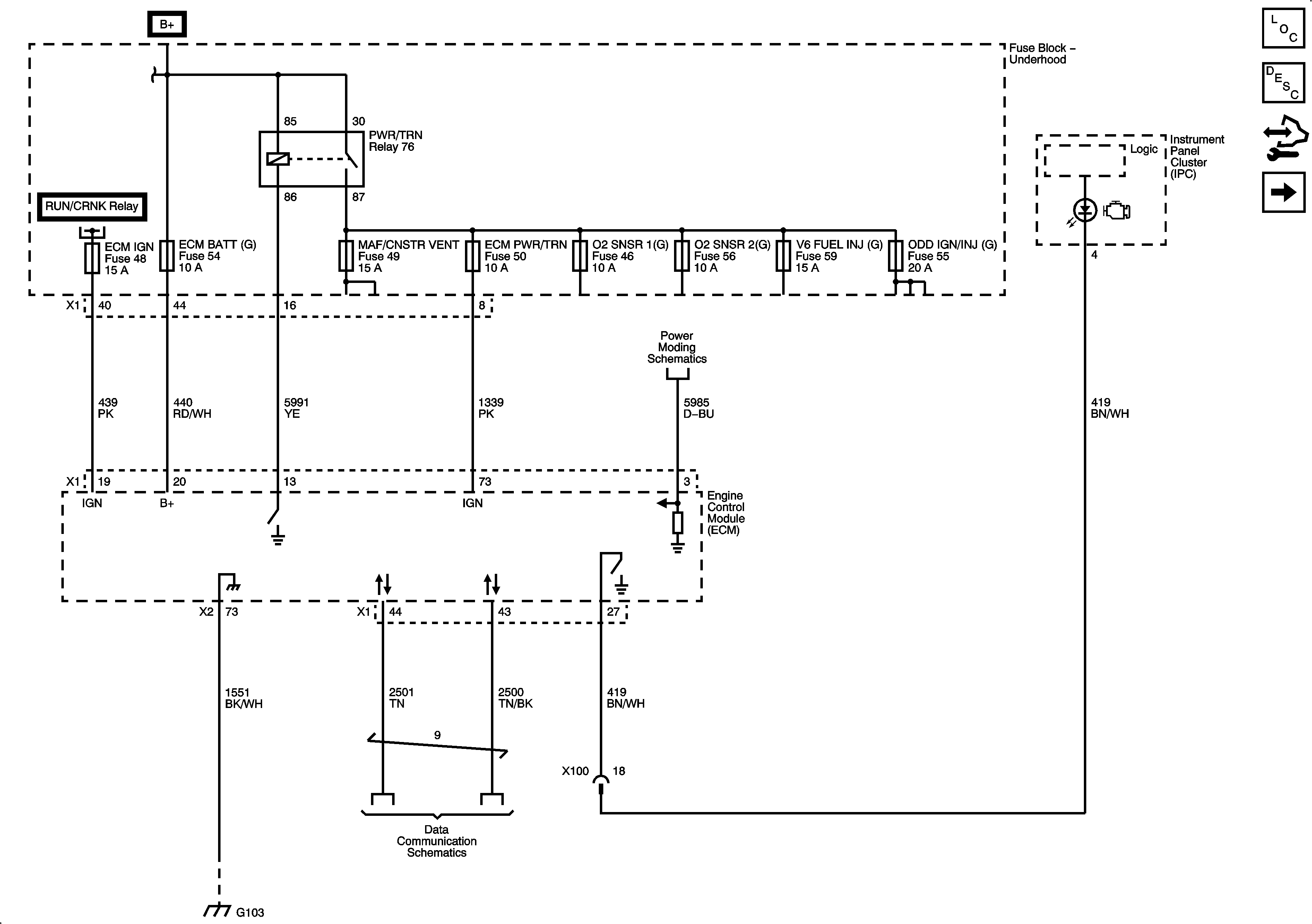
| Figure 1: |
Module Power, Ground, Serial Data and MIL
|
| Figure 2: |
Engine Data Sensors - 5-Volt and Low Reference
|
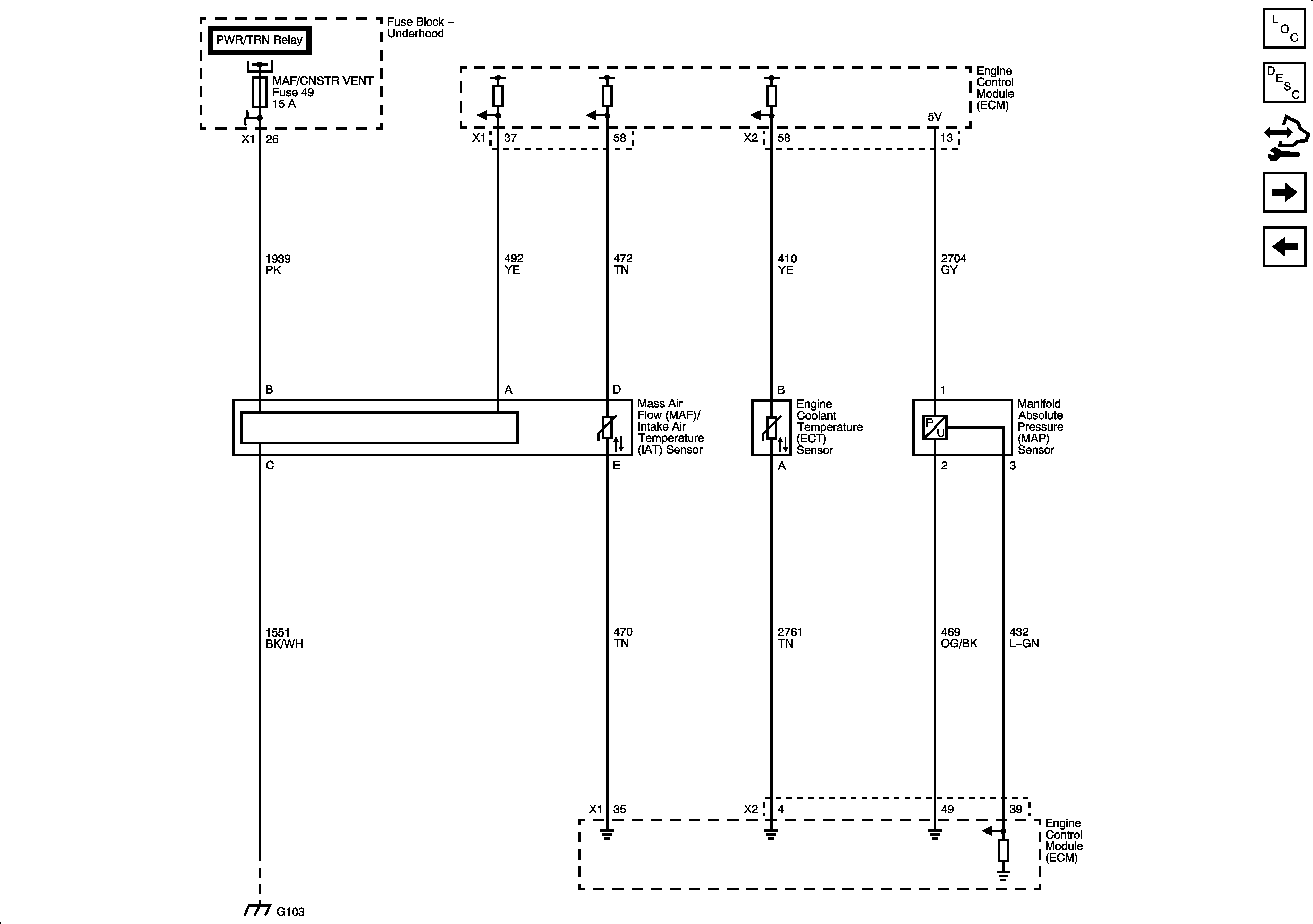
| Figure 3: |
Engine Data Sensors - Pressure, Temperature and Position
|
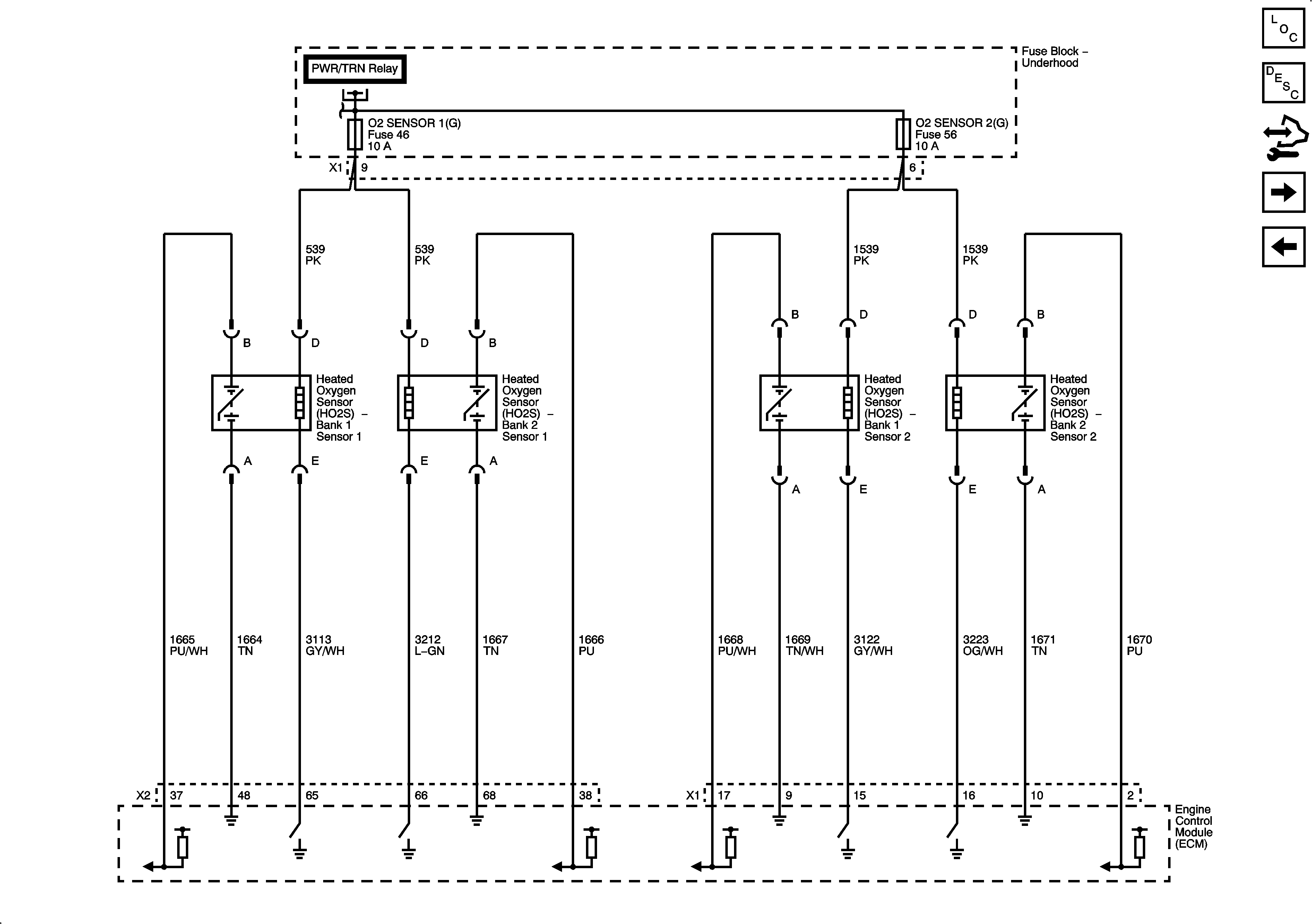
| Figure 4: |
Engine Data Sensors - Oxygen Sensors
|
| Figure 5: |
Throttle Controls
|
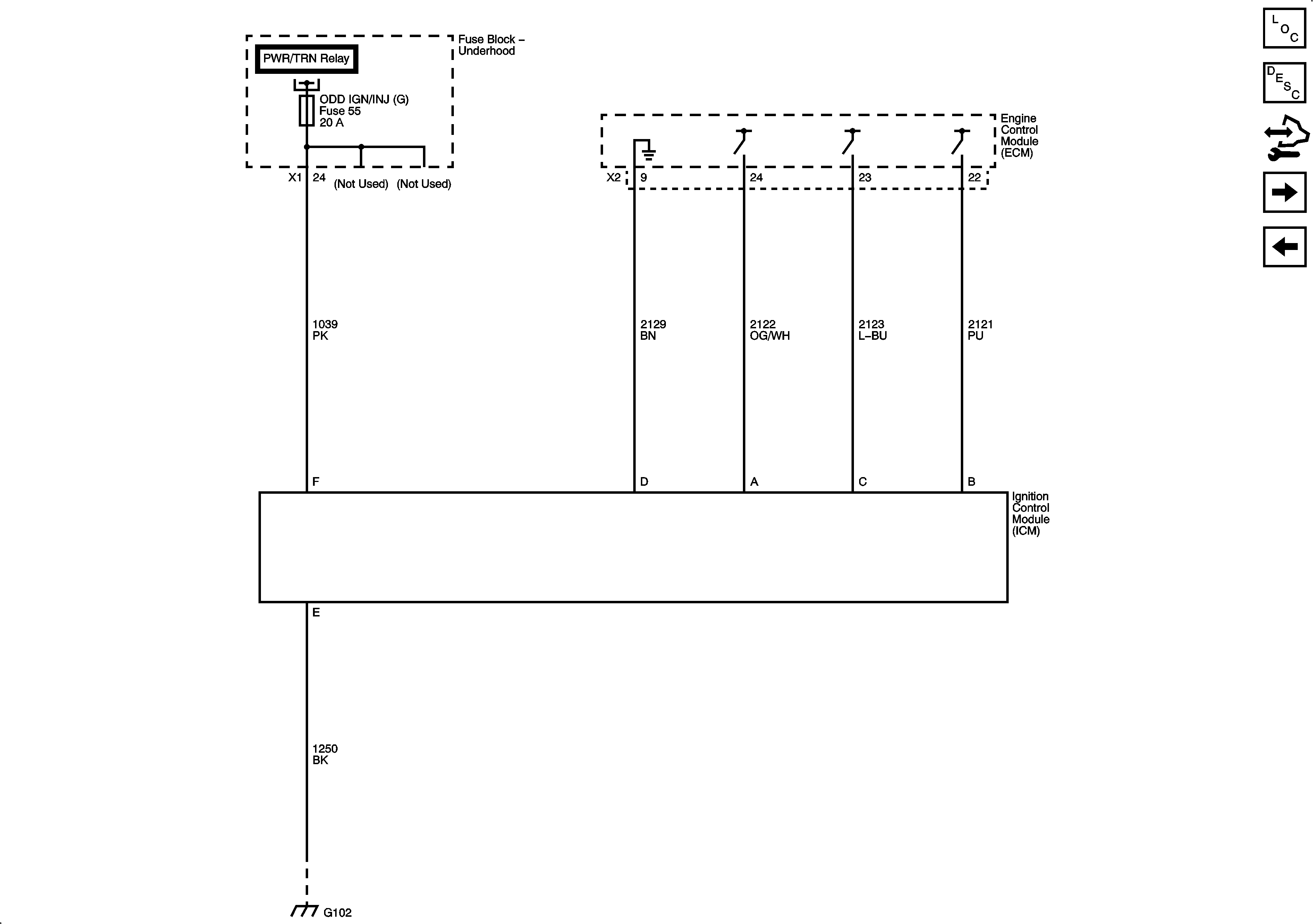
| Figure 6: |
Ignition Controls - Ignition Control Module
|
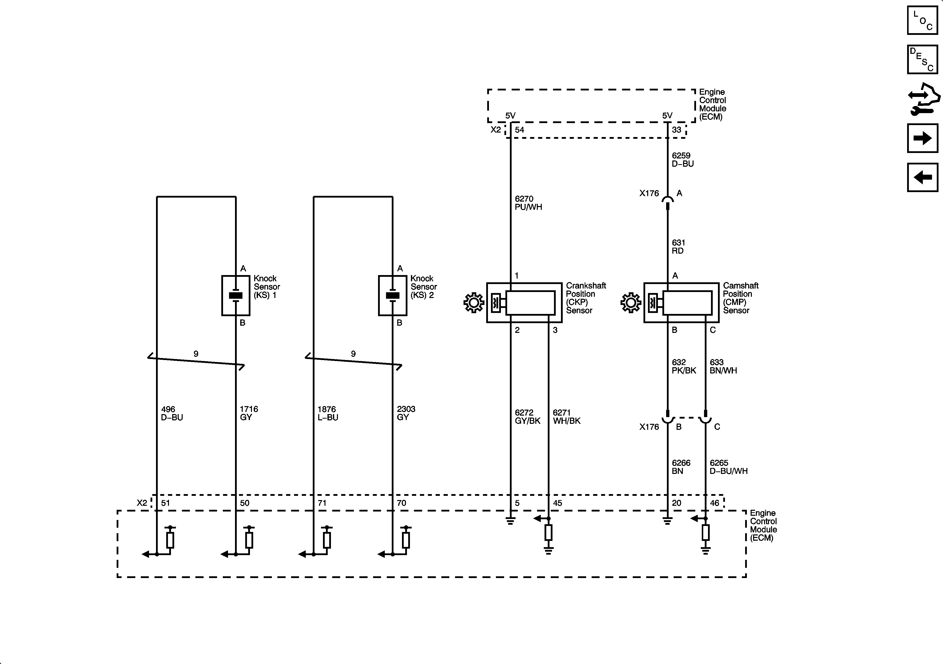
| Figure 7: |
Ignition Controls - Sensors
|
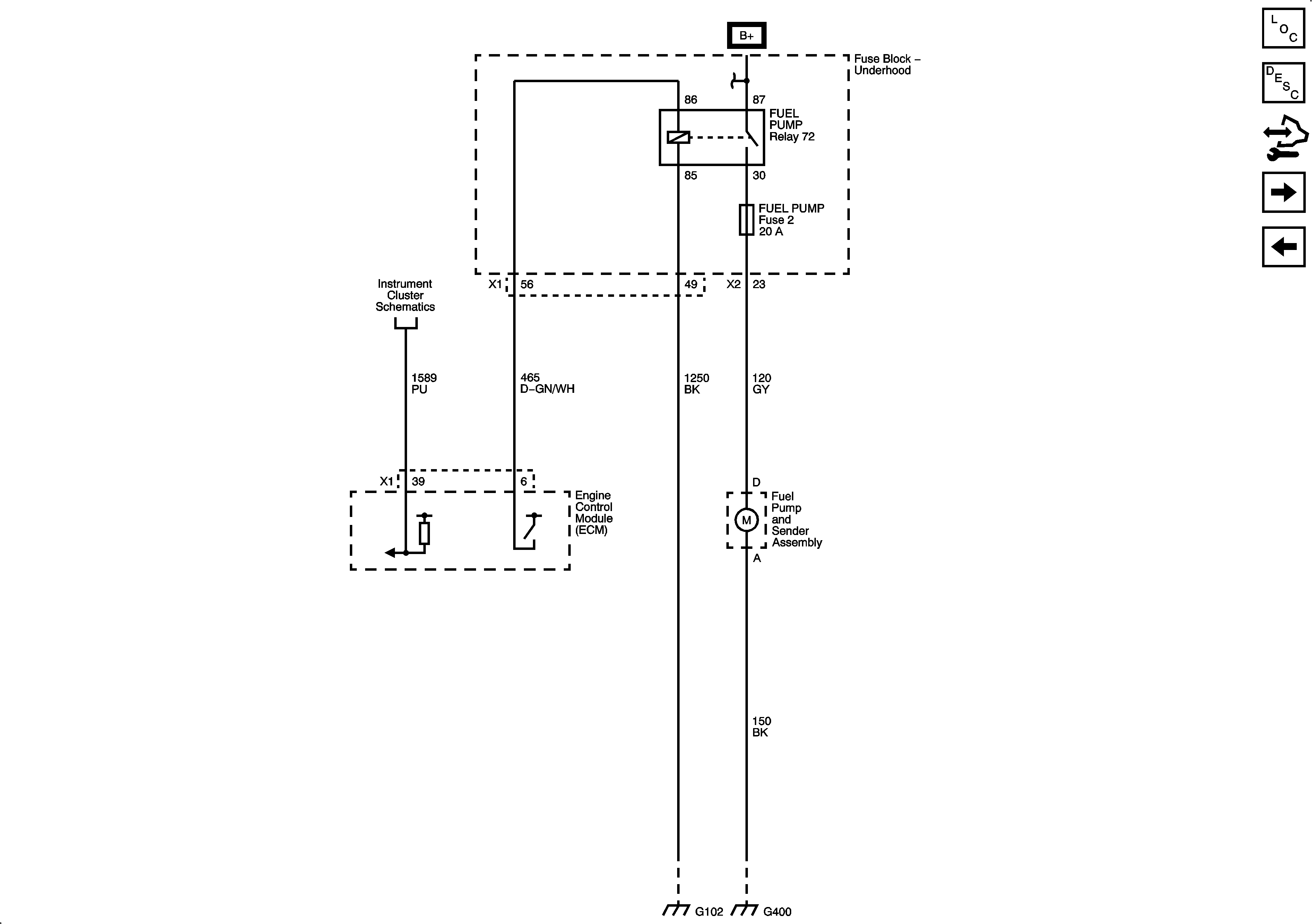
| Figure 8: |
Fuel Controls - Fuel Pump Controls
|
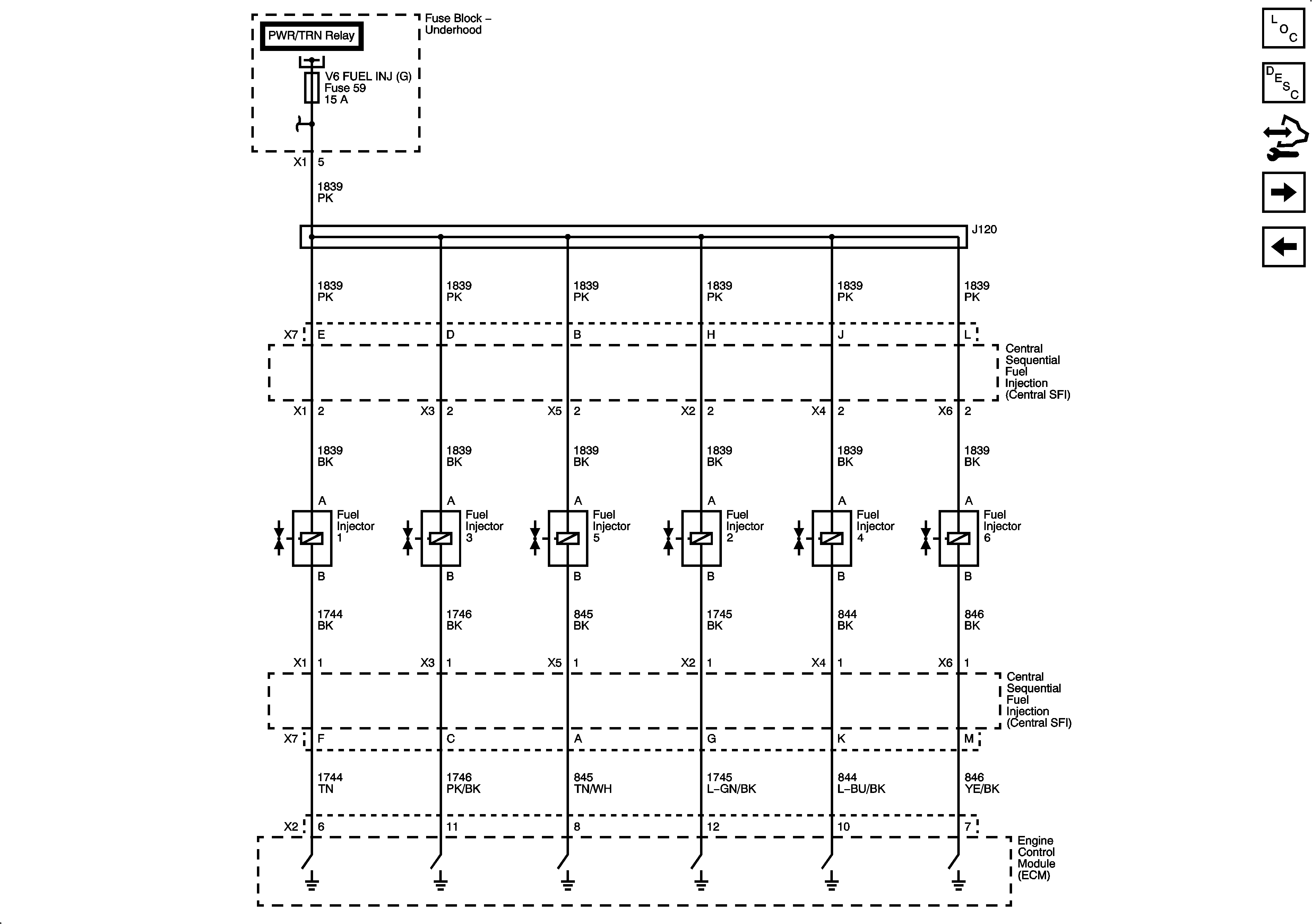
| Figure 9: |
Fuel Controls - Fuel Injectors
|
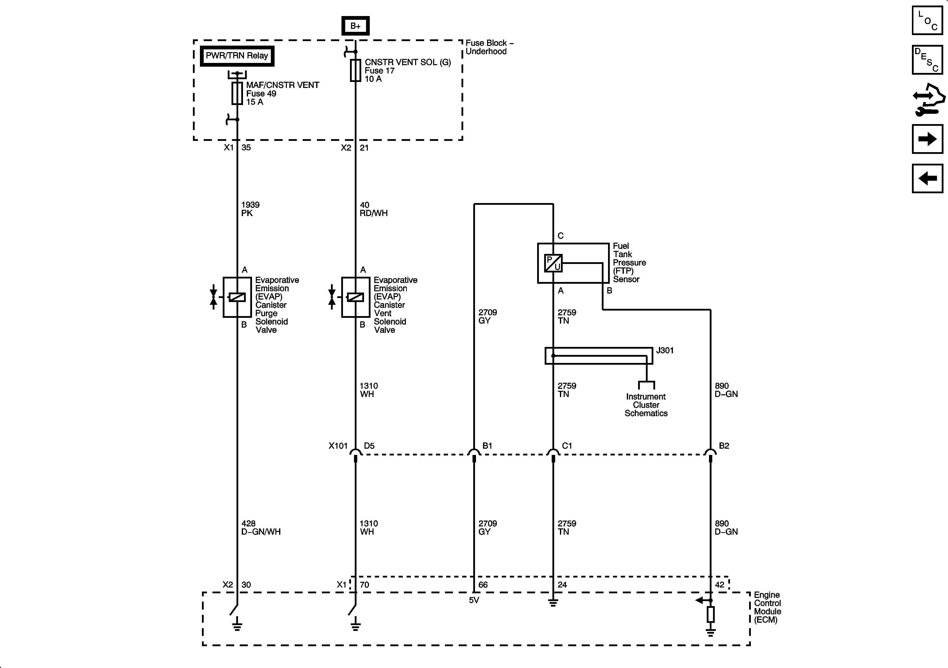
| Figure 10: |
Fuel Controls - EVAP and Device Controls
|
| Figure 11: |
Controlled/Monitored Subsystem References
|