Removal Procedure
Important: Clean all the fuel pipe connections and surrounding areas before disconnecting the pipes in order to avoid possible fuel system contamination.
- Relieve the fuel system pressure. Refer to
Fuel Pressure Relief
.
- Disconnect the chassis fuel feed pipe from the engine compartment feed pipe. Refer to
Metal Collar Quick Connect Fitting Service
.
- Cap the fuel pipe in order to prevent possible fuel system contamination.
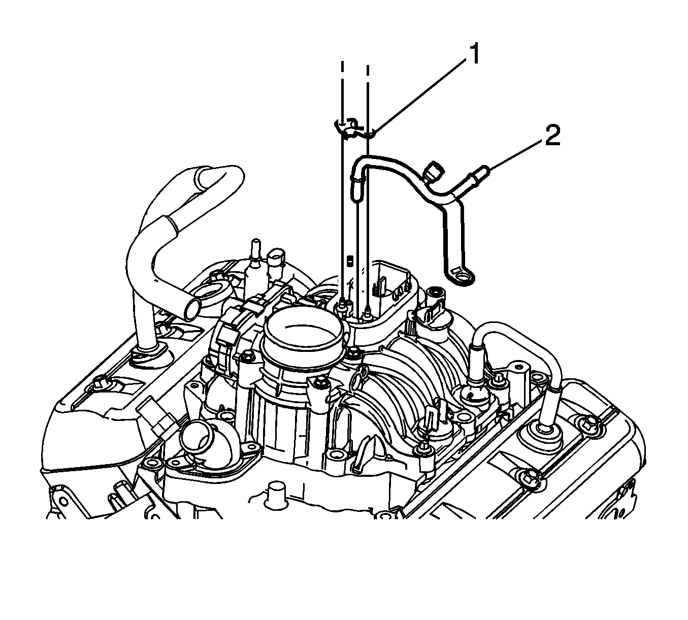
- Remove the fuel pipe retainer nuts (1).
- Remove the fuel pipe bracket bolt (2).
- Remove the fuel pipe retainer (1).
- Pull straight up on the pipe (2) in order to remove the pipe from the fuel meter body.
- Remove and discard the following components from the fuel meter body.
Installation Procedure
- Install the following NEW components to the fuel meter body.
Caution: Always apply a few drops of clean engine oil to the male pipe ends before
connecting the fuel pipe fittings in order to reduce the risk
of fire and personal injury. This will ensure proper reconnection and prevent
a possible fuel leak. During normal operation, the O-rings located in the
female connector will swell and may prevent proper reconnection if not lubricated.
- Apply a few drops of clean engine oil to the fuel pipe end.
- Install the fuel pipe to the fuel meter body.
- Install the fuel pipe retainer (1).
Notice: Refer to Fastener Notice in the Preface section.
- Install the fuel pipe bracket bolt (2).
Tighten
Tighten the bolt to 6 N·m (53 lb in).
- Install the fuel pipe retainer nuts (1).
Tighten
Tighten the nuts to 3 N·m (27 lb in).
- Remove the cap from the chassis fuel pipe.
- Connect the chassis fuel feed pipe to the engine compartment feed pipe. Refer to
Metal Collar Quick Connect Fitting Service
.
- Install the engine cover. Refer to
Engine Cover Replacement
.