GM Service Manual Online
For 1990-2009 cars only

Removal Procedure

Important: Prior to removing the spark plug wire(s) note the correct routing of the wires as required.


    Object Number: 1950006  Size: SH
  1. Remove the engine cover. Refer to Engine Cover Replacement .
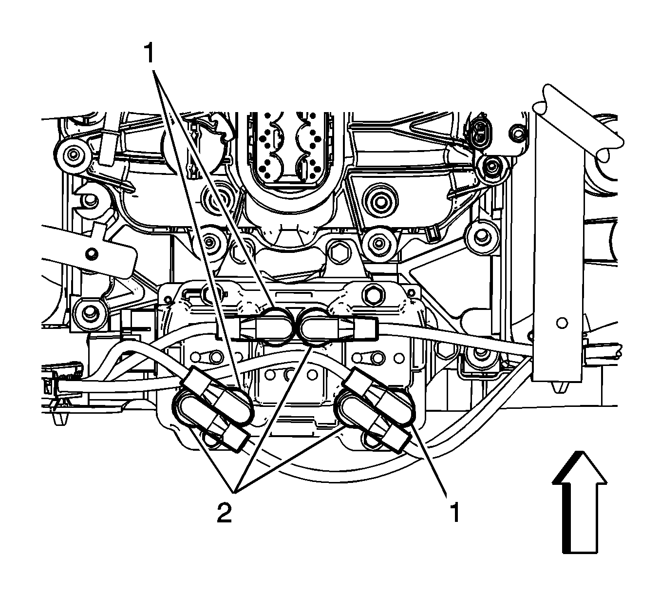
  2. Remove the appropriate bank 1 spark plug wire boot(s) (1), or bank 2 spark plug wires boot(s) (2) from the ignition coil.
  3. 2.1. Twist the spark plug boot 1/2 turn.
    2.2. Pull ONLY on the spark plug boot or use a tool designed for this purpose, in order to remove the spark plug wire boot from the ignition coil.

    Object Number: 1950007  Size: SH
  4. If required, remove the appropriate left side spark plug wire boot(s) (2) from the spark plug(s).
  5. 3.1. Twist the spark plug boot 1/2 turn.
    3.2. Pull ONLY on the spark plug boot or use a tool designed for this purpose in order to remove the spark plug wire boot from the spark plug.
  6. Open the spark plug wire separators (1).
  7. Remove the appropriate left side spark plug wire(s).

  8. Object Number: 1950008  Size: SH
  9. If required, remove the appropriate right side spark plug wire boot(s) (1) from the spark plug(s).
  10. 6.1. Twist the spark plug boot 1/2 turn.
    6.2. Pull ONLY on the spark plug boot or use a tool designed for this purpose in order to remove the spark plug wire boot from the spark plug.
  11. Open the spark plug wire separators (2).
  12. Remove the appropriate right side spark plug wire(s).

Installation Procedure

Notice: If the boot to wire movement has occurred, the boot will give a false visual impression of being fully seated. Ensure that the boots have been properly assembled by pushing sideways on the installed boots. Failure to properly seat the terminal onto the spark plug will lead to wire core erosion and result in an engine misfire or crossfire condition, and possible internal damage to the engine.


    Object Number: 1950008  Size: SH
  1. If reinstalling the old spark plug wires, apply dielectric grease GM PN  12345579 (Canadian PN 10953481), or equivalent to the inside of the spark plug wire boots.
  2. If required, install the appropriate right side spark plug wire(s).
  3. Close the spark plug wire separators (2).
  4. Install the appropriate right side spark plug wire boot(s) (1) to the spark plug(s).

  5. Object Number: 1950007  Size: SH
  6. If required, install the appropriate left side spark plug wire(s).
  7. Close the spark plug wire separators (1).
  8. Install the appropriate left side spark plug wire boot(s) (2) to the spark plug(s).

  9. Object Number: 1950006  Size: SH
  10. Install the appropriate bank 1 spark plug wire boot(s) (1), or bank 2 spark plug wires boot(s) (2) to the ignition coil.

  11. Object Number: 1950009  Size: SH
  12. Inspect the spark plug wires for proper routing (1, 2, 3, 4, 5, 6) and installation.
  13. 9.1. Push sideways on each boot in order to inspect the seating.
    9.2. Reinstall any loose boot.
    9.3. Any time the spark plug wire or boot is installed on the spark plug, new dielectric grease needs to be applied inside the boot.
  14. Install the engine cover. Refer to Engine Cover Replacement .