GM Service Manual Online
For 1990-2009 cars only
Makes
🢒
Chevrolet
🢒
2008
🢒
Express
🢒
Engine
🢒
Engine Electrical
🢒 Starting and Charging Schematics
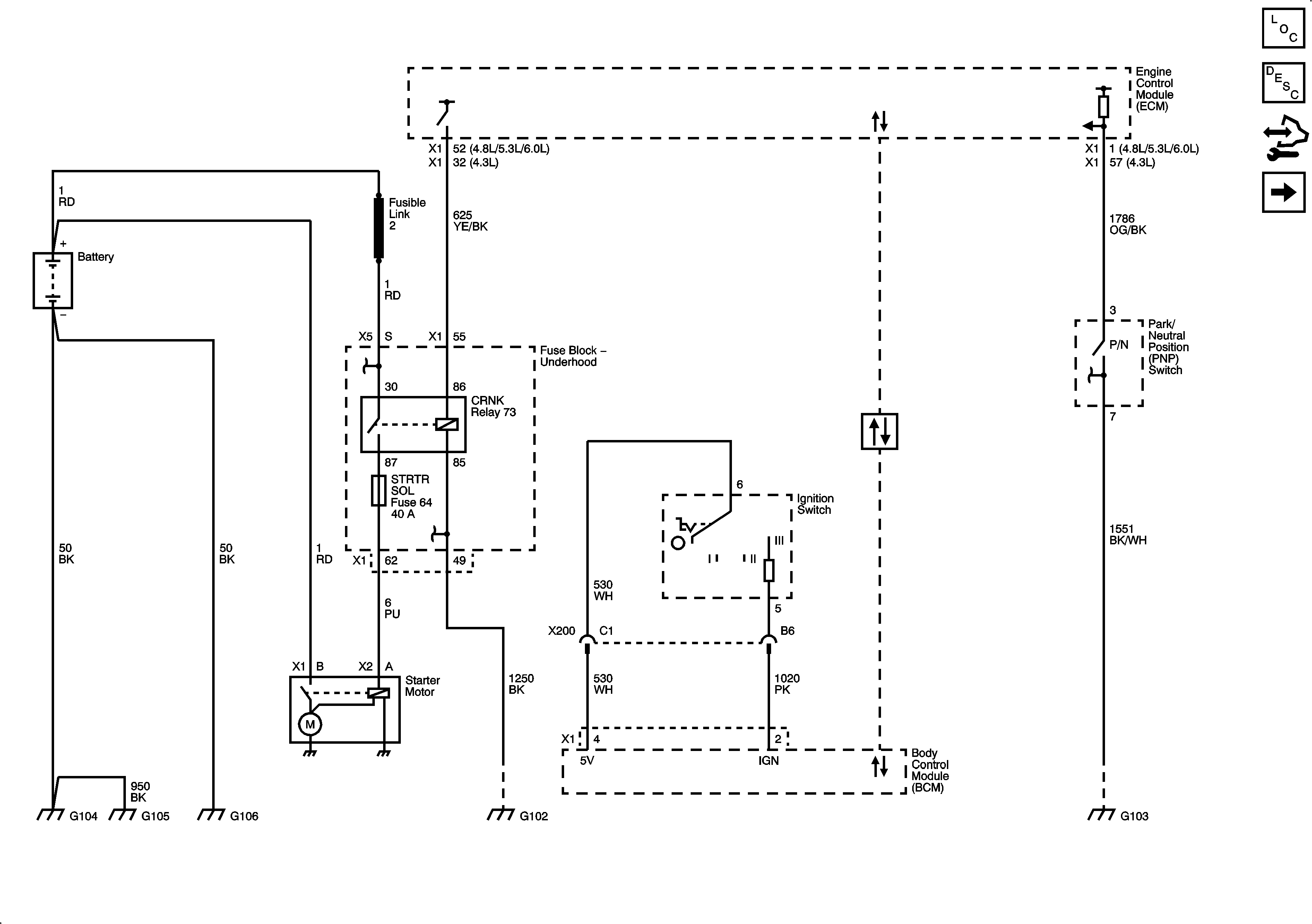
Figure
1:
Starting System Gas
Master Electrical Component List
Starting System Description and Operation
Control Module References
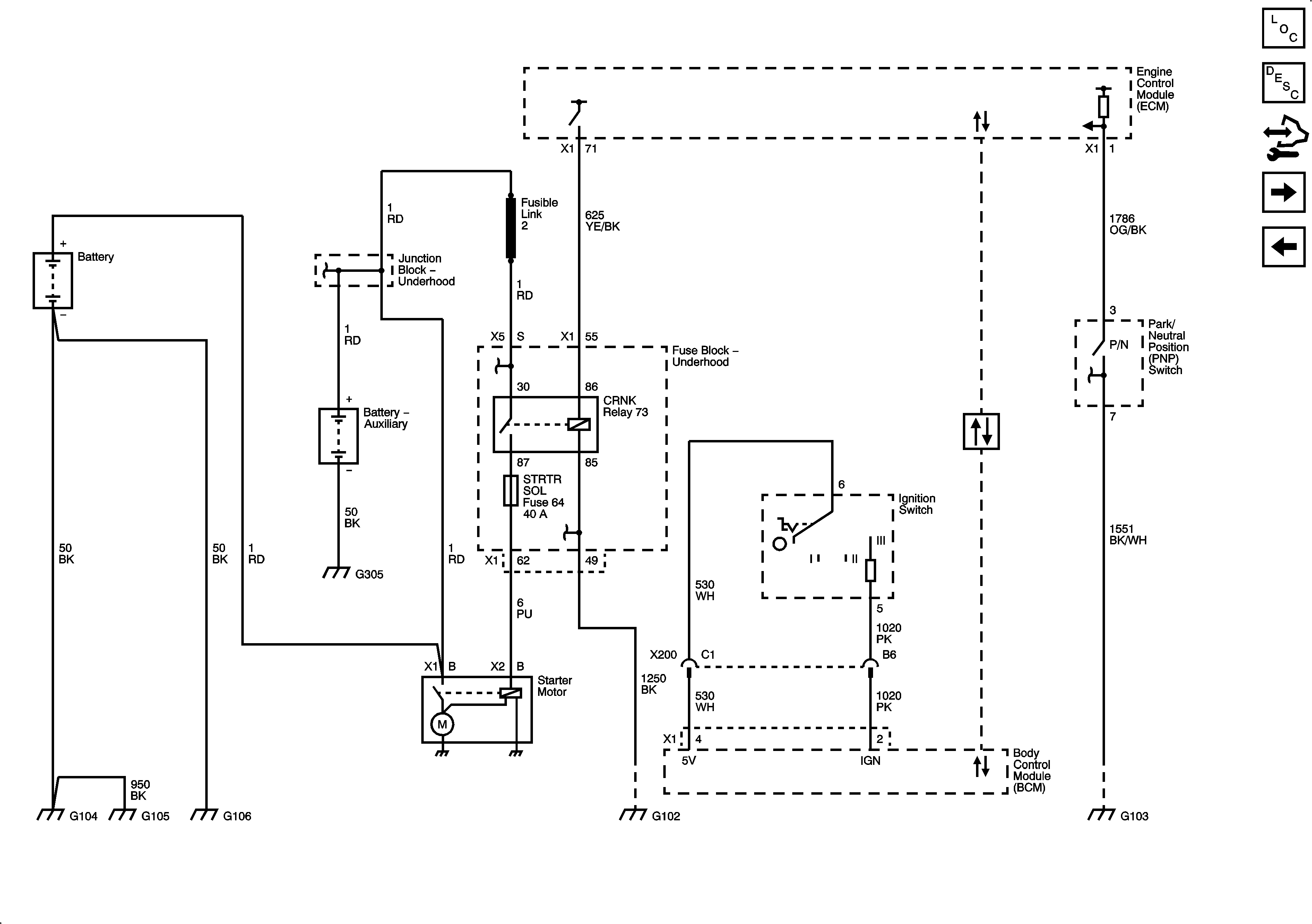
Starting System Diesel
Figure
2:
Starting System Diesel
Master Electrical Component List
Starting System Description and Operation
Control Module References
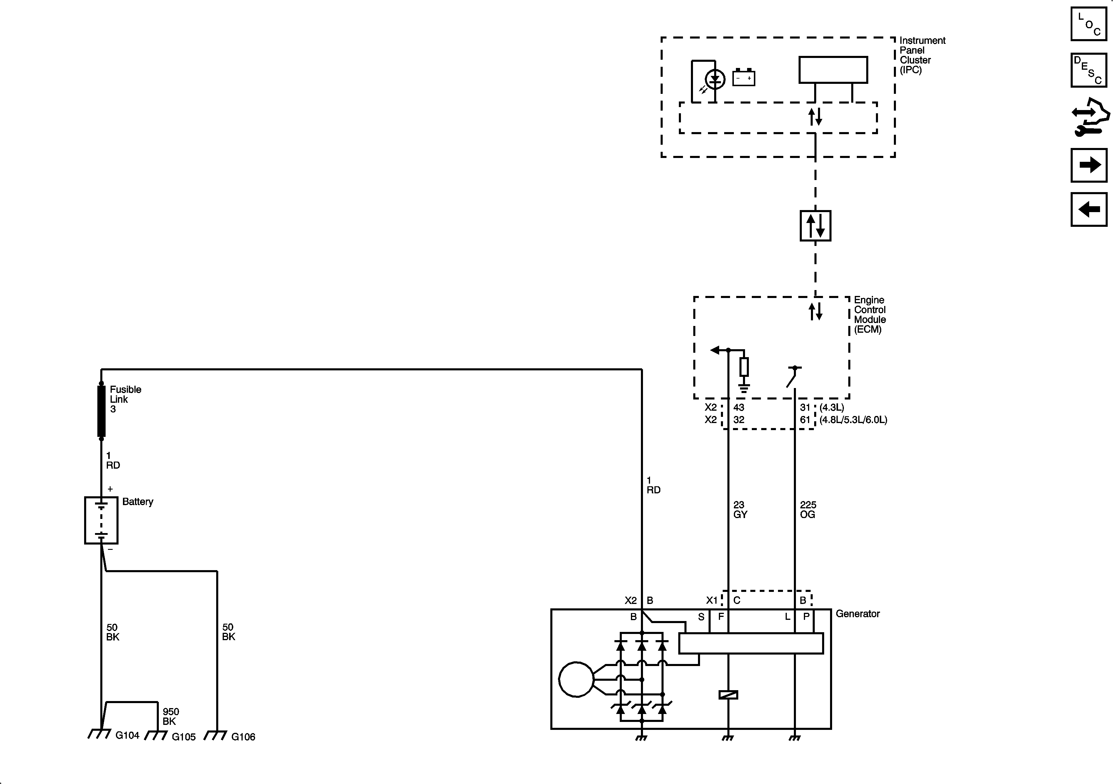
Charging System Gas
Starting System Gas
Figure
3:
Charging System Gas
Master Electrical Component List
Charging System Description and Operation
Control Module References
Charging System Diesel
Starting System Diesel
Figure
4:
Charging System Diesel
Master Electrical Component List
Charging System Description and Operation
Control Module References
Charging System Gas