GM Service Manual Online
For 1990-2009 cars only

Special Tools

J 41427 Engine Lift Brackets

Removal Procedure


    Object Number: 310799  Size: SH
  1. Raise the hood to the service position, perform the following:
  2. 1.1. Remove the hood hinge bolts (1).
    1.2. Raise the hood until vertical.
    1.3. Install the hood hinge bolts until snug in the service position (2).
  3. Disconnect the negative battery cable. Refer to Battery Negative Cable Disconnection and Connection .
  4. Remove the cooling layer. Refer to Cooling Layer Removal .
  5. Drain the cooling system. Refer to Cooling System Draining and Filling .
  6. Remove the fuel pipes/hoses. Refer to Fuel Hose/Pipes Replacement - Engine Compartment .
  7. Remove the lower fan shroud. Refer to Engine Coolant Fan Lower Shroud Replacement .
  8. Remove the drive belt. Refer to Drive Belt Replacement .
  9. Raise and suitably support the vehicle. Refer to Lifting and Jacking the Vehicle .
  10. Remove the starter. Refer to Starter Motor Replacement .

  11. Object Number: 869720  Size: SH
  12. Remove the transmission cover.

  13. Object Number: 869722  Size: SH
  14. Remove the positive battery cable clip bolt (2).
  15. Remove the catalytic converter. Refer to Catalytic Converter Replacement .

  16. Object Number: 310250  Size: SH
  17. Remove the battery cable bracket bolts.

  18. Object Number: 782731  Size: SH
  19. Disconnect the crankshaft position (CKP) sensor electrical connector (5) and remove the harness from the retainer clip.
  20. Remove the ground bolt (3) holding the negative battery cable (6) and ground cable (4) to the engine.

  21. Object Number: 9096  Size: SH
  22. If equipped, remove the torque converter bolts.
  23. Remove the transmission bolts.
  24. Lower the vehicle.

  25. Object Number: 1950402  Size: SH
  26. Reposition the radiator outlet hose clamps.
  27. Remove the radiator outlet hose (1) from the water pump.

  28. Object Number: 1951138  Size: SH
  29. Disconnect the air conditioning (A/C) compressor clutch (1), if equipped
  30. If equipped, remove the air conditioning (A/C) hoses. Refer to Discharge Hose Replacement and Suction Hose Replacement .
  31. Remove the positive cable nut and cable from the generator.

  32. Object Number: 1934811  Size: SH
  33. Disconnect the control port injector module (1).

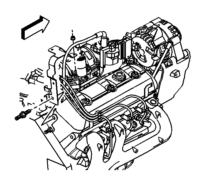
  34. Object Number: 1951930  Size: SH
  35. Disconnect the following electrical connectors:
  36. • Engine coolant temperature sensor (1)
    • Ignition coil (2)
    • Oil pressure sensor (3)
  37. Remove the harness ground bolt (4).
  38. Reposition the harness ground (5).
  39. Remove the ignition coil wiring harness clip (6) from the engine wiring bracket.
  40. Unclip the ignition coil wiring harness from the fuel feed pipe.

  41. Object Number: 782176  Size: SH
  42. Remove the engine wiring harness rear bracket nut at the EVAP canister purge solenoid valve.
  43. Remove the stud holding the engine wiring harness bracket.
  44. Reposition the engine wiring harness with the bracket aside.
  45. Remove the heater hoses. Refer to Heater Inlet Hose Replacement and Heater Outlet Hose Replacement .

  46. Object Number: 1935055  Size: SH
  47. Disconnect the EVAP canister harness (1) from the purge solenoid valve.
  48. Disconnect the power brake booster vacuum hose from the vacuum fitting.
  49. Remove the thermostat and water outlet. Refer to Engine Coolant Thermostat Replacement .
  50. Remove the lower intake manifold. Refer to Lower Intake Manifold Replacement .

  51. Object Number: 33636  Size: SH
  52. Remove the left front and right rear intake manifold lower bolts.
  53. Install J 41427 to the left front and right rear intake manifold bolts, using the following procedure:
  54. Notice: Refer to Fastener Notice in the Preface section.

    39.1. Install the J 41427 marked RIGHT REAR.
    39.2. Install the lift bracket bolts.

    Tighten
    Tighten the bolts to 15 N·m (11 lb ft).

    39.3. Install the J 41427 marked LEFT FRONT with the arrow pointing to the front of the engine.
    39.4. Install the lift bracket bolts.

    Tighten
    Tighten the bolts to 15 N·m (11 lb ft).

  55. Install a suitable lifting devise to the engine lift brackets.

  56. Object Number: 310259  Size: SH
  57. Remove the engine mount to engine mount bracket nuts.
  58. Support the transmission with a suitable floor jack.
  59. Remove the engine.

Installation Procedure

    Notice: Refer to Fastener Notice in the Preface section.


    Object Number: 310259  Size: SH
  1. Install the engine.
  2. Install the engine mount to engine mount bracket bolts.
  3. Tighten
    Tighten the bolts to 65 N·m (48 lb ft).


    Object Number: 33636  Size: SH
  4. Remove the lifting devise and the J 41427 .
  5. Install the lower intake manifold. Refer to Lower Intake Manifold Replacement .
  6. Install one transmission bolt until snug.
  7. Remove the support jack from under the transmission.
  8. Install the thermostat and water outlet. Refer to Engine Coolant Thermostat Replacement .

  9. Object Number: 1935055  Size: SH
  10. Connect the power brake booster vacuum hose to the vacuum fitting.
  11. Connect the EVAP canister harness (1) to the purge solenoid valve.
  12. Install the heater hoses. Refer to Heater Inlet Hose Replacement and Heater Outlet Hose Replacement .

  13. Object Number: 782176  Size: SH
  14. Position the engine wiring harness.
  15. Install the stud holding the engine wiring harness bracket.
  16. Install the engine wiring harness rear bracket nut at the EVAP canister purge solenoid valve.
  17. Tighten
    Tighten the nut to 9 N·m (80 lb in).


    Object Number: 1951930  Size: SH
  18. Reposition the harness ground (5).
  19. Install the harness ground bolt (4).
  20. Tighten
    Tighten the bolts to 16 N·m (12 lb ft).

  21. Connect the following electrical connectors:
  22. • Oil pressure sensor (3)
    • Ignition coil (2)
    • Engine coolant temperature sensor (1)
  23. Install the ignition coil harness retaining clip (6) into the engine wiring harness bracket.

  24. Object Number: 1934811  Size: SH
  25. Connect the control port injector module (1).

  26. Object Number: 1951138  Size: SH
  27. If equipped, install the A/C hoses. Refer to Discharge Hose Replacement and Suction Hose Replacement .
  28. Connect the A/C compressor clutch (1), if equipped.

  29. Object Number: 1950402  Size: SH
  30. Install the radiator outlet hose (1) to the water pump.
  31. Position the radiator outlet hose clamps.
  32. Install the drive belt. Refer to Drive Belt Replacement .
  33. Install the lower fan shroud. Refer to Engine Coolant Fan Lower Shroud Replacement .
  34. Install the fuel pipes/hoses. Refer to Fuel Hose/Pipes Replacement - Engine Compartment .

  35. Object Number: 310799  Size: SH
  36. Remove the hood hinge bolt from the service position (2).
  37. Lower the hood to the normal position.
  38. Install the hood hinge bolts.
  39. Tighten
    Tighten the bolts to 25 N·m (18 lb ft).

  40. Raise the vehicle.

  41. Object Number: 9096  Size: SH
  42. Install the transmission bolts.
  43. Tighten
    Tighten the bolts to 50 N·m (37 lb ft).

  44. If equipped, install the torque converter bolts.
  45. Tighten
    Tighten the bolts to 63 N·m (47 lb ft).


    Object Number: 782731  Size: SH
  46. Install the ground bolt (3) holding the negative battery cable (6) and ground cable (4) to the engine.
  47. Connect the CKP sensor electrical connector (5) and install the harness to the retainer clip.

  48. Object Number: 310250  Size: SH
  49. Install the battery cable bracket bolts.
  50. Tighten
    Tighten the bolts to 12 N·m (106 lb in).

  51. Install the catalytic converter. Refer to Catalytic Converter Replacement .

  52. Object Number: 869722  Size: SH
  53. Install the positive battery cable clip bolt (2).

  54. Object Number: 869720  Size: SH
  55. Install the transmission cover.
  56. Tighten
    Tighten the bolts to 12 N·m (106 lb in).

  57. Install the starter. Refer to Starter Motor Replacement .
  58. Lower the vehicle.
  59. Install the cooling layer. Refer to Cooling Layer Installation .
  60. Connect the negative battery cable. Refer to Battery Negative Cable Disconnection and Connection .
  61. Perform the engine prelube procedure. Refer to Engine Prelubing .
  62. Add engine oil supplement to the engine oil. Refer to Adhesives, Fluids, Lubricants, and Sealers for the correct part number.
  63. Disable the ignition system.
  64. Crank the engine several times. Listen for any unusual noises or evidence that parts are binding.
  65. Start the engine and listen for unusual noises.
  66. Check the oil pressure gauge or light and confirm that the engine has acceptable oil pressure.
  67. If necessary, install an oil pressure gage and measure the oil pressure.
  68. Run the engine speed at about 1,000 RPM until the engine has reached normal operating temperature.
  69. Listen for sticking valve lifters, or other unusual noises.
  70. Inspect for fuel, oil, and/or coolant leaks while the engine is running.
  71. Perform a final inspection for the proper oil and coolant levels.
  72. Close the hood.