Notice: Any time the transmission and the engine oil pan are off of the engine at the same time, install the transmission before the oil pan. This is to allow for the proper oil pan alignment. Failure to achieve the correct oil pan alignment can result in transmission failure.
Important: Always install a NEW oil pan gasket.
The oil pan gasket and oil pan must be installed and the fasteners tightened while the adhesive is still wet to the touch.
Important: The oil pan alignment must always be flush or forward no more than 0.3 mm (0.011 in) from the rear face of the engine block.
Press the oil pan gasket into the grooves of the engine front cover and crankshaft rear oil seal housing.
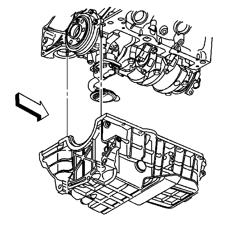
Use the feeler gage to check the clearance at the oil pan-to-transmission housing measurement points (1). If the clearance exceeds 0.3 mm (0.011 in) at any of the oil pan-to-transmission housing measurement points (1), then repeat the step until the oil pan-to-transmission housing clearance is within specifications. The oil pan must always be forward of the rear face of the engine block.
Notice: Refer to Fastener Notice in the Preface section.
Tighten
Tighten the bolts to 25 N·m (18 lb ft).
Tighten
Tighten the plug to 25 N·m (18 lb ft).
Tighten
Tighten the bolts to 12 N·m (106 lb in).
Tighten
Tighten the bolts to 50 N·m (37 lb ft).
Tighten
Tighten the bolt to 9 N·m (80 lb in).
Tighten
Tighten the bolts to 12 N·m (106 lb in).
Tighten
Tighten the bolts to 100 N·m (74 lb ft).
Tighten
Tighten the bolts to 20 N·m (15 lb ft).
Tighten
Tighten the filter to 30 N·m (22 lb ft).