GM Service Manual Online
For 1990-2009 cars only

Removal Procedure


    Object Number: 1949990  Size: SH
  1. Remove the engine cover. Refer to Engine Cover Replacement .
  2. Remove the oil level indicator.
  3. Remove the coolant reservoir. Refer to Coolant Recovery Reservoir Replacement .
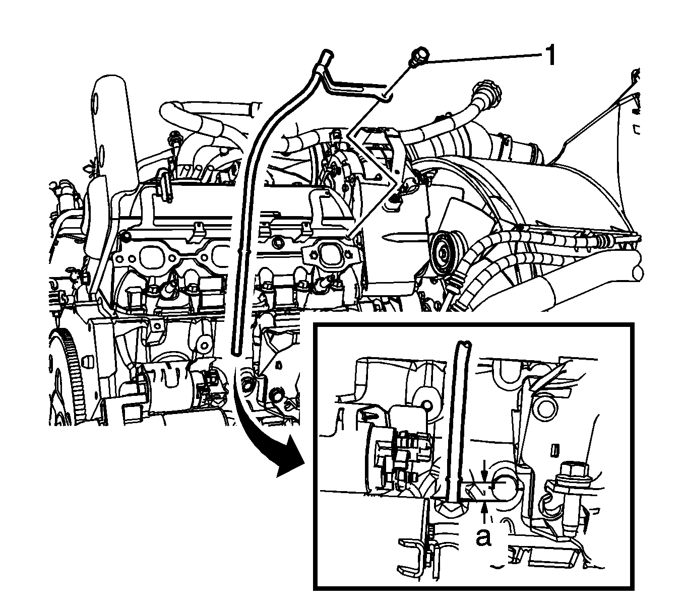
  4. Remove the oil level indicator tube (1) from the air conditioning line retainer clip (2).

  5. Object Number: 1950019  Size: SH
  6. Remove the oil level indicator tube bolt (1) from the oil indicator tube bracket (2).

  7. Object Number: 1950073  Size: SH
  8. Remove the upper half of the oil indicator tube from the lower half of the oil indicator tube.

  9. Object Number: 1950131  Size: SH
  10. Remove the right exhaust manifold. Refer to Exhaust Manifold Replacement - Right Side .
  11. Remove the oil level indicator tube bolt.
  12. Remove the oil level indicator tube using a twisting motion.
  13. Clean the old sealer from the indicator tube and engine block.

Installation Procedure


    Object Number: 1950189  Size: SH
  1. Apply sealant around the indicator tube 13 mm (0.5 in) below the tube bead. Refer to Adhesives, Fluids, Lubricants, and Sealers for the correct part number.
  2. Notice: Refer to Fastener Notice in the Preface section.

  3. Install the indicator tube. Rotate the oil level indicator tube into position.
  4. Install the indicator tube bolt (1).
  5. Tighten
    Tighten the bolt to 12 N·m (106 lb in).

  6. Install the right exhaust manifold. Refer to Exhaust Manifold Replacement - Right Side .

  7. Object Number: 1950073  Size: SH
  8. Install the upper half of the oil indicator tube into the lower half of the oil indicator tube.

  9. Object Number: 1950019  Size: SH
  10. Install the oil level indicator tube bolt (1) to the oil indicator tube bracket (2).

  11. Object Number: 1949990  Size: SH
  12. Install the oil level indicator tube (1) to the air conditioning line retainer clip (2).
  13. Install the oil level indicator.
  14. Install the coolant reservoir. Refer to Coolant Recovery Reservoir Replacement .
  15. Install the engine cover. Refer to Engine Cover Replacement .