GM Service Manual Online
For 1990-2009 cars only
Figure 1:

Upper and Lower Intake Manifold View


Object Number: 1792316  Size: LF
(1)Throttle Body
(2)Throttle Body Stud
(3)Idle Air Control Valve Seal
(4)Idle Air Control Valve
(5)Idle Air Control Valve Bolt
(6)O-ring
(7)Spacer
(8)Fuel Injection Fuel Feed and Return Pipe Retainer Nut
(9)Fuel Injection Fuel Feed and Return Pipe Retainer
(10)Fuel Injection Fuel Feed and Return Pipe 
(11)Fuel Service Port Cap
(12)Fuel Schrader Valve
(13)Engine Wiring Harness Bracket Nut
(14)Engine Wiring Harness Bracket
(15)Fuel Injection Fuel Feed and Return Pipe Bolt
(16)Fuel Injector Fuel Meter Fuel Passage Plug 
(17)Spacer
(18)O-ring
(19)Upper Intake Manifold Stud
(20)Positive Crankcase Ventilation Valve Cover 
(21)Positive Crankcase Ventilation Valve Cover Seal
(22)Upper Intake Manifold
(23)Upper Intake Manifold Gasket
(24)Fuel Injector Fuel Meter Body Seal
(25)Fuel Injector Fuel Meter Body
(26)Lower Intake Manifold
(27)Heater Hose Fitting
(28)Engine Coolant Thermostat
(29)Engine Coolant Thermostat Seal
(30)Water Outlet
(31)Water Outlet Stud
(32)Throttle Body Seal
(33)Throttle Position Sensor Bolt
(34)Throttle Position Sensor
Figure 2:

Upper Engine View 1


Object Number: 1883505  Size: LF
(1)Spark Plug Wire Retainer
(2)Spark Plug Wire Harness
(3)Oil Pump Drive Shaft Clamp Bolt
(4)Oil Pump Drive Shaft
(5)Spark Plug Wire Harness
(6)Spark Plug Wire Retainer
(7)Spark Plug Wire Retainer
(8)Spark Plug Wire Retainer
(9)Spark Plug
(10)Oil Pump Drive Shaft Gasket
(11)Spark Plug Wire Retainer
(12)Manifold Absolute Pressure Sensor
(13)Manifold Absolute Pressure Sensor Seal
(14)Lower Intake Manifold Bolt
(15)Lower Intake Manifold Gasket
(16)Intake Manifold Assembly
(17)Accelerator Control Cable Bracket Stud
(18)Accelerator Control Cable Bracket Bolt
(19)Accelerator Control Cable Bracket
(20)Accelerator Control Cable Bracket Nut
(21)Ignition Coil Bracket
(22)Ignition Coil Bracket Bolt
(23)Ignition Coil Assembly to Bracket Bolt
(24)Ignition Coil Assembly
(25)Ignition Coil Module
(26)Ignition Coil Module Bolt
(27)EVAP Purge Valve Seal
(28)EVAP Purge Valve
(29)EVAP Purge Valve Hose
(30)EVAP Purge Valve Bolt
(31)Spark Plug Wire Retainer
Figure 3:

Upper Engine View 2


Object Number: 1792330  Size: LF
(1)Oil Filler Cap
(2)Oil Filler Cap Seal
(3)Oil Filler Tube
(4)Oil Filler Tube Seal
(5)Valve Rocker Arm Cover
(6)Valve Push Rod
(7)Valve Lifter Guide Bolt
(8)Valve Stem Oil Seal
(9)Valve Spring
(10)Valve Spring Cap
(11)Valve Stem Key
(12)Valve Rocker Arm Cover
(13)Positive Crankcase Ventilation Tube
(14)Valve Rocker Arm Cover Bolt
(15)Valve Rocker Arm Cover Bolt Grommet
(16)Valve Rocker Arm Cover Gasket
(17)Valve Rocker Arm Bolt
(18)Valve Rocker Arm
(19)Valve Rocker Arm Pivot Support
(20)Cylinder Head Bolt
(21)Spark Plug Wire Support
(22)Spark Plug Wire Support Bolt
(23)Cylinder Head Bolt
(24)Cylinder Head Bolt
(25)Exhaust Manifold Gasket
(26)Exhaust Manifold
(27)Exhaust Manifold Heat Shield Bolt
(28)Spark Plug Wire Shield
(29)Exhaust Manifold Bolt
(30)Exhaust Manifold Stud
(31)Spark Plug Wire Shield
(32)Exhaust Manifold Heat Shield
(33)Exhaust Manifold Gasket
(34)Engine Coolant Temperature Sensor
(35)Valve
(36)Cylinder Head
(37)Valve Lifter Guide
(38)Cylinder Head Gasket
(39)Cylinder Head Location Pin
(40)Valve Lifter
(41)Positive Crankcase Ventilation Tube Grommet
(42)Positive Crankcase Ventilation Tube
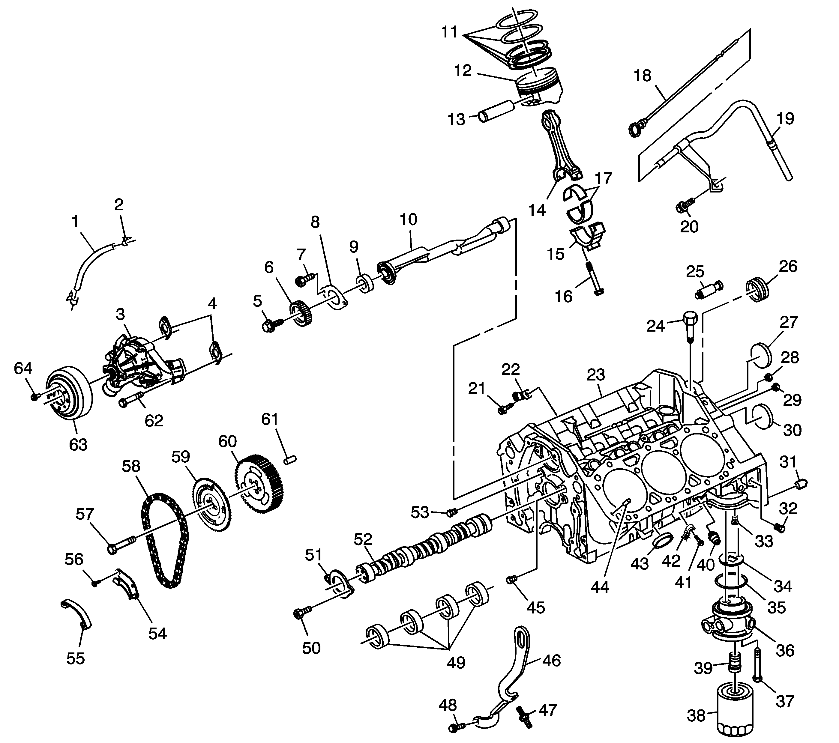
Figure 4:

Lower Engine View 1


Object Number: 1883506  Size: LF
(1)Thermostat Bypass Hose
(2)Thermostat Bypass Pipe Clamp
(3)Water Pump
(4)Water Pump Gasket
(5)Balance Shaft Gear Bolt
(6)Balancer Shaft Driven Gear
(7)Balance Shaft Retainer Bolt
(8)Balancer Shaft Retainer
(9)Balancer Shaft Front Bearing
(10)Balance Shaft
(11)Piston Ring Set
(12)Piston
(13)Piston Pin
(14)Connecting Rod
(15)Connecting Rod Bearing Cap
(16)Connecting Rod Bolt
(17)Connecting Rod Bearing
(18)Oil Level Indicator
(19)Oil Level Indicator Tube
(20)Oil Level Indicator Tube Bolt
(21)Knock Sensor Bolt
(22)Knock Sensor
(23)Engine Block
(24)Engine Oil Pressure Indicator Switch Fitting
(25)Engine Oil Pressure Indicator Switch
(26)Balancer Shaft Rear Bearing
(27)Engine Block Coolant Hole Plug
(28)Engine Block Oil Gallery Plug
(29)Engine Block Oil Gallery Plug
(30)Engine Block Oil Gallery Plug
(31)Transmission Locating Pin
(32)Engine Block Oil Gallery Plug
(33)Oil Filter Bypass Valve
(34)Engine Oil Cooler Adapter Gasket
(35)Engine Oil Cooler Adapter Seal
(36)Engine Oil Cooler Adapter
(37)Engine Oil Cooler Adapter Bolt
(38)Oil Filter
(39)Oil Pressure Relief Valve Spring Seat Pin
(40)Block Heater
(41)Knock Sensor Bolt
(42)Knock Sensor
(43)Engine Block Coolant Hole Plug
(44)Cylinder Head Location Pin
(45)Engine Block Oil Gallery Plug
(46)Engine Lift Front Bracket
(47)Engine Lift Front Bracket Bolt
(48)Engine Lift Front Bracket Bolt
(49)Camshaft Bearing
(50)Camshaft Thrust Bearing Bolt
(51)Camshaft Thrust Plate
(52)Camshaft
(53)Engine Block Oil Gallery Plug
(54)Timing Chain Tensioner Bracket
(55)Timing Chain Tensioner Shoe
(56)Timing Chain Tensioner Bolt
(57)Camshaft Sprocket Bolt
(58)Timing Chain
(59)Camshaft Sprocket
(60)Balancer Shaft Drive Gear
(61)Camshaft Sprocket Location Pin
(62)Water Pump Bolt
(63)Water Pump Pulley
(64)Water Pump Pulley Bolt
Figure 5:

Lower Engine View 2


Object Number: 1883507  Size: LF
(1)Crankshaft Balancer Bolt
(2)Crankshaft Balancer Washer
(3)Drive Belt Pulley
(4)Crankshaft Balancer
(5)Crankshaft Front Oil Seal
(6)Camshaft Sensor Bolt
(7)Camshaft Position Sensor Assembly
(8)Camshaft Sensor Seal
(9)Engine Front Cover Bolt
(10)Engine Front Cover
(11)Crankshaft Sprocket
(12)Crankshaft
(13)Crankshaft Balancer Key
(14)Crankshaft Lower Bearing
(15)Crankshaft Upper Bearing
(16)Crankshaft Rear Oil Seal Housing Gasket
(17)Crankshaft Rear Oil Seal Retainer Stud
(18)Crankshaft Rear Oil Seal Housing
(19)Crankshaft Rear Oil Seal Housing Bolt
(20)Crankshaft Rear Oil Seal
(21)Flywheel
(22)Flywheel Bolt
(23)Crankshaft Rear Oil Seal Housing Bolt
(24)Crankshaft Rear Oil Seal Housing Bolt
(25)Crankshaft Rear Oil Seal Housing Stud
(26)Oil Pan Nut
(27)Crankshaft Rear Oil Seal Housing Locating Pin
(28)Crankshaft Upper Bearing
(29)Crankshaft Bearing Cap
(30)Oil Pump Location Pin
(31)Oil Pump Drive Shaft
(32)Oil Pump Drive Clamp Bolt
(33)Oil Pump Bolt
(34)Oil Pan Gasket
(35)Oil Pan Baffle Bolt
(36)Oil Pan Baffle
(37)Oil Pan
(38)Oil Pan Drain Plug
(39)Oil Pan Drain Plug Seal
(40)Oil Pan Bolt
(41)Oil Pump Screen
(42)Oil Pump
(43)Crankshaft Bearing Cap Bolt
(44)Crankshaft Bearing Cap
(45)Crankshaft Lower Bearing
(46)Crankshaft Position Sensor Reluctor Ring
(47)Crankshaft Position Sensor Seal
(48)Crankshaft Position Sensor
(49)Crankshaft Position Sensor Bolt
(50)Crankshaft Balancer Weight
(51)Drive Belt Pulley Bolt