GM Service Manual Online
For 1990-2009 cars only

Special Tools

J 45059 Angle Meter

Removal Procedure

  1. Remove the engine cover. Refer to Engine Cover Replacement .
  2. Drain the cooling system. Refer to Cooling System Draining and Filling .
  3. Remove the drive belt. Refer to Drive Belt Replacement .
  4. Remove the lower fan shroud. Refer to Engine Coolant Fan Lower Shroud Replacement .
  5. Remove the lower intake manifold. Refer to Lower Intake Manifold Replacement .
  6. Remove the left exhaust manifold. Refer to Exhaust Manifold Replacement - Left Side .
  7. Remove the left side pushrods. Refer to Valve Rocker Arm and Push Rod Replacement .

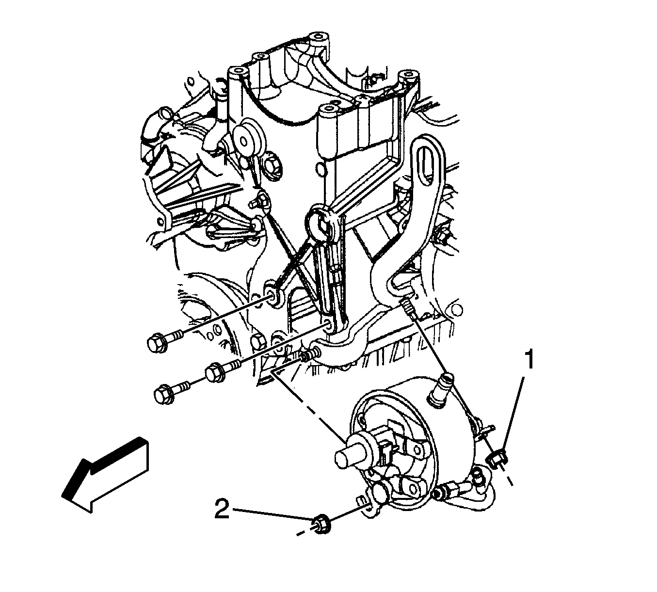
  8. Object Number: 1941019  Size: SH
  9. Loosen the power steering (P/S) pump rear bracket nut (1).
  10. Remove the P/S pump rear bracket front nut (2).

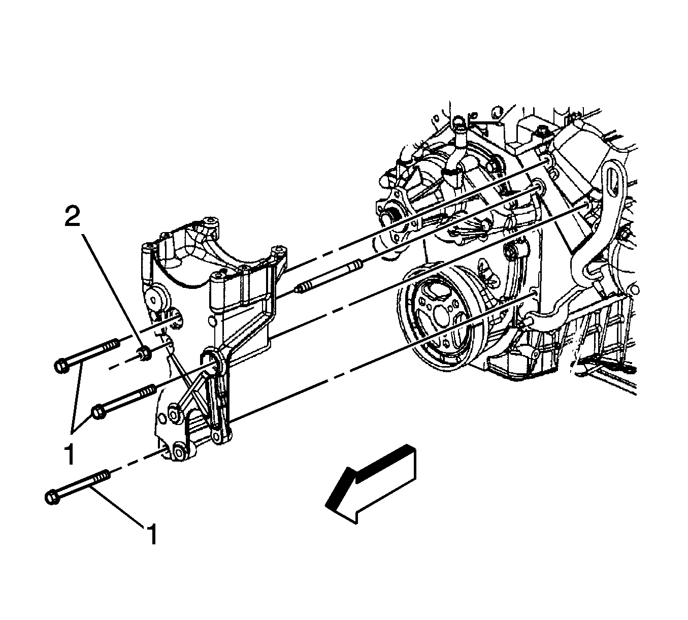
  11. Object Number: 1941041  Size: SH
  12. Remove the bolts (1) and nut (2) for the P/S pump bracket.
  13. Leave the air conditioning (A/C) compressor, if equipped, and the P/S pump on the bracket.
  14. Slide the P/S pump bracket off of the stud and set aside.

  15. Object Number: 475833  Size: SH
  16. Remove the P/S pump bracket stud.

  17. Object Number: 1941760  Size: SH
  18. Disconnect the engine coolant temperature (ECT) sensor electrical connector (1).
  19. Remove the harness ground bolt (2).

  20. Object Number: 387769  Size: SH
  21. Remove the engine coolant temperature (ECT) sensor.

  22. Object Number: 328588  Size: SH
  23. Remove the spark plug wire support bolts and support.

  24. Object Number: 480533  Size: SH
  25. Remove and discard the cylinder head bolts.

  26. Object Number: 480536  Size: SH
  27. Remove the cylinder head.

  28. Object Number: 334299  Size: SH
  29. Remove and discard the cylinder head gasket.

  30. Object Number: 330548  Size: SH
  31. Remove the cylinder head locator pins, if necessary.
  32. Clean and inspect the cylinder head, if necessary. Refer to Cylinder Head Cleaning and Inspection .
  33. Disassemble the cylinder head, if necessary. Refer to Cylinder Head Disassemble .

Installation Procedure


    Object Number: 334303  Size: SH
  1. Assemble the cylinder head, if necessary. Refer to Cylinder Head Assemble .
  2. Install the cylinder head locator pins, if necessary.

  3. Object Number: 334299  Size: SH

    Important: Do not use any type of sealer on the cylinder head gasket.

  4. Install a NEW cylinder head gasket.

  5. Object Number: 480536  Size: SH
  6. Install the cylinder head.

  7. Object Number: 480533  Size: SH
  8. Apply sealant to the threads of the NEW cylinder head bolts. Refer to Adhesives, Fluids, Lubricants, and Sealers for the correct part number.
  9. Install the cylinder head bolts finger tight.
  10. Notice: Refer to Fastener Notice in the Preface section.


    Object Number: 5132  Size: SH
  11. Tighten the cylinder head bolts using the sequence shown.
  12. Tighten

    1. Tighten the bolts a first pass to 30 N·m (22 lb ft).
    2. Tighten the long bolts (1, 4, 5, 8, 9) a final pass to 75 degrees using J 45059 .
    3. Tighten the medium bolts (12, 13) a final pass to 65 degrees using J 45059 .
    4. Tighten the short bolts (2, 3, 6, 7, 10, 11) a final pass to 55 degrees using J 45059 .

    Object Number: 328588  Size: SH
  13. Install the spark plug wire support and bolts.
  14. Tighten
    Tighten the bolts to 12 N·m (106 lb in).


    Object Number: 387769  Size: SH
  15. Install the ECT sensor. If reusing the old sensor, apply sealant to the threads. Refer to Adhesives, Fluids, Lubricants, and Sealers for the correct part number.
  16. Tighten
    Tighten the sensor to 20 N·m (15 lb ft).


    Object Number: 1941760  Size: SH
  17. Install the harness ground bolt (2).
  18. Tighten
    Tighten the bolt to 16 N·m (12 lb ft).

  19. Connect the engine coolant temperature (ECT) sensor electrical connector (1).

  20. Object Number: 475833  Size: SH
  21. Install the P/S pump bracket stud.
  22. Tighten
    Tighten the stud to 20 N·m (15 lb ft).


    Object Number: 1941041  Size: SH
  23. Slide the P/S pump bracket rearward.
  24. Install the bolts and nut (2) for the P/S pump bracket.

  25. Object Number: 1941019  Size: SH
  26. Install the P/S pump rear bracket front nut (2).
  27. Tighten the P/S pump rear bracket nut (1).
  28. Tighten
    Tighten the bolts and nuts to 41 N·m (30 lb ft).

  29. Install the left side pushrods. Refer to Valve Rocker Arm and Push Rod Replacement .
  30. Install the left exhaust manifold. Refer to Exhaust Manifold Replacement - Left Side .
  31. Install the lower intake manifold. Refer to Lower Intake Manifold Replacement .
  32. Install the lower fan shroud. Refer to Engine Coolant Fan Lower Shroud Replacement .
  33. Install the drive belt. Refer to Drive Belt Replacement .
  34. Fill the cooling system. Refer to Cooling System Draining and Filling .
  35. Install the engine cover. Refer to Engine Cover Replacement .