GM Service Manual Online
For 1990-2009 cars only
Figure 1:

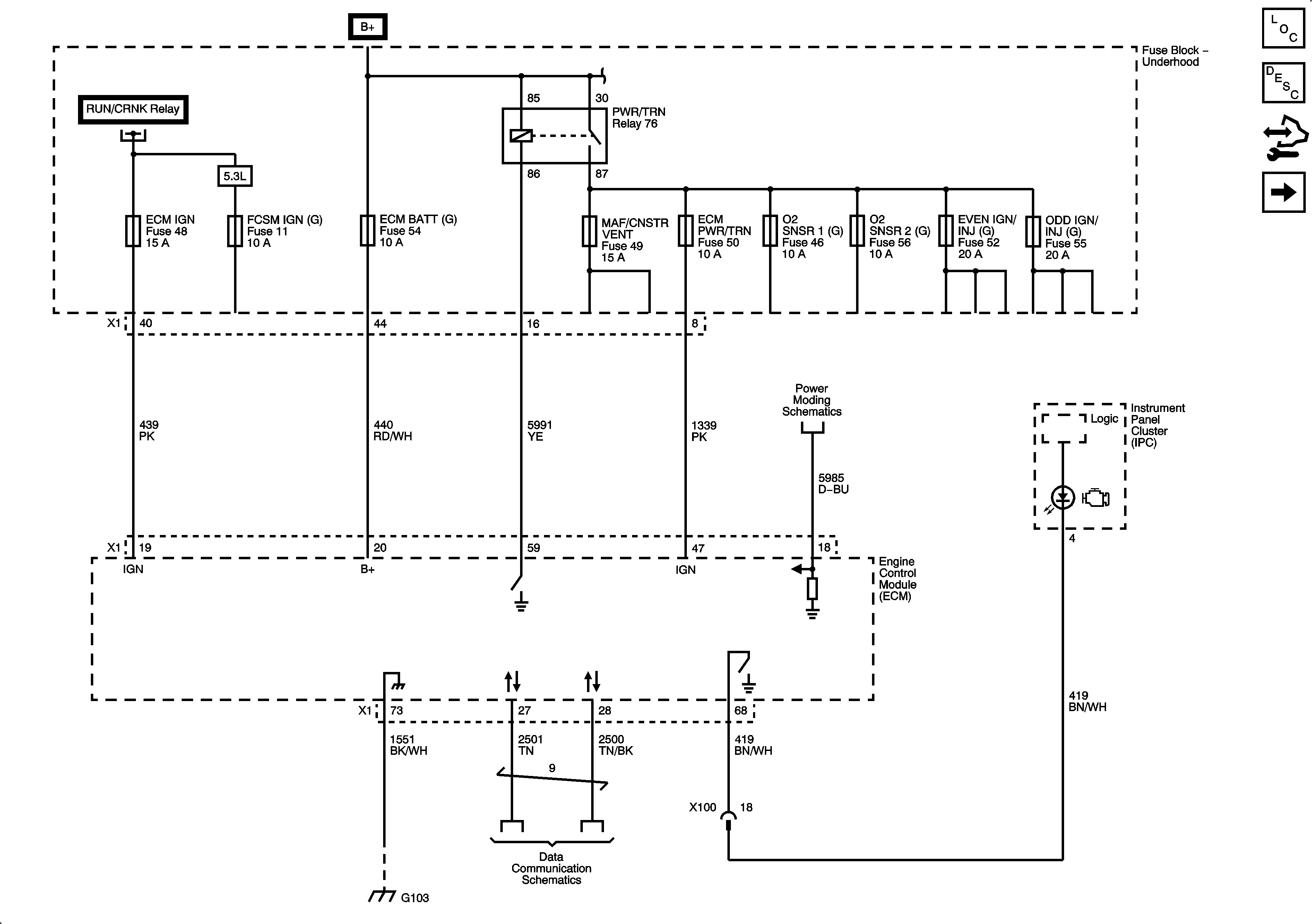
Module Power, Ground, Serial Data and MIL


Object Number: 1878741  Size: FS
Master Electrical Component List
Fuel System Description
Control Module References
Engine Data Sensors - 5-Volt and Low Reference
Figure 2:

Engine Data Sensors - 5-Volt and Low Reference


Object Number: 1878743  Size: FS
Master Electrical Component List
Fuel System Description
Control Module References
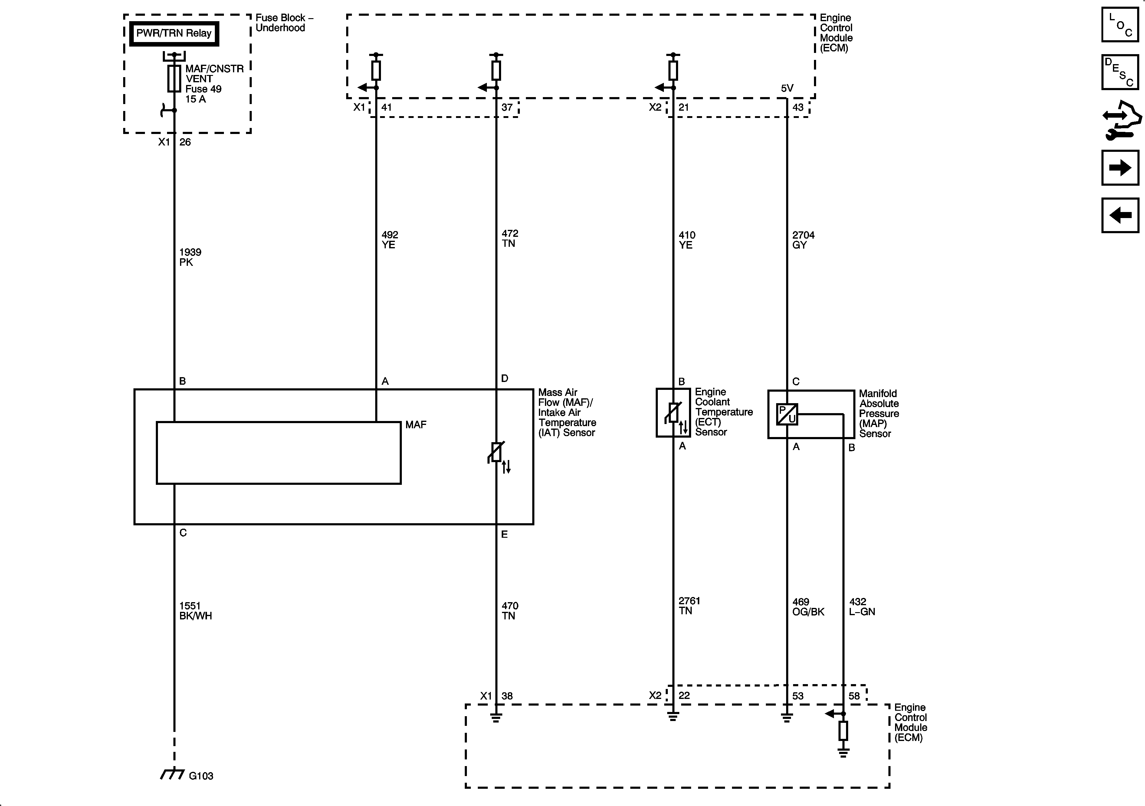
Engine Data Sensors - Pressure, Temperature and Position
Module Power, Ground, Serial Data and MIL
Figure 3:

Engine Data Sensors - Pressure, Temperature and Position


Object Number: 1878745  Size: FS
Master Electrical Component List
Electronic Ignition (EI) System Description
Control Module References
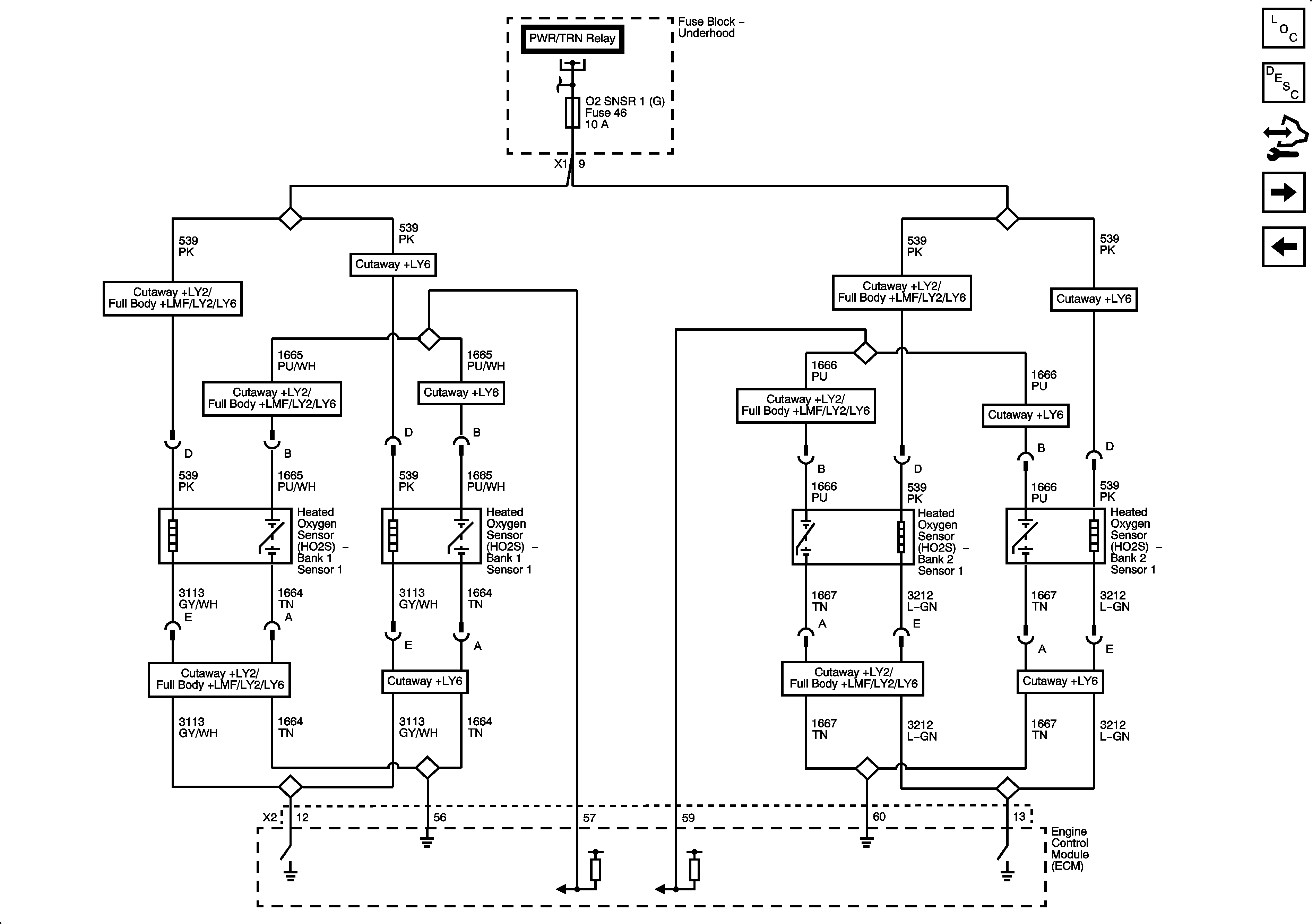
Engine Data Sensors - Oxygen Sensors (1 of 2)
Engine Data Sensors - 5-Volt and Low Reference
Figure 4:

Engine Data Sensors - Oxygen Sensors (1 of 2)


Object Number: 1878747  Size: FS
Master Electrical Component List
Fuel System Description
Control Module References
Engine Data Sensors - Oxygen Sensors (2 of 2)
Engine Data Sensors - Pressure, Temperature and Position
Figure 5:

Engine Data Sensors -- Oxygen Sensors (2 of 2)


Object Number: 1929226  Size: FS
Master Electrical Component List
Fuel System Description
Control Module References
Throttle Controls
Engine Data Sensors - Oxygen Sensors (1 of 2)
Figure 6:

Throttle Controls


Object Number: 1878749  Size: FS
Master Electrical Component List
Throttle Actuator Control (TAC) System Description
Control Module References
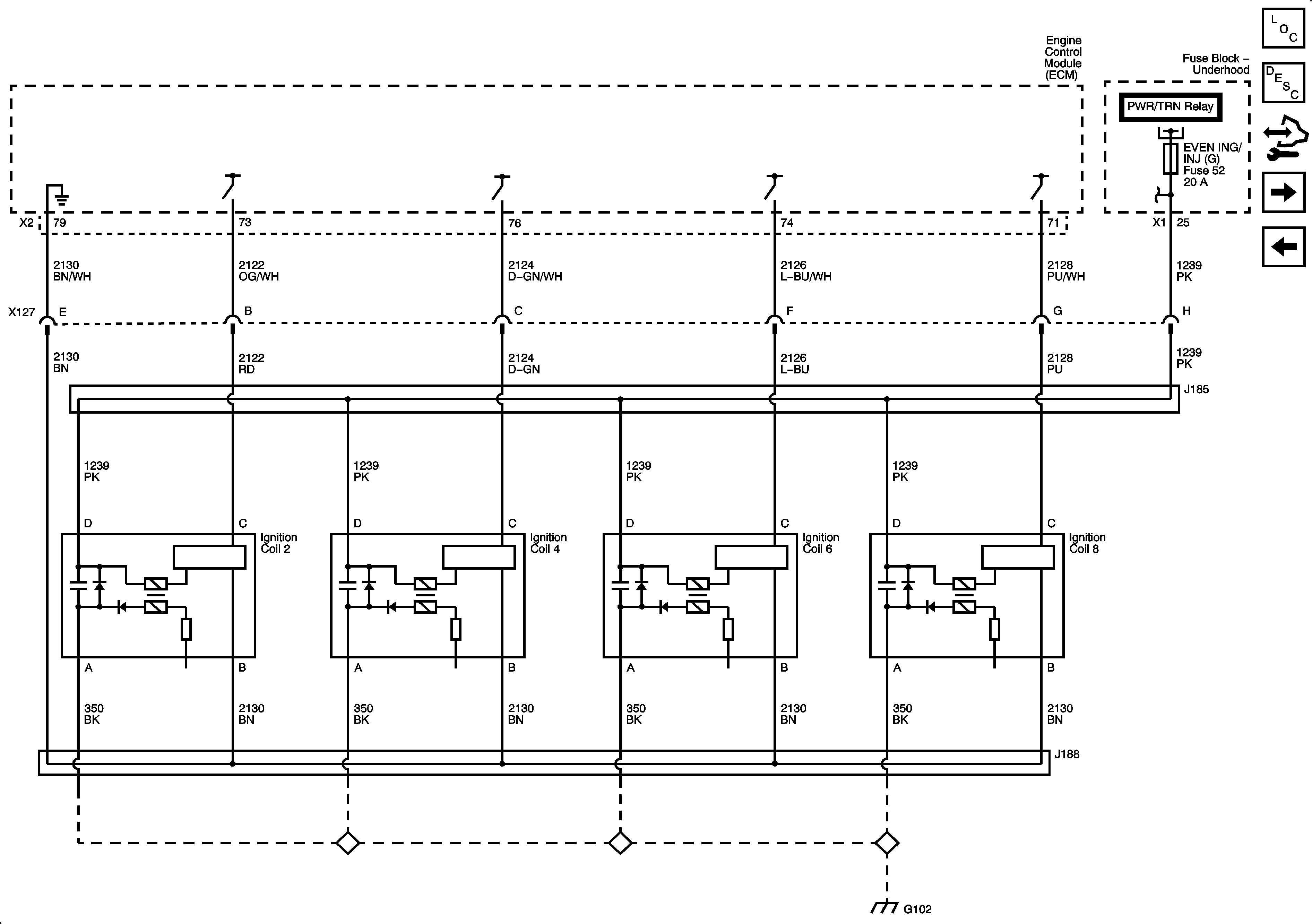
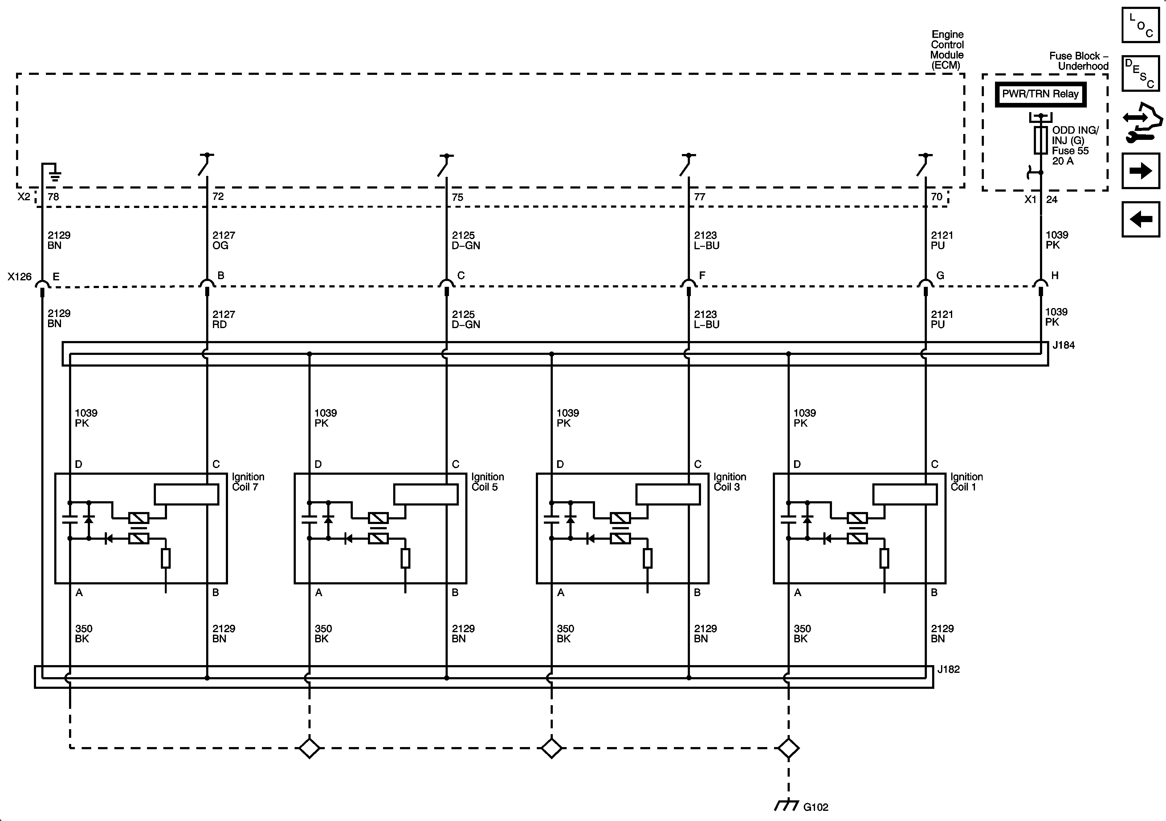
Bank 1 Ignition Coils
Engine Data Sensors - Oxygen Sensors (2 of 2)
Figure 7:

Bank 1 Ignition Coils


Object Number: 1878751  Size: FS
Master Electrical Component List
Electronic Ignition (EI) System Description
Control Module References
Bank 2 Ignition Coils
Throttle Controls
Figure 8:

Bank 2 Ignition Coils


Object Number: 1878755  Size: FS
Master Electrical Component List
Electronic Ignition (EI) System Description
Control Module References
Ignition Controls - CKP, CMP and Knock Sensors
Bank 1 Ignition Coils
Figure 9:

Ignition Controls - CKP, CMP and Knock Sensors


Object Number: 1878760  Size: FS
Master Electrical Component List
Electronic Ignition (EI) System Description
Control Module References
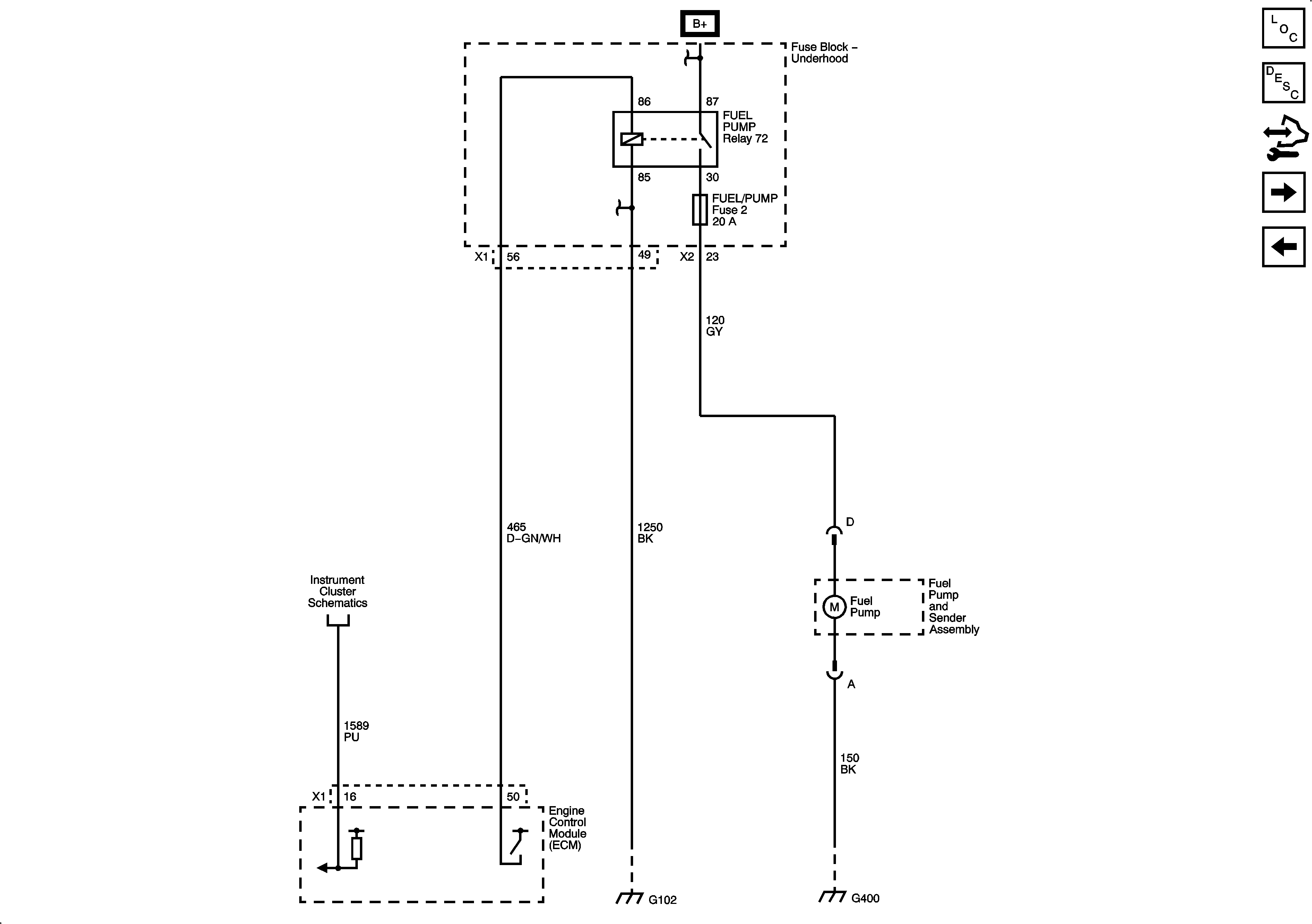
Fuel Controls - Fuel Pump Controls (4.8L/6.0L)
Bank 2 Ignition Coils
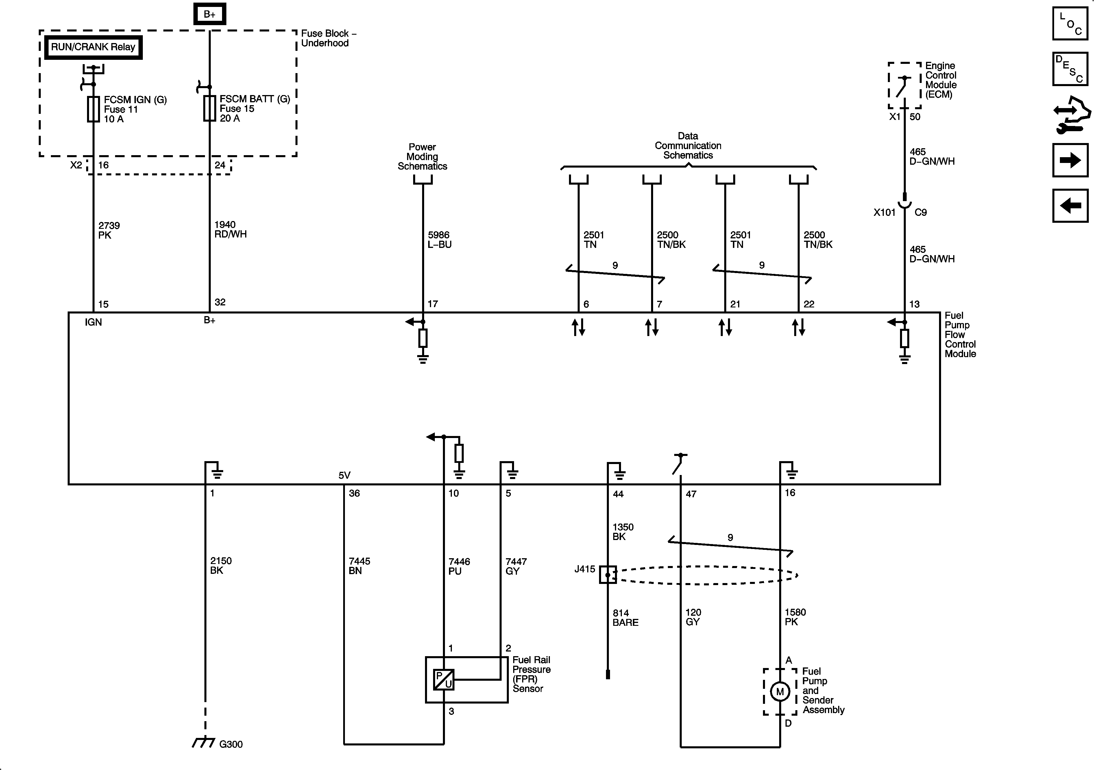
Figure 10:

Fuel Pump Flow Control Module 5.3L


Object Number: 1925421  Size: FS
Master Electrical Component List
Fuel System Description
Control Module References
Controlled/Monitored Subsystem and Transmission References
Figure 11:

Fuel Controls - Fuel Pump Controls 4.8L/6.0L


Object Number: 1878764  Size: FS
Master Electrical Component List
Fuel System Description
Control Module References
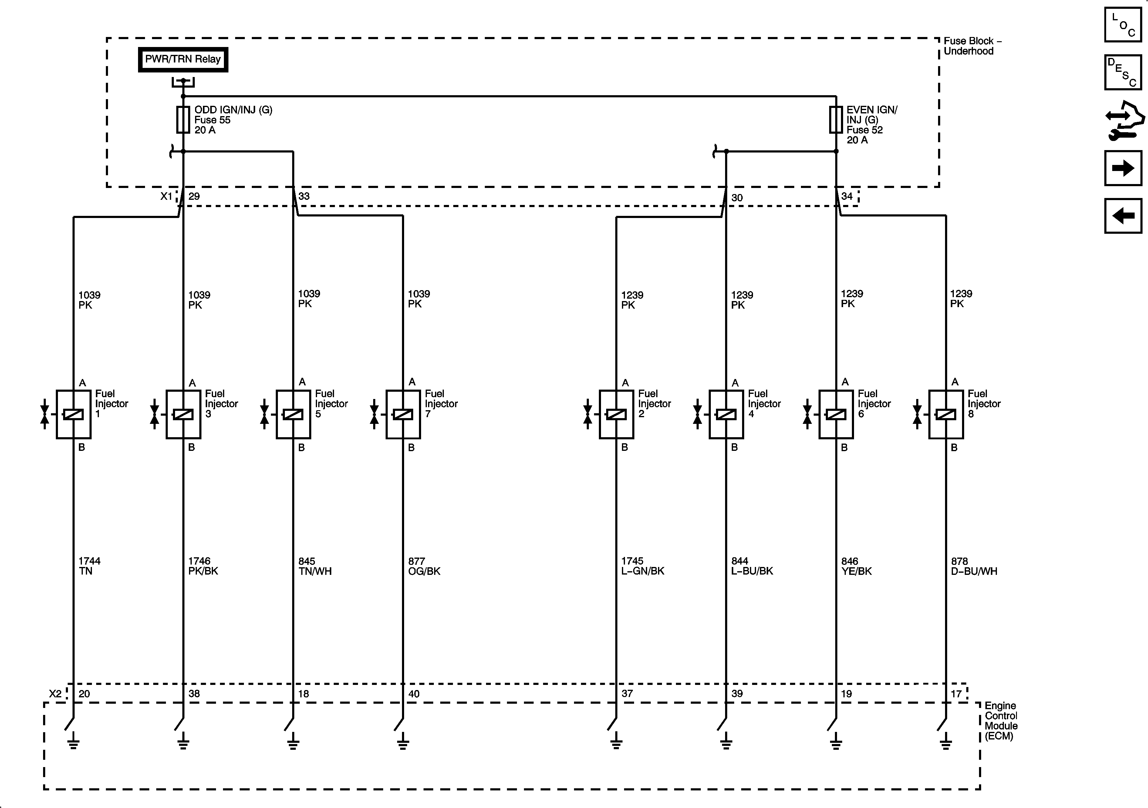
Fuel Controls - Fuel Injectors
Ignition Controls - CKP, CMP and Knock Sensors
Figure 12:

Fuel Controls - Fuel Injectors


Object Number: 1878774  Size: FS
Master Electrical Component List
Fuel System Description
Control Module References
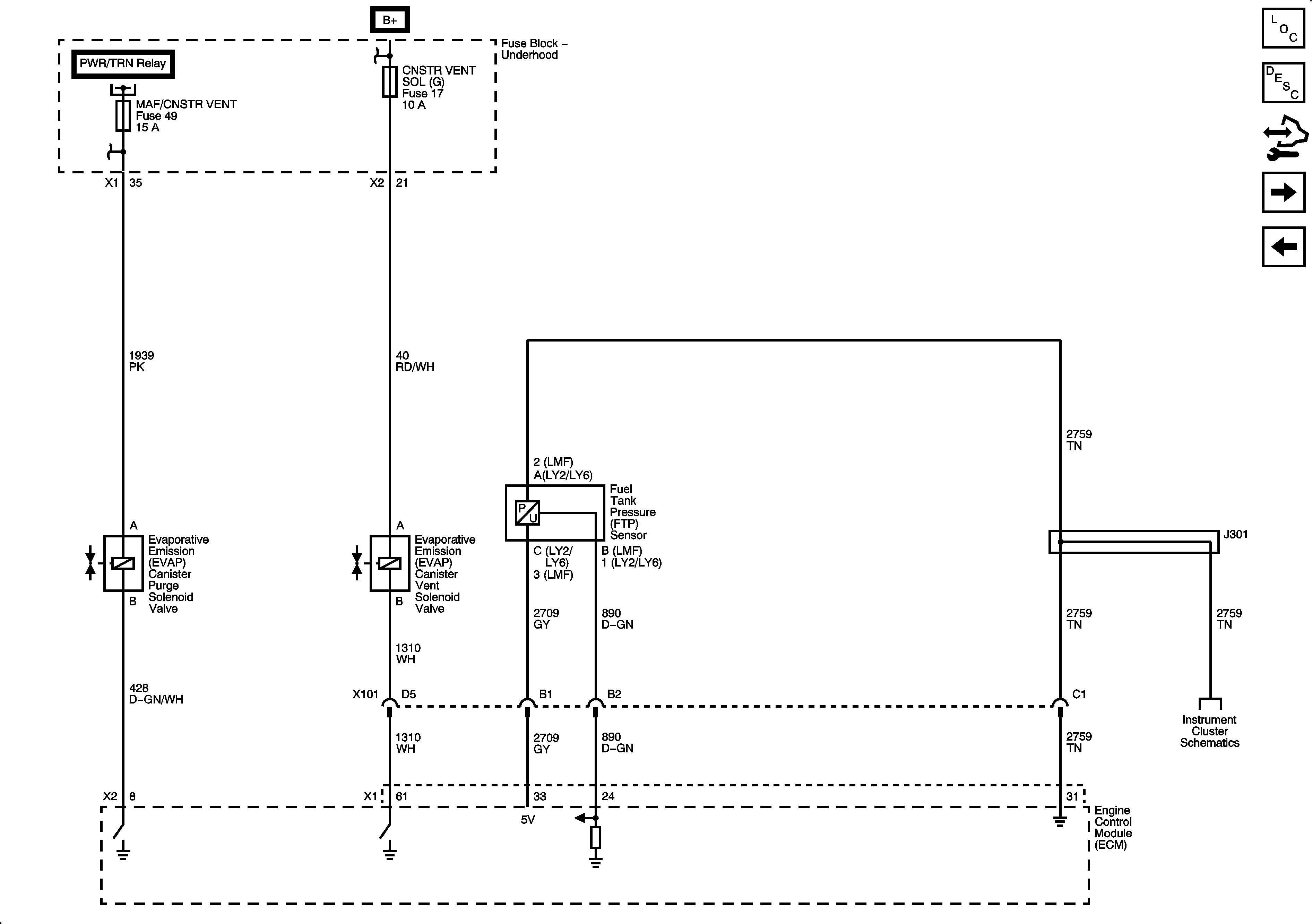
Fuel Controls - EVAP and Device Controls
Fuel Controls - Fuel Pump Controls (4.8L/6.0L)
Figure 13:

Fuel Controls - EVAP and Device Controls


Object Number: 1878779  Size: FS
Master Electrical Component List
Evaporative Emission Control System Description
Control Module References
Controlled/Monitored Subsystem and Transmission References
Fuel Controls - Fuel Injectors
Figure 14:

Controlled/Monitored Subsystem and Transmission References


Object Number: 1878783  Size: FS
Master Electrical Component List
Fuel System Description
Control Module References
Fuel Pump Flow Control Module 5.3L
Fuel Controls - EVAP and Device Controls