GM Service Manual Online
For 1990-2009 cars only
Figure 1:

Primary Blower and Air Delivery Controls C42 and Vacuum Pump - Diesel


Object Number: 1878533  Size: FS
Master Electrical Component List
Air Delivery Description and Operation
Control Module References
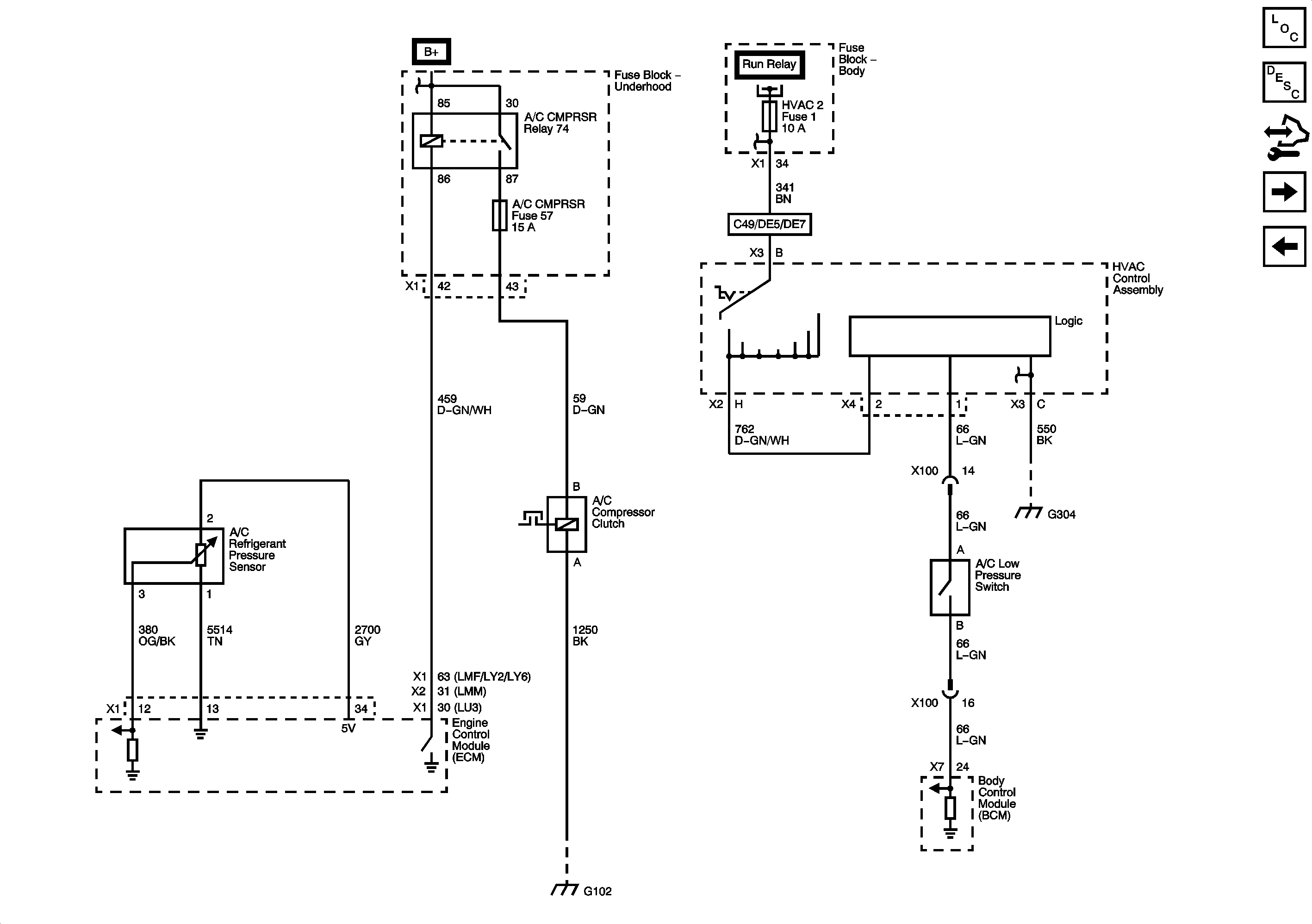
Compressor Controls C60
Figure 2:

Compressor Controls C60


Object Number: 1878541  Size: FS
Master Electrical Component List
Air Temperature Description and Operation
Control Module References
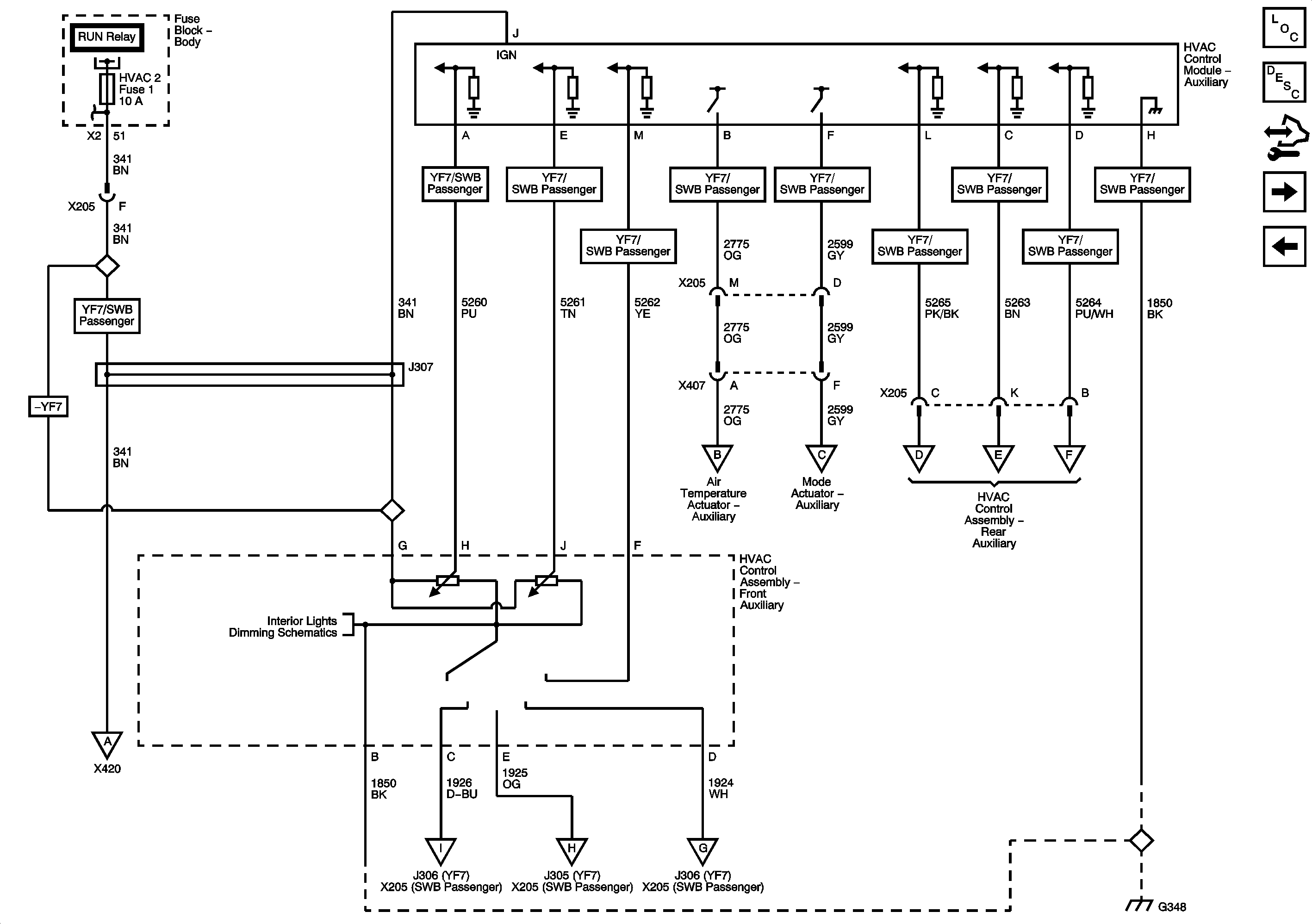
Rear HVAC with Rear Auxiliary Controls 1 of 3 C69
Primary Blower and Air Delivery Controls C42 and Vacuum Pump - Diesel
Figure 3:

Rear HVAC with Rear Auxiliary Controls (1 of 3) C69


Object Number: 1878547  Size: FS
Master Electrical Component List
Air Temperature Description and Operation
Control Module References
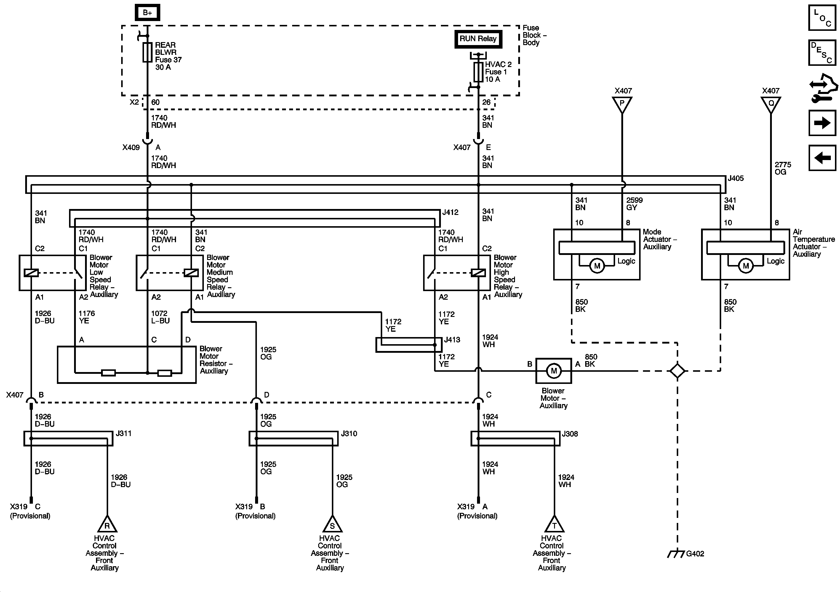
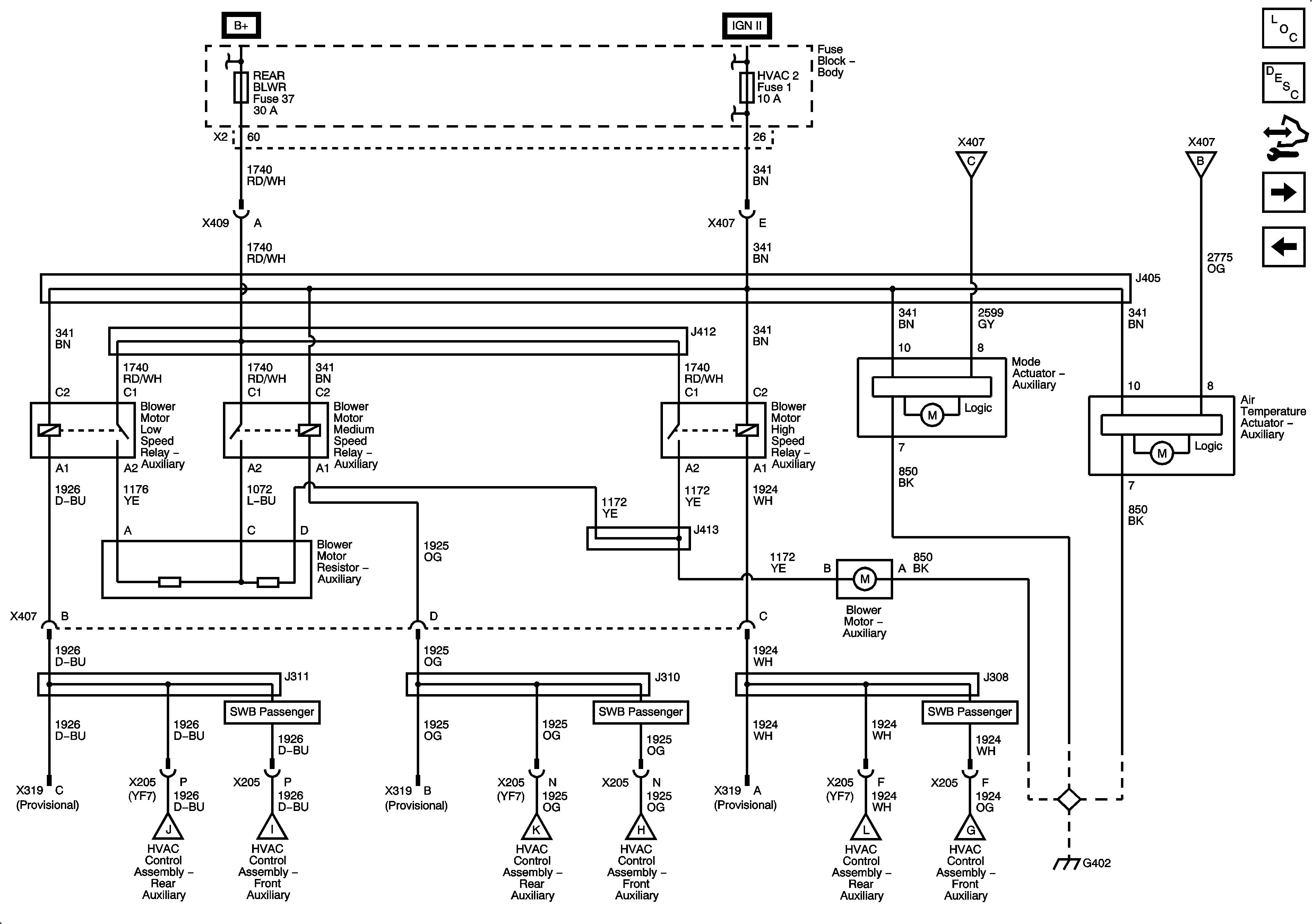
Rear HVAC with Rear Auxiliary Controls 2 of 3 C69
Compressor Controls C60
Figure 4:

Rear HVAC with Rear Auxiliary Controls (2 of 3) C69


Object Number: 1878600  Size: FS
Master Electrical Component List
Air Temperature Description and Operation
Control Module References
Rear HVAC with Rear Auxiliary Controls 3 of 3 C69
Rear HVAC with Rear Auxiliary Controls 1 of 3 C69
Figure 5:

Rear HVAC with Rear Auxiliary Controls (3 of 3) C69


Object Number: 1878560  Size: FS
Master Electrical Component List
Air Temperature Description and Operation
Control Module References
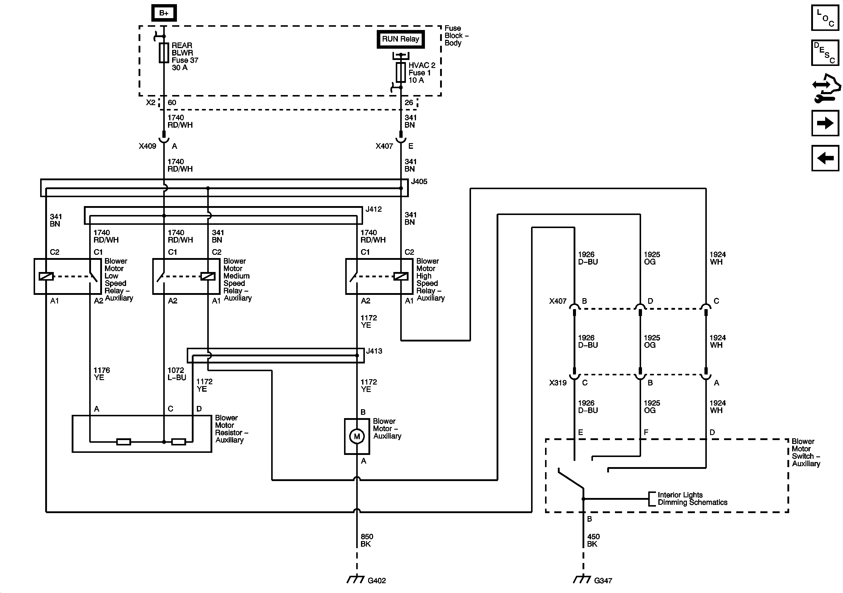
Rear HVAC without Rear Auxiliary Controls 1 of 2 C69
Rear HVAC with Rear Auxiliary Controls 2 of 3 C69
Figure 6:

Rear HVAC without Rear Auxiliary Controls (1 of 2) C69


Object Number: 1878565  Size: FS
Master Electrical Component List
Air Temperature Description and Operation
Control Module References
Rear HVAC without Rear Auxiliary Controls 2 of 2 C69
Rear HVAC with Rear Auxiliary Controls 3 of 3 C69
Figure 7:

Rear HVAC without Rear Auxiliary Controls (2 of 2) C69


Object Number: 1878604  Size: FS
Master Electrical Component List
Air Temperature Description and Operation
Control Module References
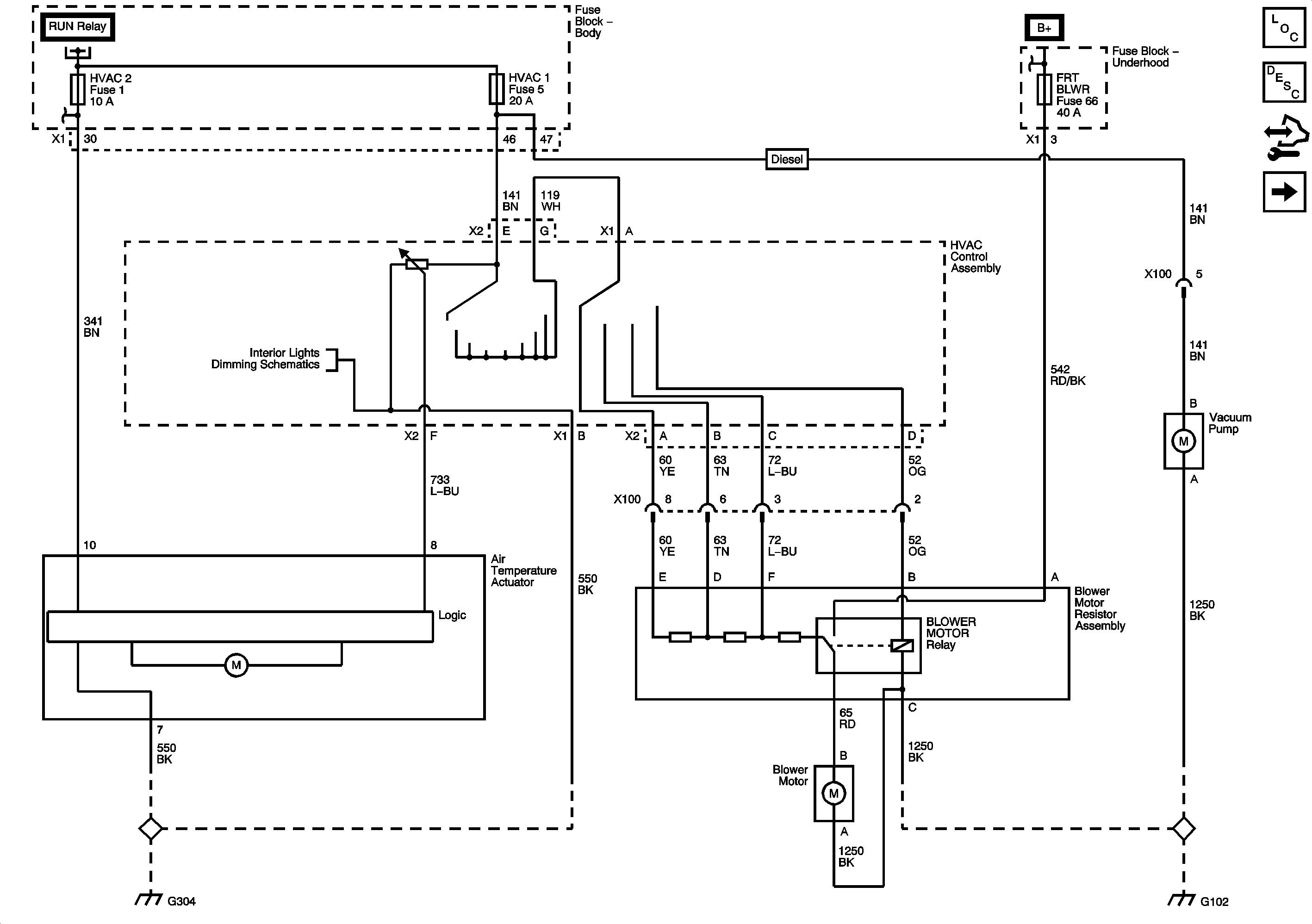
Rear HVAC C36 without C69
Rear HVAC without Rear Auxiliary Controls 1 of 2 C69
Figure 8:

Rear HVAC C36 without C69


Object Number: 1878607  Size: FS
Master Electrical Component List
Air Temperature Description and Operation
Control Module References
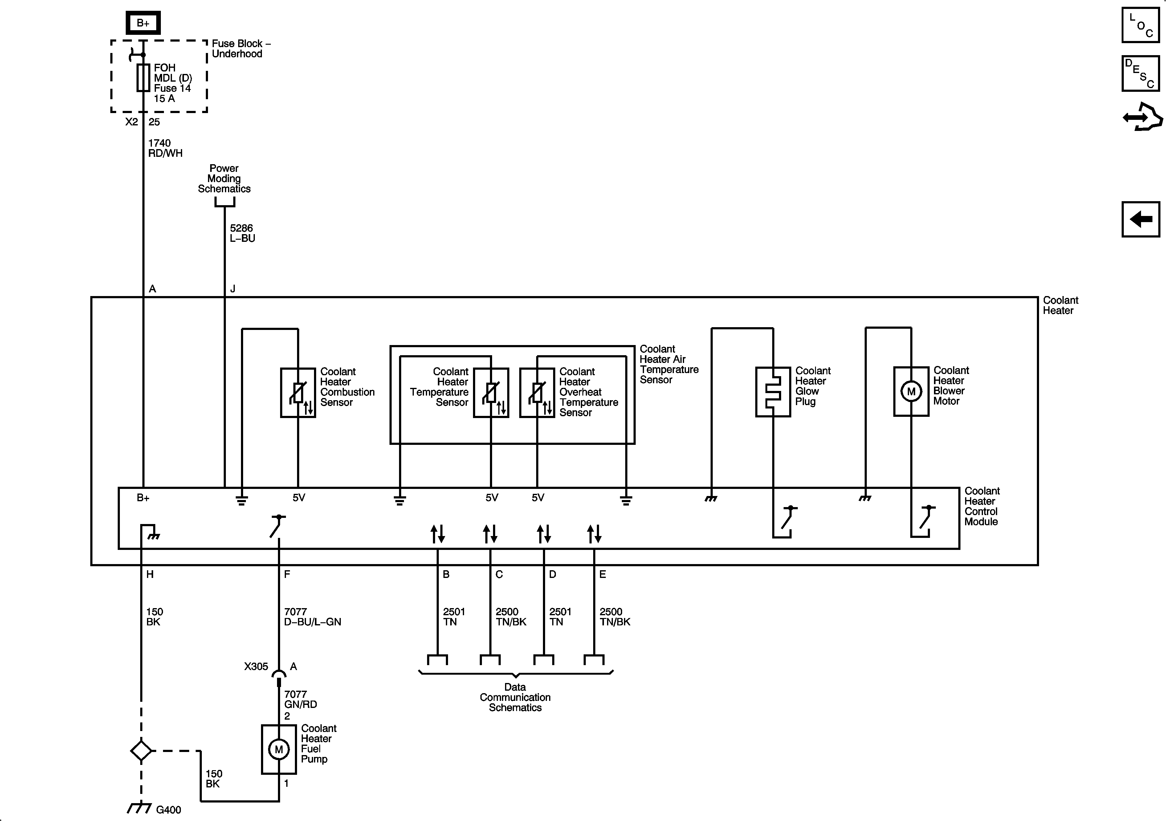
Coolant Heater (K08)
Rear HVAC without Rear Auxiliary Controls 2 of 2 C69
Figure 9:

Coolant Heater (K08)


Object Number: 1878616  Size: FS
Master Electrical Component List
Air Temperature Description and Operation
Control Module References
Rear HVAC C36 without C69