GM Service Manual Online
For 1990-2009 cars only
Makes
🢒
Chevrolet
🢒
2008
🢒
Express
🢒
Diagnostic Navigation
🢒
Vehicle Diagnostic Information
🢒 Interior Lights Schematics
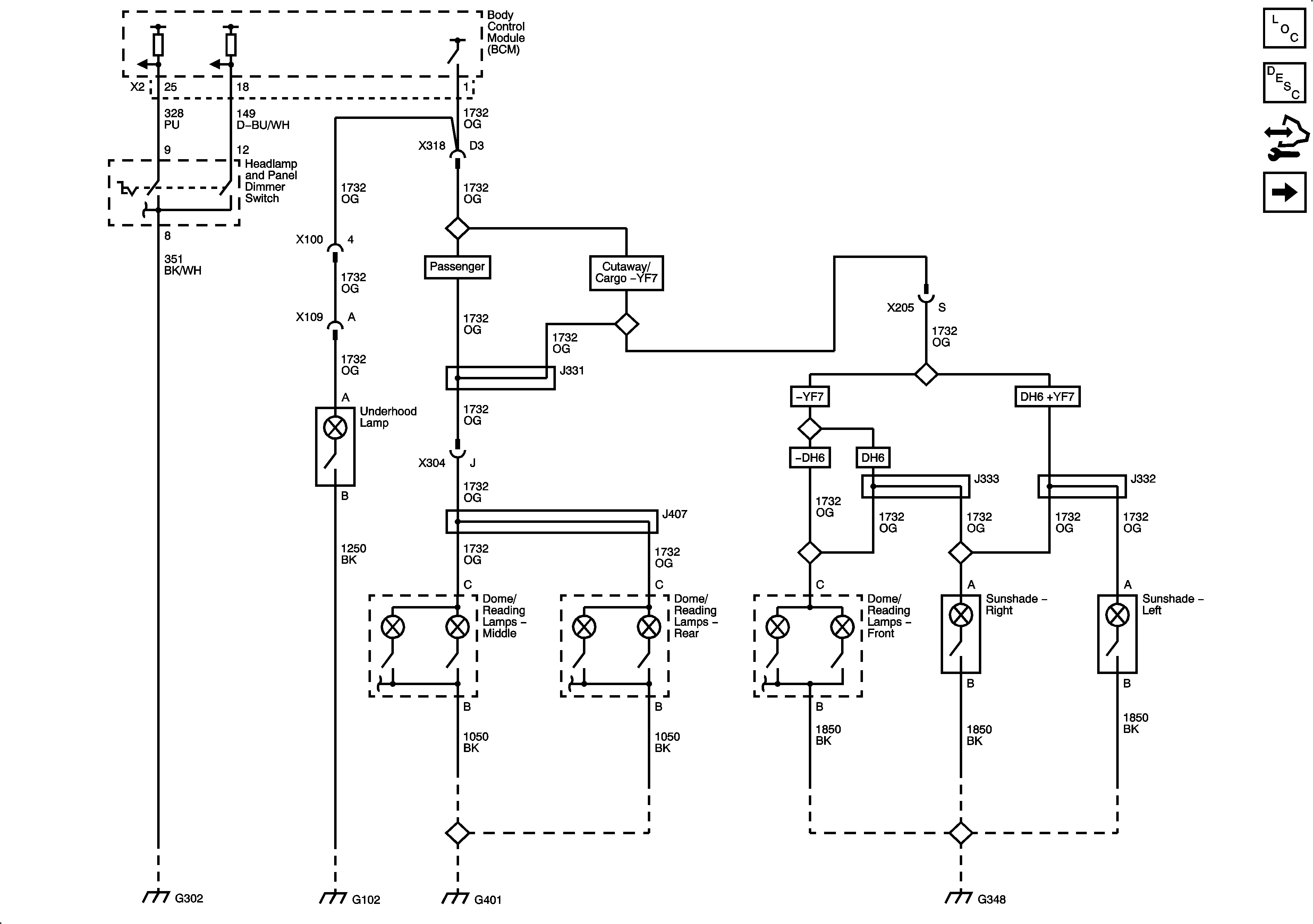
Figure
1:
Inadvertant Lamp Control
Master Electrical Component List
Interior Lighting Systems Description and Operation
Control Module References
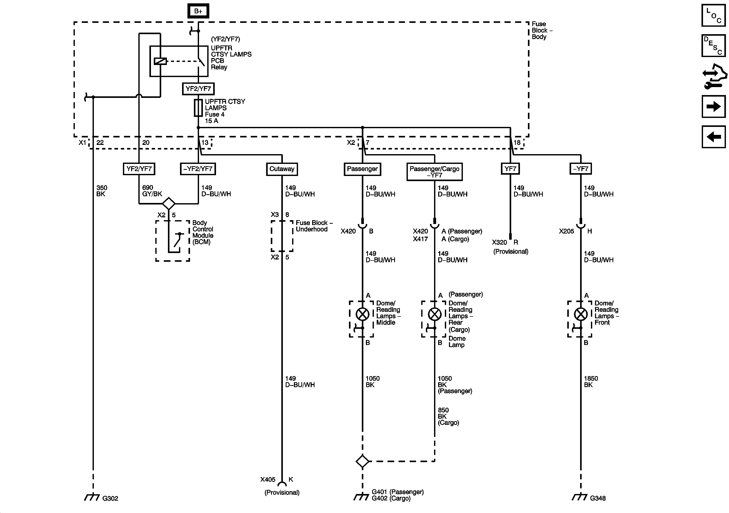
Courtesy Lamp Control
Figure
2:
Courtesy Lamp Control
Master Electrical Component List
Interior Lighting Systems Description and Operation
Control Module References
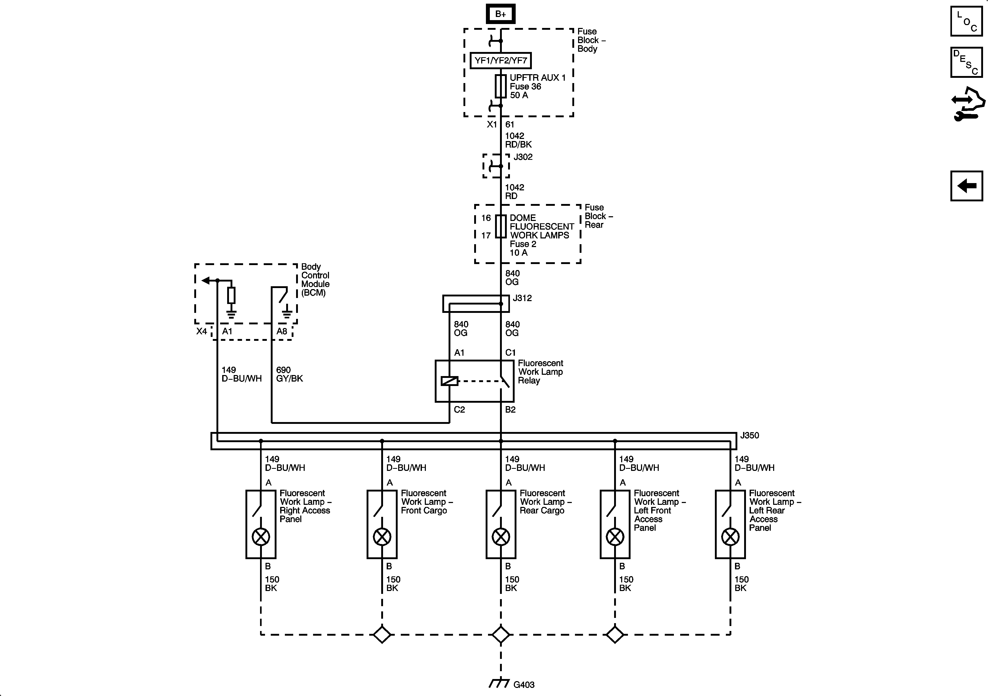
Dome Fluorescent Work Lamps (PRP with UF2)
Inadvertant Lamp Control
Figure
3:
Dome Fluorescent Work Lamps (PRP with UF2)
Master Electrical Component List
Interior Lighting Systems Description and Operation
Control Module References
Courtesy Lamp Control