GM Service Manual Online
For 1990-2009 cars only
Makes
🢒
Chevrolet
🢒
2008
🢒
Express
🢒
Diagnostic Navigation
🢒
Vehicle Diagnostic Information
🢒 Interior Lights Dimming Schematics
Figure
1:
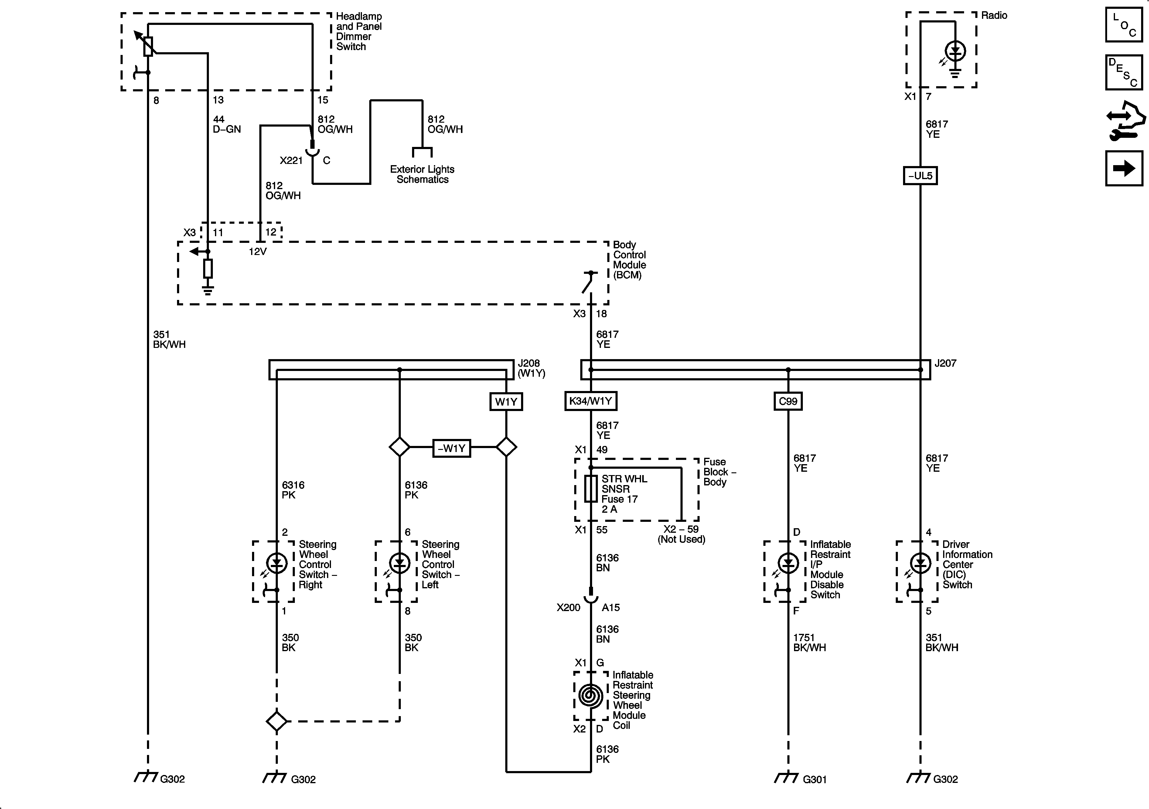
I/P Dimming Supply Voltage and LED Dimming Supply Voltage (1 of 3)
Master Electrical Component List
Interior Lighting Systems Description and Operation
Control Module References
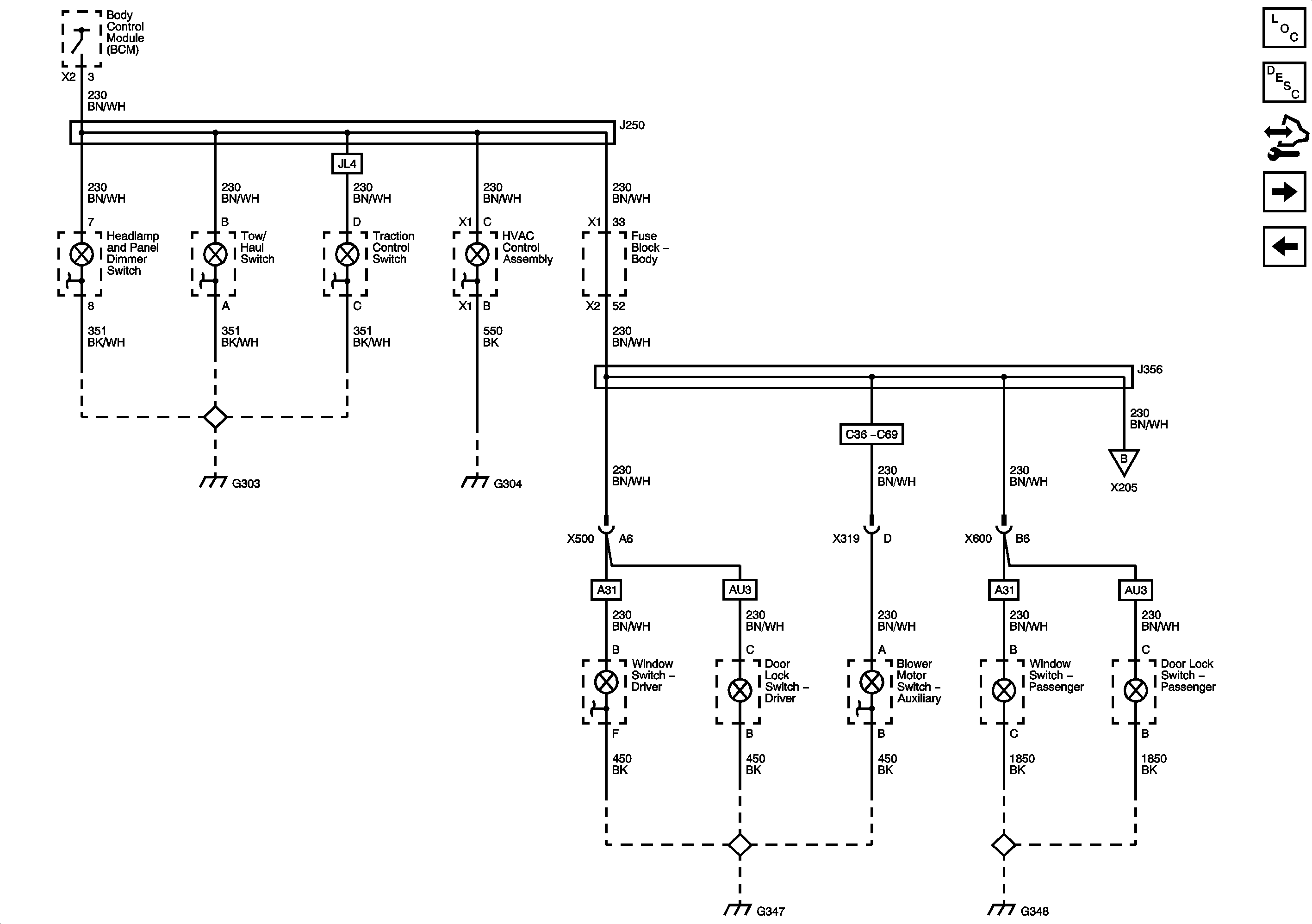
I/P Dimming Supply Voltage 2 of 3
Figure
2:
I/P Dimming Supply Voltage (2 of 3)
Master Electrical Component List
Interior Lighting Systems Description and Operation
Control Module References
I/P Dimming Supply Voltage 3 of 3
I/P Dimming Supply Voltage and LED Dimming Supply Voltage 1 of 3
Figure
3:
I/P Dimming Supply Voltage (3 of 3)
Master Electrical Component List
Interior Lighting Systems Description and Operation
Control Module References
I/P Dimming Supply Voltage 2 of 3