GM Service Manual Online
For 1990-2009 cars only
Makes
🢒
Chevrolet
🢒
2008
🢒
Express
🢒
Body Systems
🢒
Lighting
🢒 Headlights/Daytime Running Lights (DRL) Schematics
Figure
1:
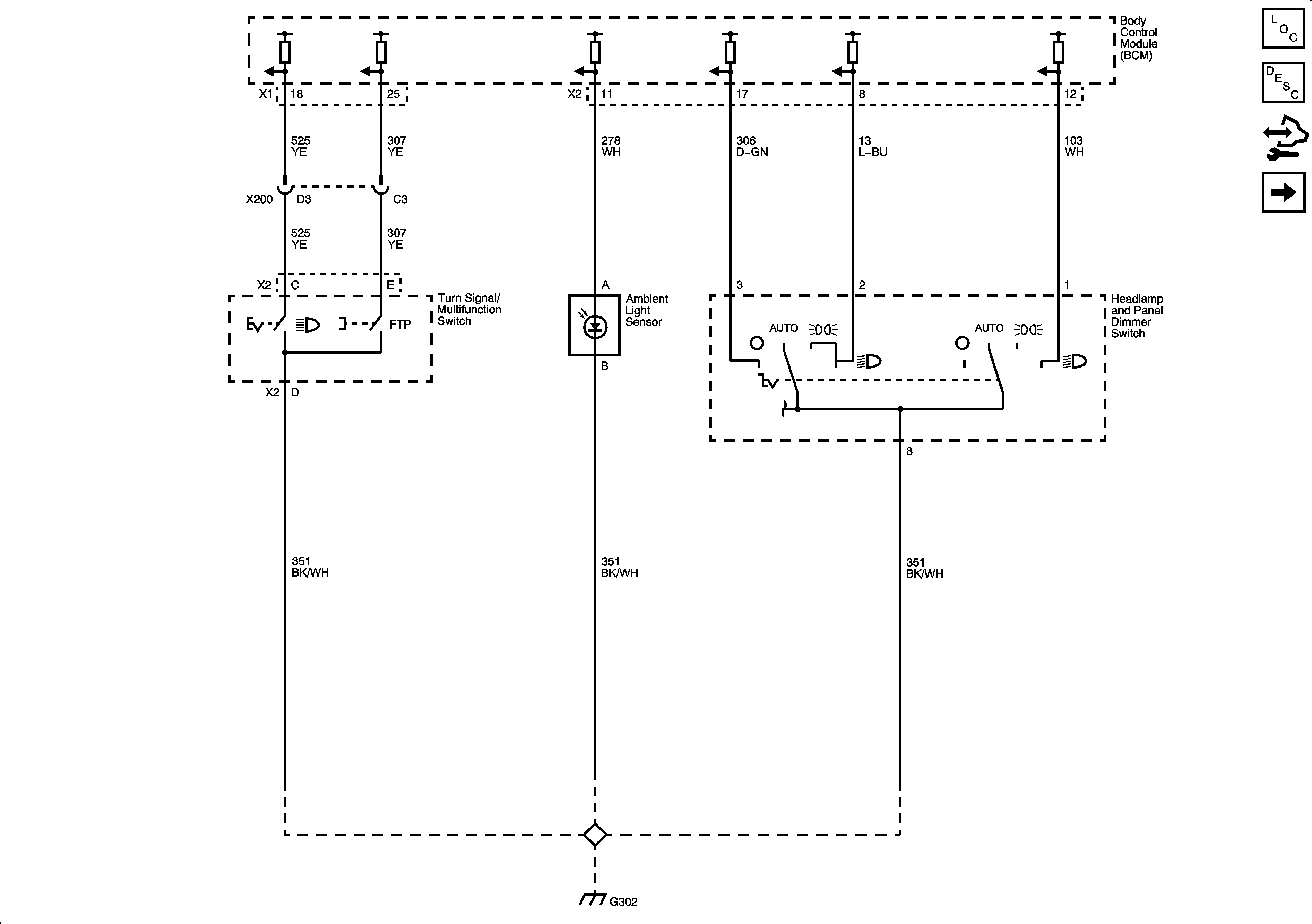
Headlamp and Daytime Running Lamp Controls
Master Electrical Component List
Exterior Lighting Systems Description and Operation
Control Module References
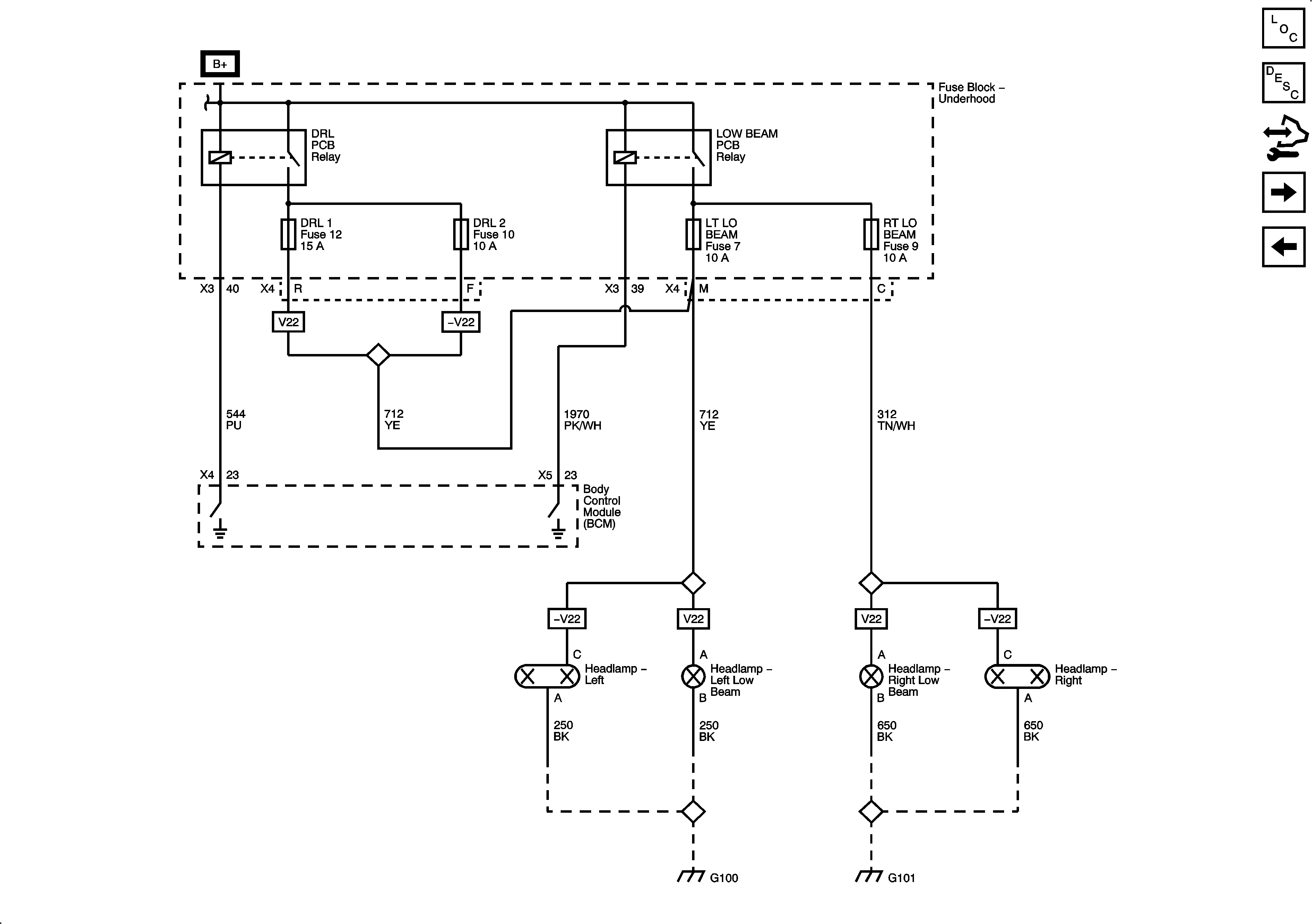
Low Beam and Daytime Running Lights (DRL)
Figure
2:
Low Beam and Daytime Running Lamps (DRL)
Master Electrical Component List
Exterior Lighting Systems Description and Operation
Control Module References
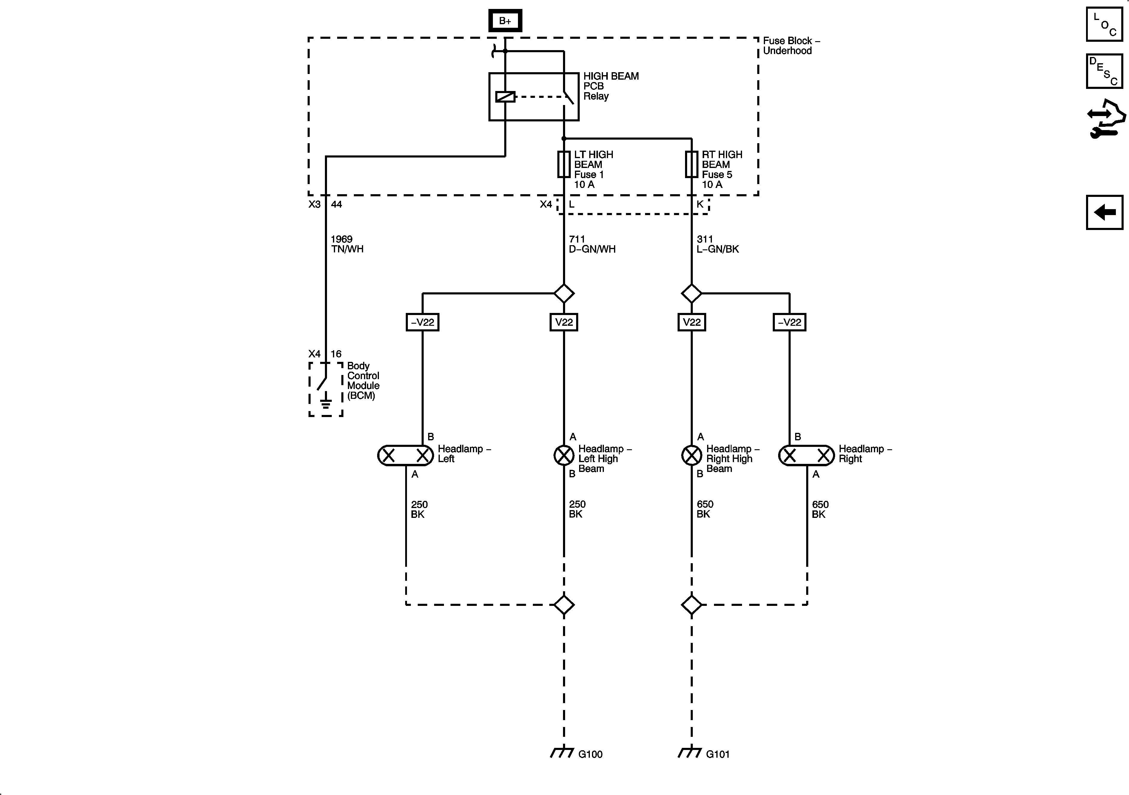
High Beams
Headlamp and Daytime Running Lamp Controls
Figure
3:
High Beams
Master Electrical Component List
Exterior Lighting Systems Description and Operation
Control Module References
Low Beam and Daytime Running Lights (DRL)