GM Service Manual Online
For 1990-2009 cars only

Automatic Transmission Controls Schematics Gas

Figure 1:

Module Power, Ground and Serial Data


Object Number: 1879016  Size: FS
Master Electrical Component List
Electronic Component Description
Control Module References
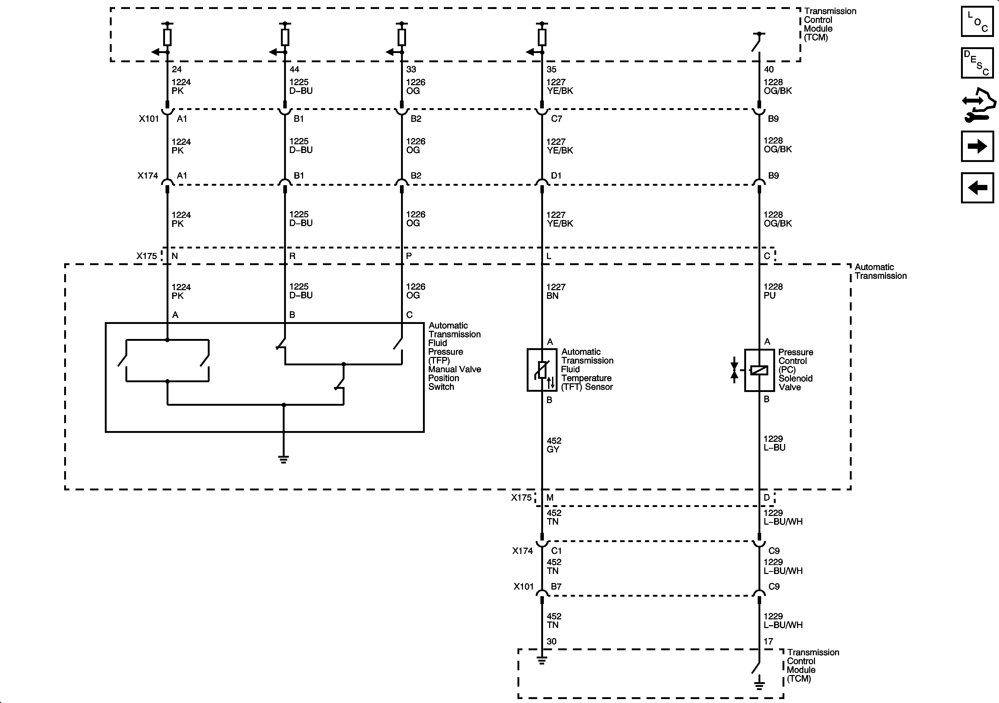
Pressure and Temperature Controls
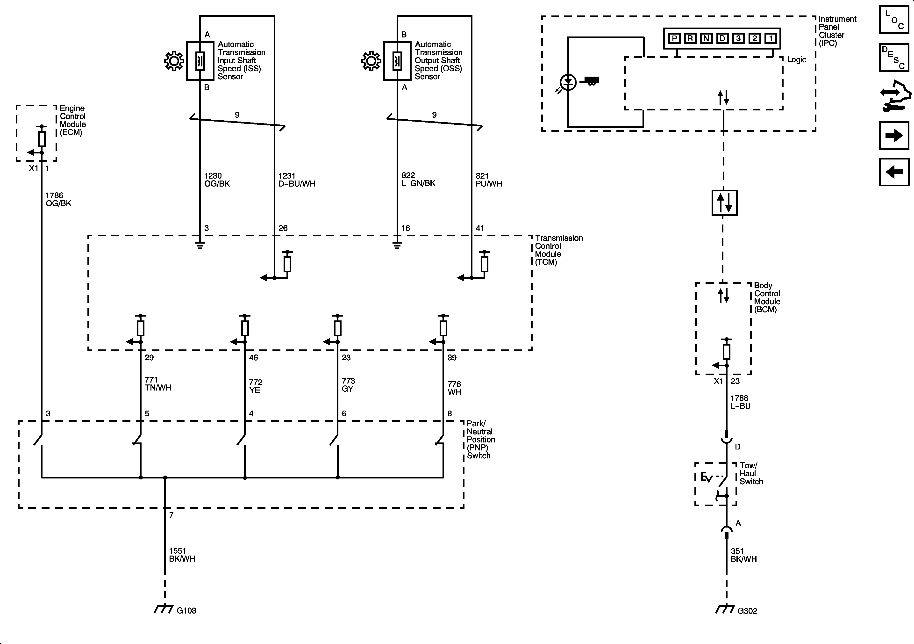
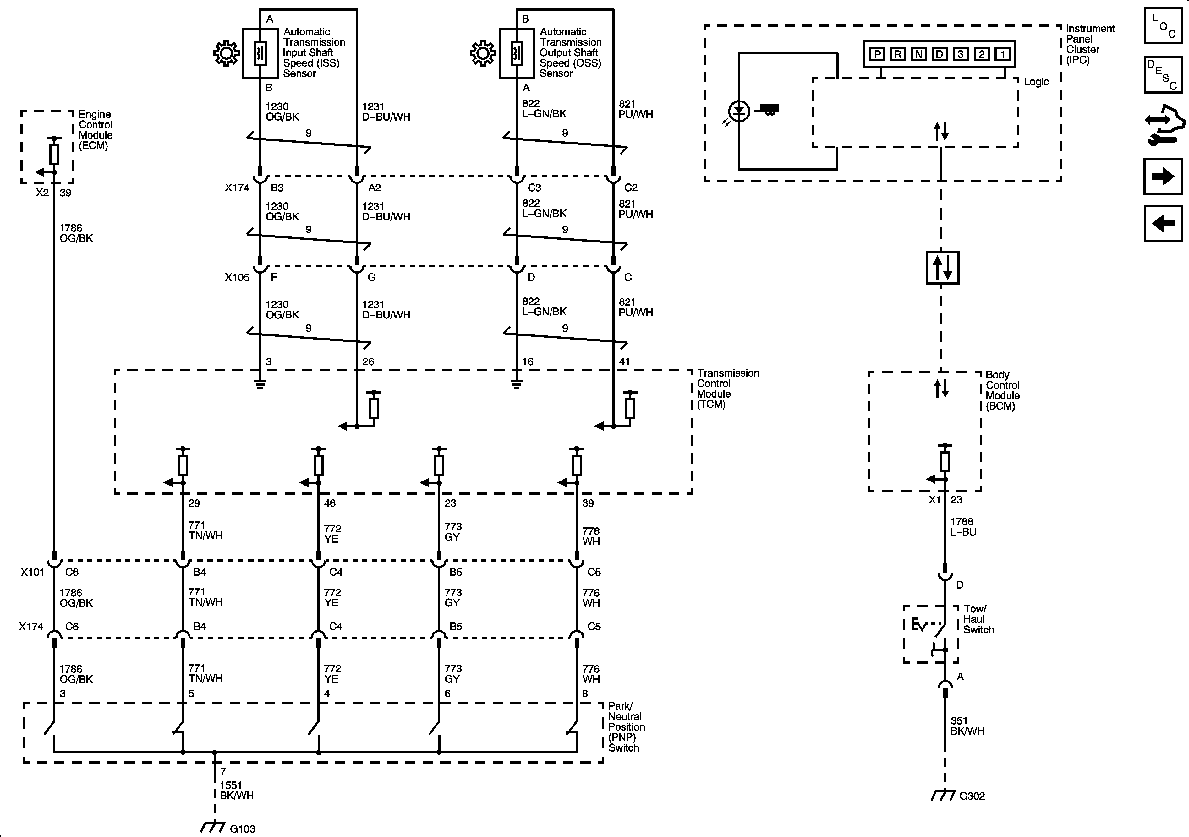
PNP Signals, VSS Signal and Tow Haul Signal
Figure 2:

Pressure and Temperature Controls


Object Number: 1883564  Size: FS
Master Electrical Component List
Electronic Component Description
Control Module References
PNP Signals, VSS Signal and Tow Haul Signal
Module Power, Ground and Serial Data
Figure 3:

PNP Signals, VSS Signal and Tow Haul Signal


Object Number: 1883571  Size: FS
Master Electrical Component List
Electronic Component Description
Control Module References
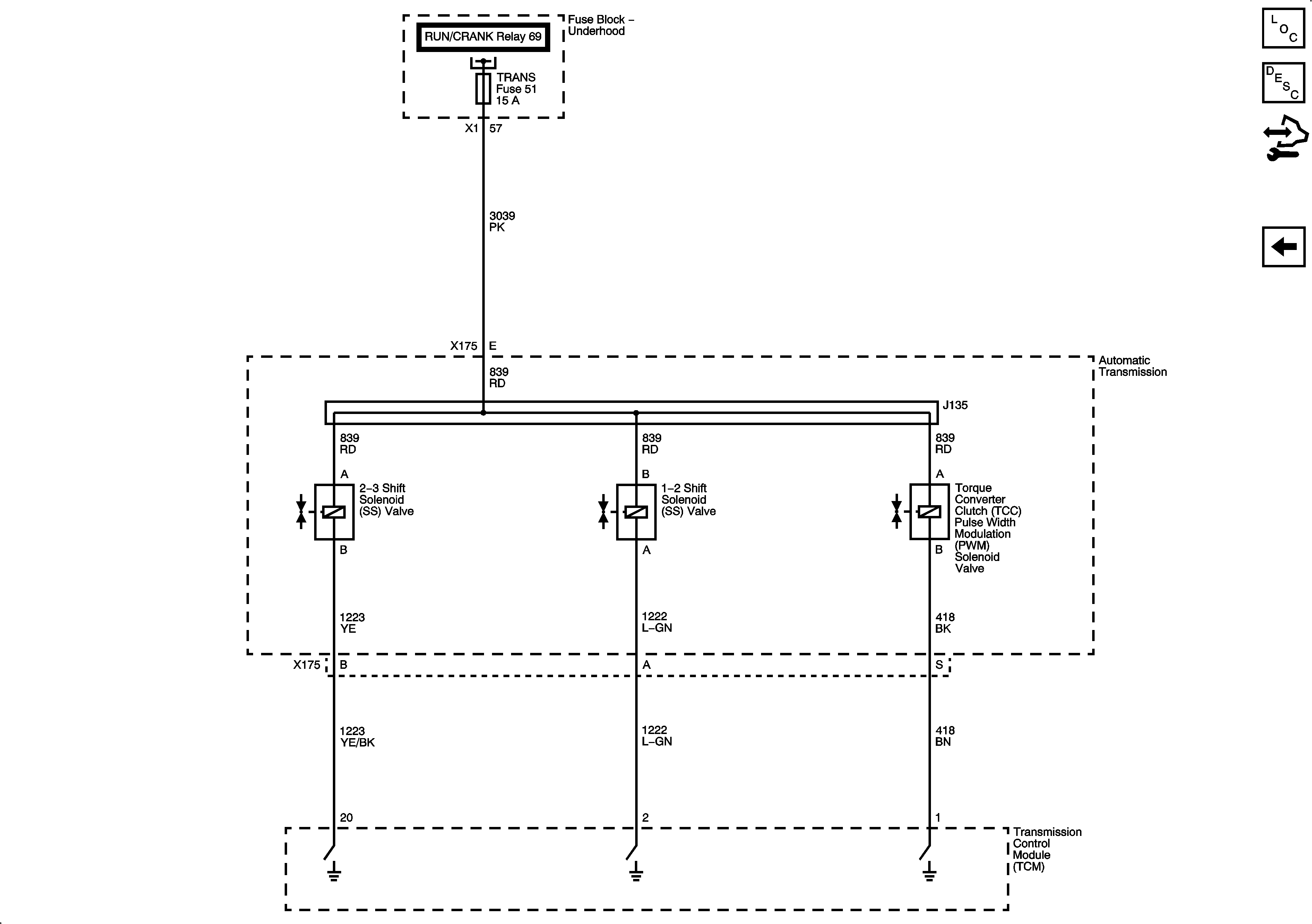
Shift Controls
Pressure and Temperature Controls
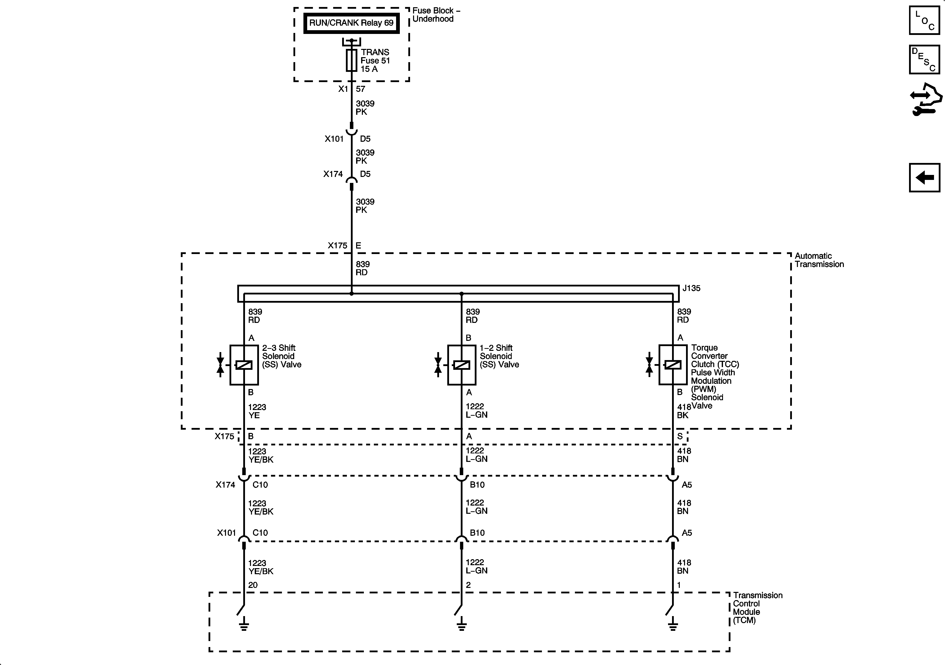
Figure 4:

Shift Controls


Object Number: 1925465  Size: FS
Master Electrical Component List
Electronic Component Description
Control Module References
Shift Controls
PNP Signals, VSS Signal and Tow Haul Signal

Automatic Transmission Controls Schematics Diesel

Figure 1:

Module Power, Ground and Serial Data


Object Number: 1879009  Size: FS
Master Electrical Component List
Electronic Component Description
Control Module References
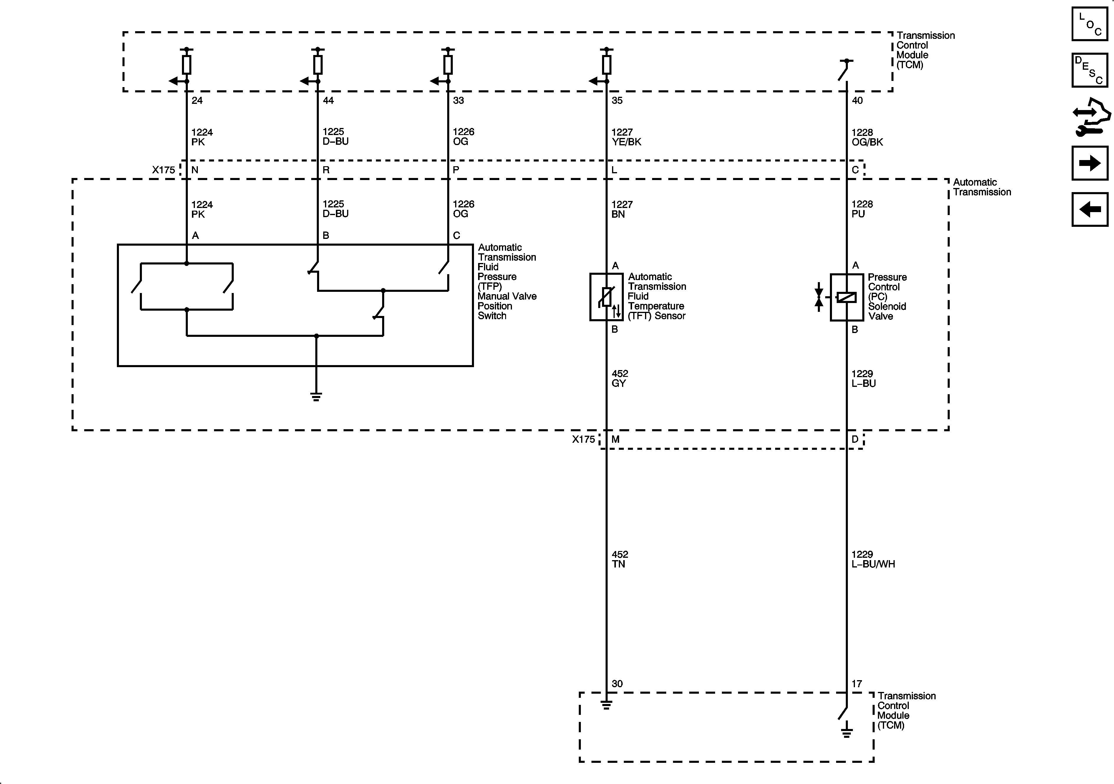
Pressure and Temperature Controls
Figure 2:

Pressure and Temperature Controls


Object Number: 1879011  Size: FS
Master Electrical Component List
Electronic Component Description
Control Module References
PNP Signals, VSS Signal and Tow Haul Signal
Module Power, Ground and Serial Data
Figure 3:

PNP Signals, VSS Signal and Tow Haul Signal


Object Number: 1879014  Size: FS
Master Electrical Component List
Electronic Component Description
Control Module References
Module Power, Ground and Serial Data
Pressure and Temperature Controls
Figure 4:

Shift Controls


Object Number: 1925475  Size: FS
Master Electrical Component List
Electronic Component Description
Control Module References
Shift Controls