J 23093 Center Support Alignment Tool
Note: If the center support assembly has been reconditioned, you must use a new yellow-colored center support bolt in order to maintain proper bolt torque.
Notice: Use the correct fastener in the correct location. Replacement fasteners must be the correct part number for that application. Fasteners requiring replacement or fasteners requiring the use of thread locking compound or sealant are identified in the service procedure. Do not use paints, lubricants, or corrosion inhibitors on fasteners or fastener joint surfaces unless specified. These coatings affect fastener torque and joint clamping force and may damage the fastener. Use the correct tightening sequence and specifications when installing fasteners in order to avoid damage to parts and systems.
Note: Do not overtighten the center support bolt.
Tighten
Maintain pressure on
J 23093 while tightening the new center support bolt to 43 N·m (32 lb ft).
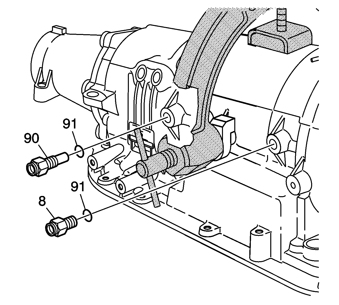
Note: During the 2008 model year a new aluminum fluid cooler pipe fitting went into use. The aluminum fittings have different threads, use O-ring seals and must be used with the correct transmission case.
Tighten
| • | Tighten the steel fitting to 35 N·m (26 lb ft). |
| • | Tighten the aluminum fitting to 22 N·m (16 lb ft). |
Tighten
| • | Tighten the steel fitting to 35 N·m (26 lb ft). |
| • | Tighten the aluminum fitting to 22 N·m (16 lb ft). |