GM Service Manual Online
For 1990-2009 cars only
Makes
🢒
Chevrolet
🢒
2008
🢒
Express
🢒
Power and Signal Distribution
🢒
Power Outlets
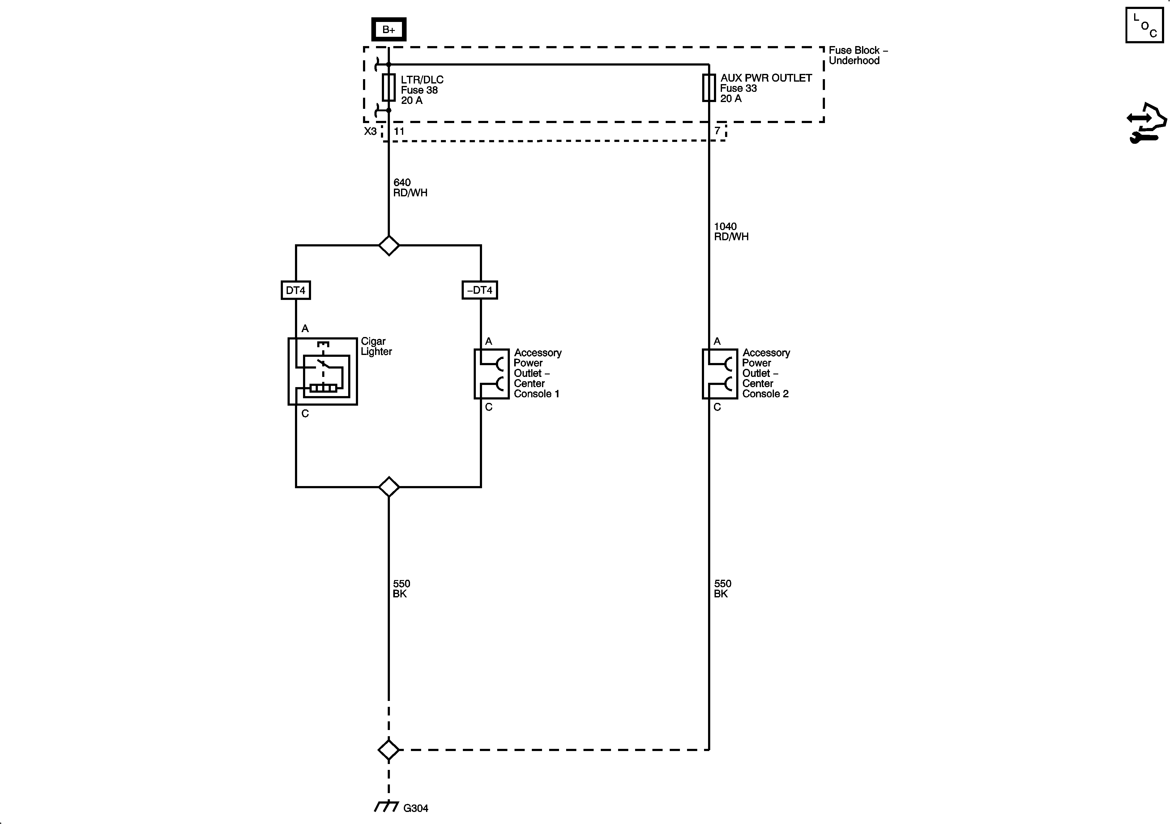
🢒 Cigar Lighter/Power Outlet Schematics
Master Electrical Component List
Control Module References