GM Service Manual Online
For 1990-2009 cars only
Figure 1:

G100 and G101


Object Number: 1884246  Size: FS
Master Electrical Component List
Control Module References
G102
Figure 2:

G102


Object Number: 1884248  Size: FS
Master Electrical Component List
Control Module References
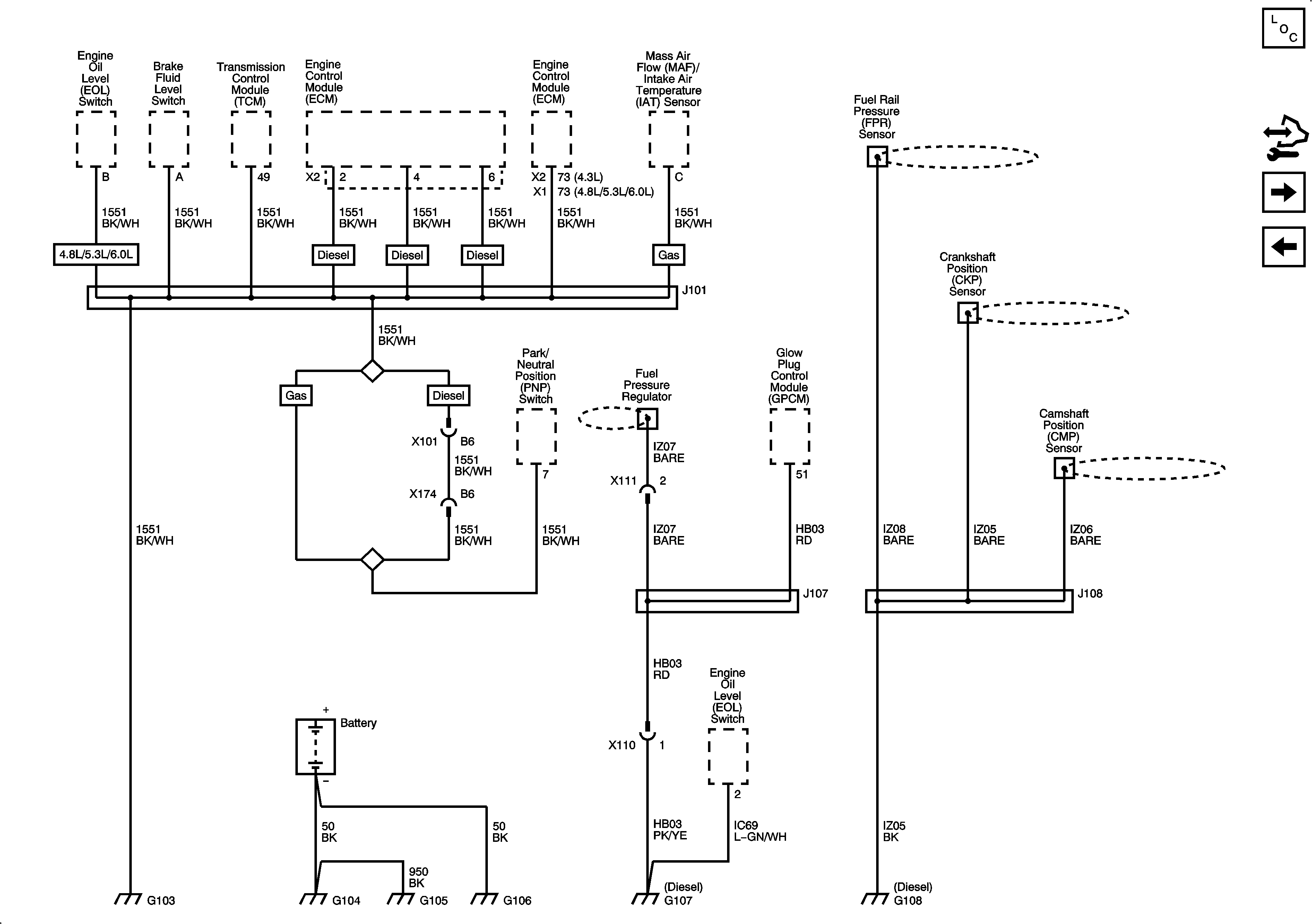
G103, G104, G105, G106, G107 and G108
G100 and G101
Figure 3:

G103, G104, G105, G106, G107 and G108


Object Number: 1884250  Size: FS
Master Electrical Component List
Control Module References
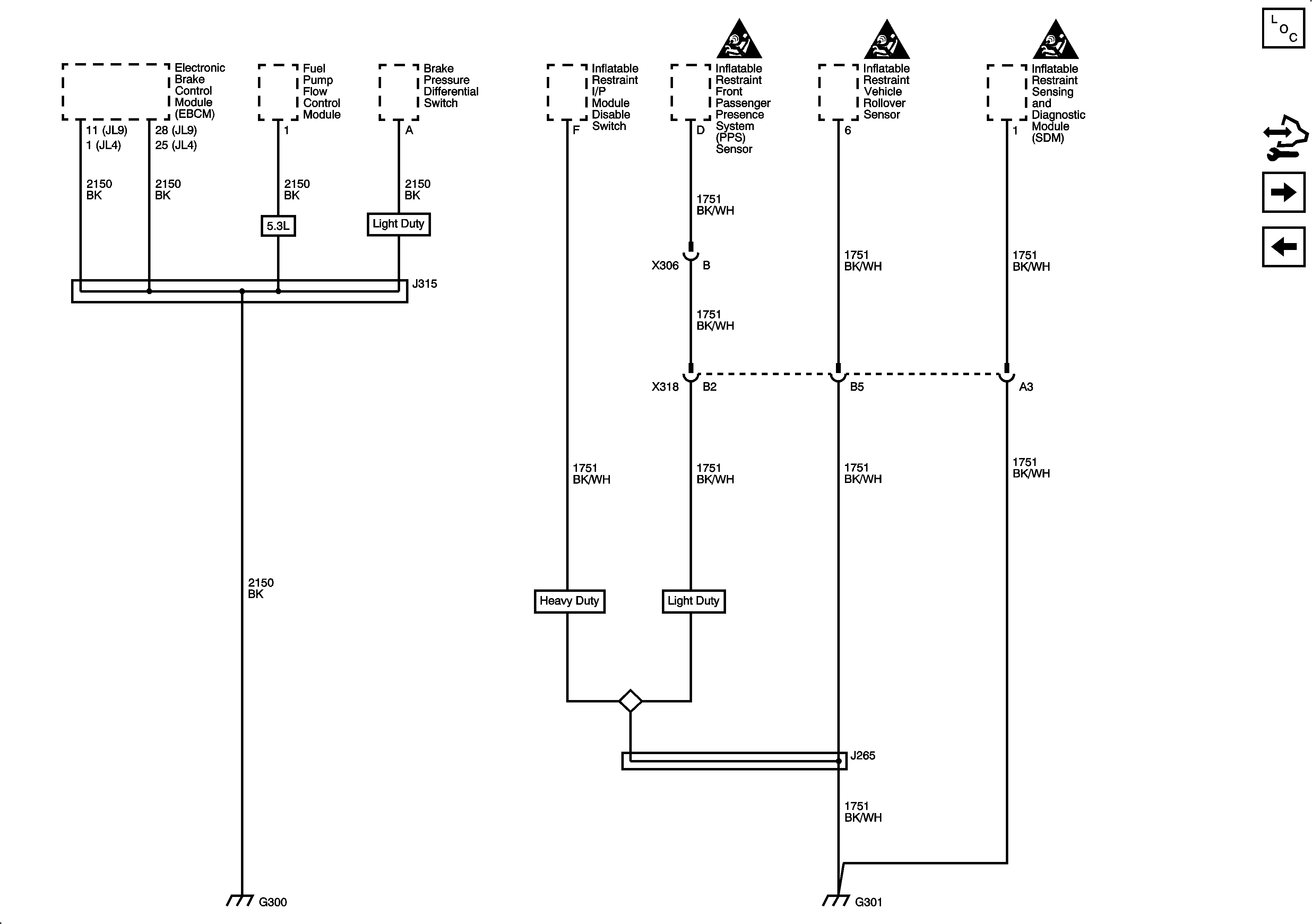
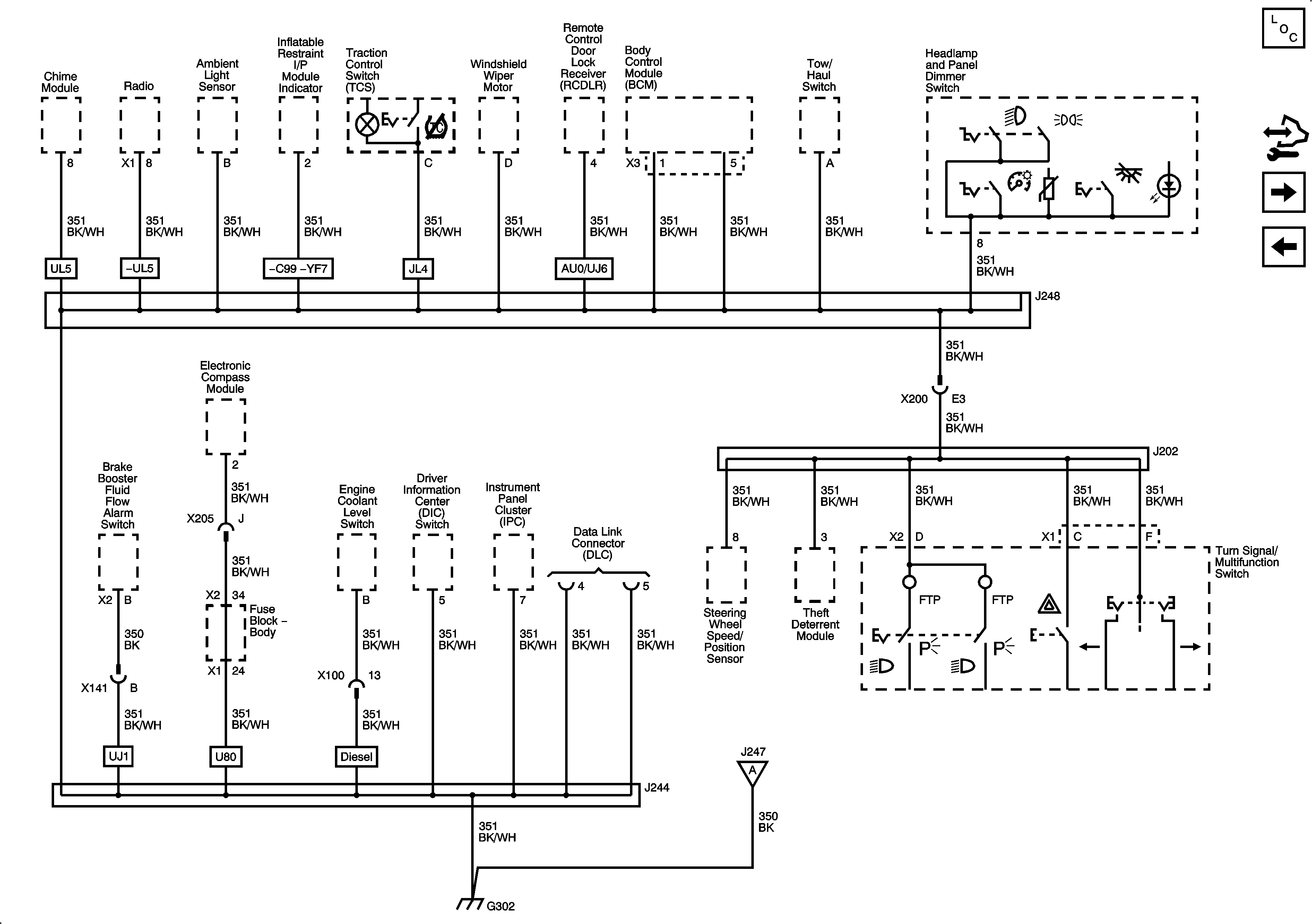
G300 and G301
G102
Figure 4:

G300 and G301


Object Number: 1884258  Size: FS
Master Electrical Component List
Control Module References
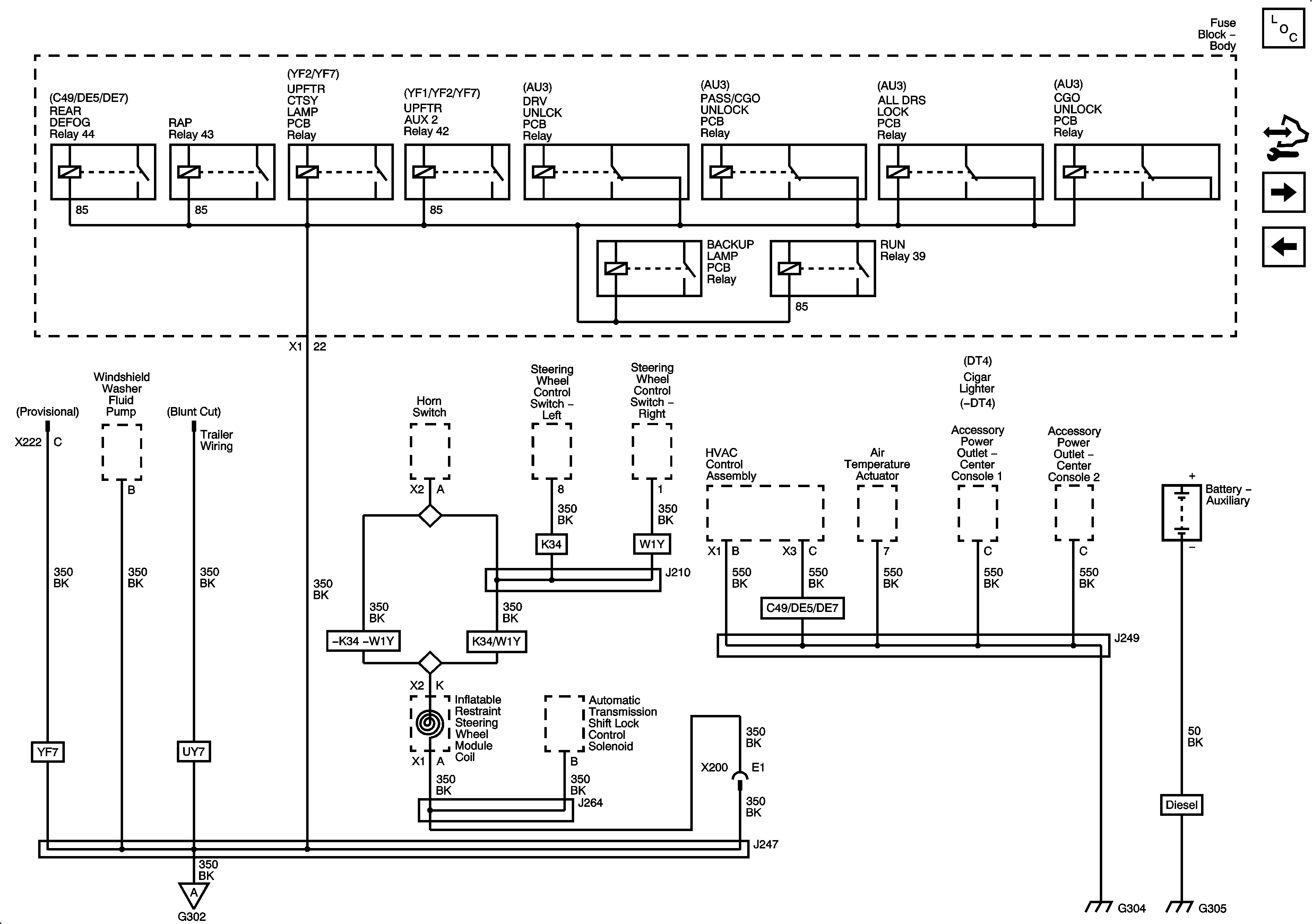
G302, G304 and G305
G103, G104, G105, G106, G107 and G108
Figure 5:

G302, G304 and G305


Object Number: 1884252  Size: FS
Master Electrical Component List
Control Module References
G303
G300 and G301
Figure 6:

G303


Object Number: 1884255  Size: FS
Master Electrical Component List
Control Module References
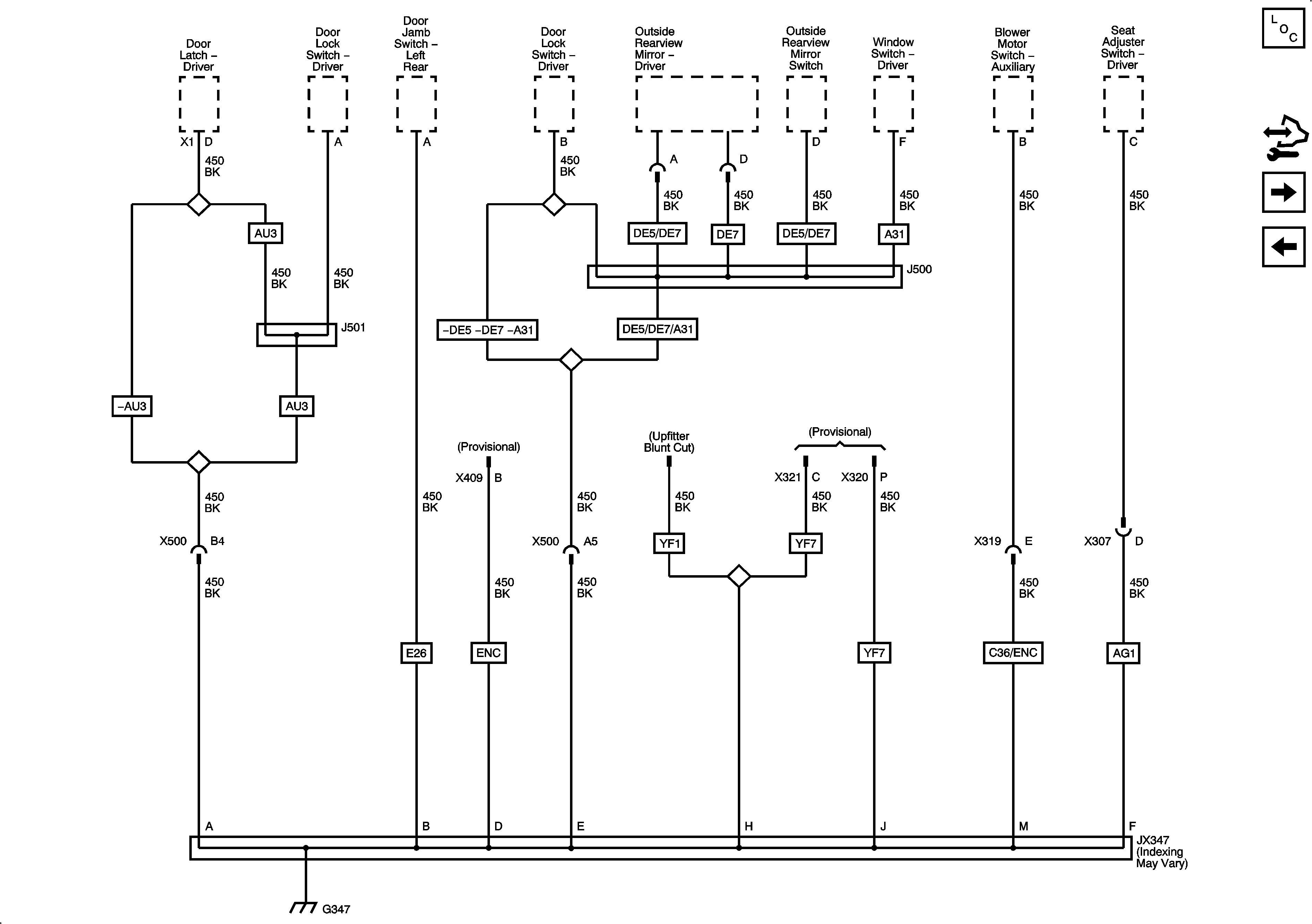
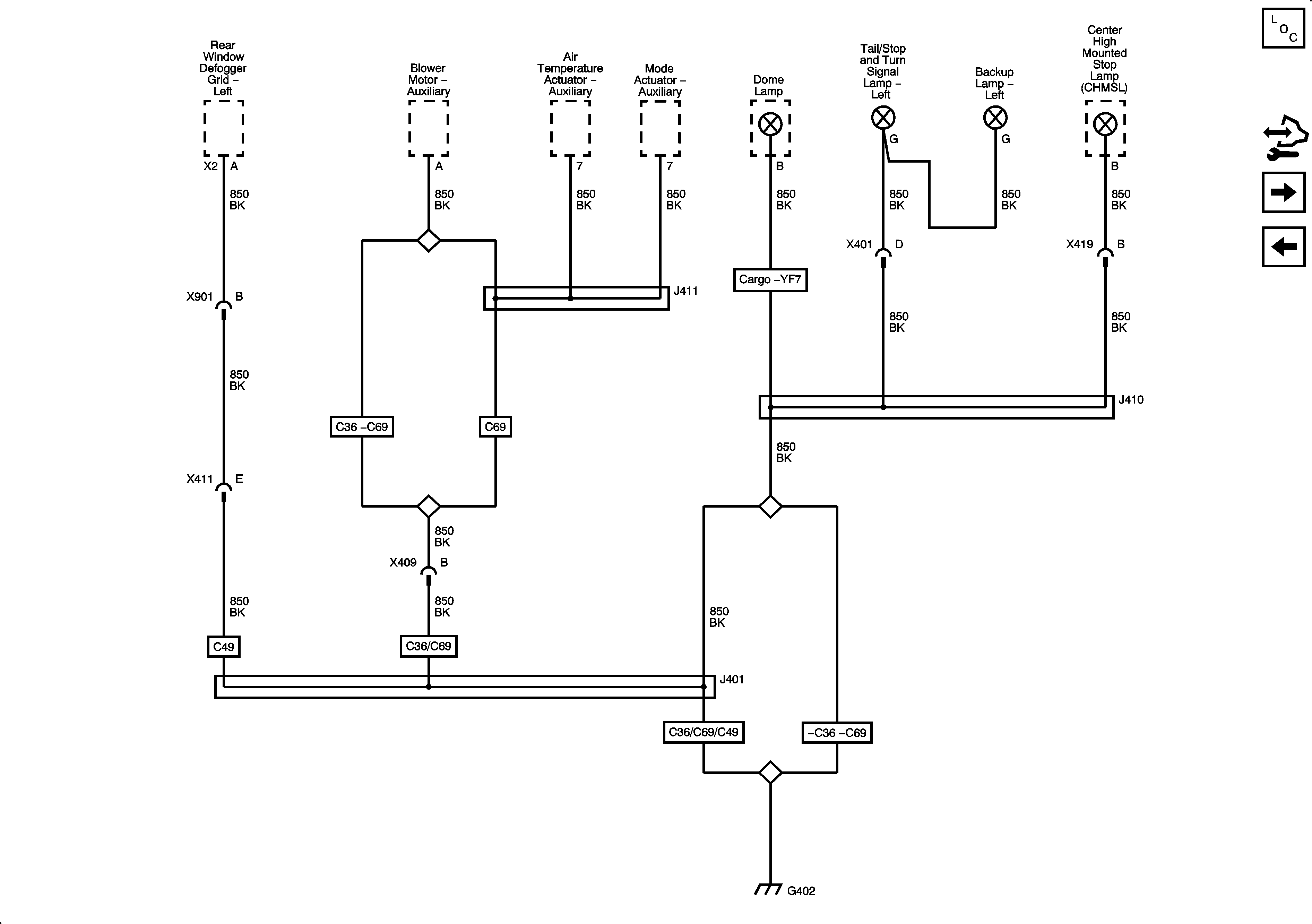
G347
G302, G304 and G305
Figure 7:

G347


Object Number: 1884261  Size: FS
Master Electrical Component List
Control Module References
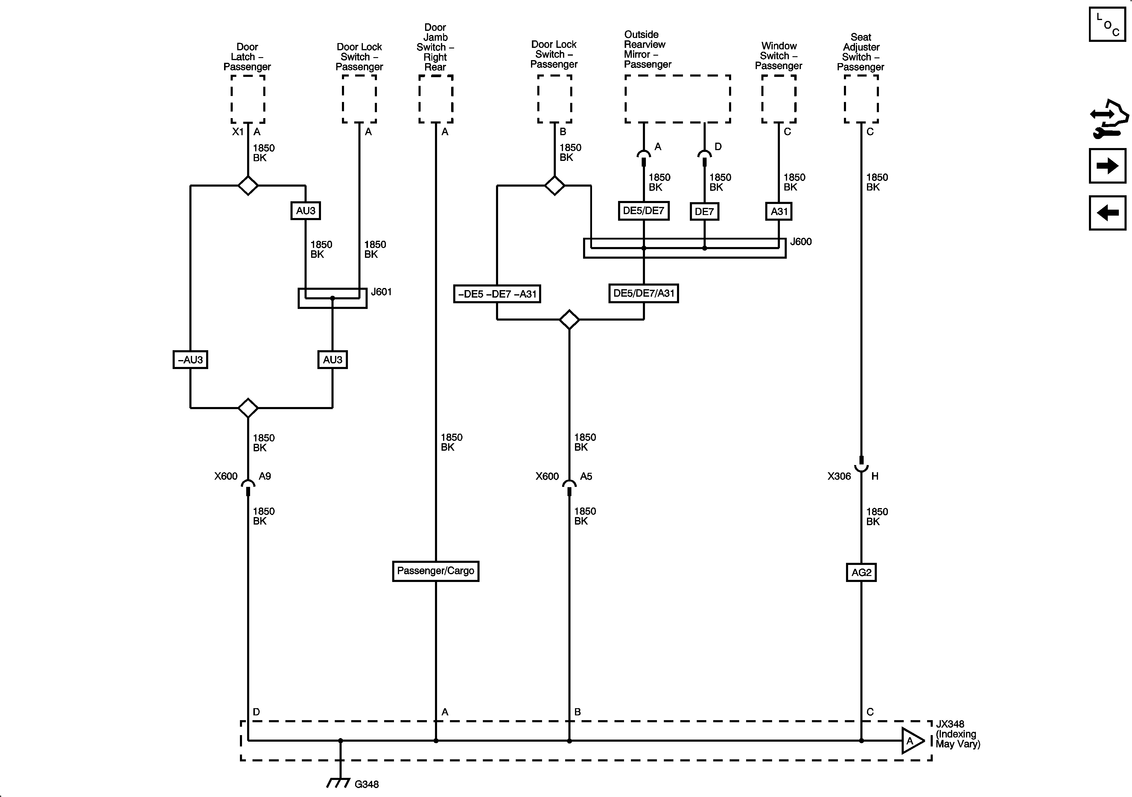
G348 1 of 2
G303
Figure 8:

G348 (1 of 2)


Object Number: 1884264  Size: FS
Master Electrical Component List
Control Module References
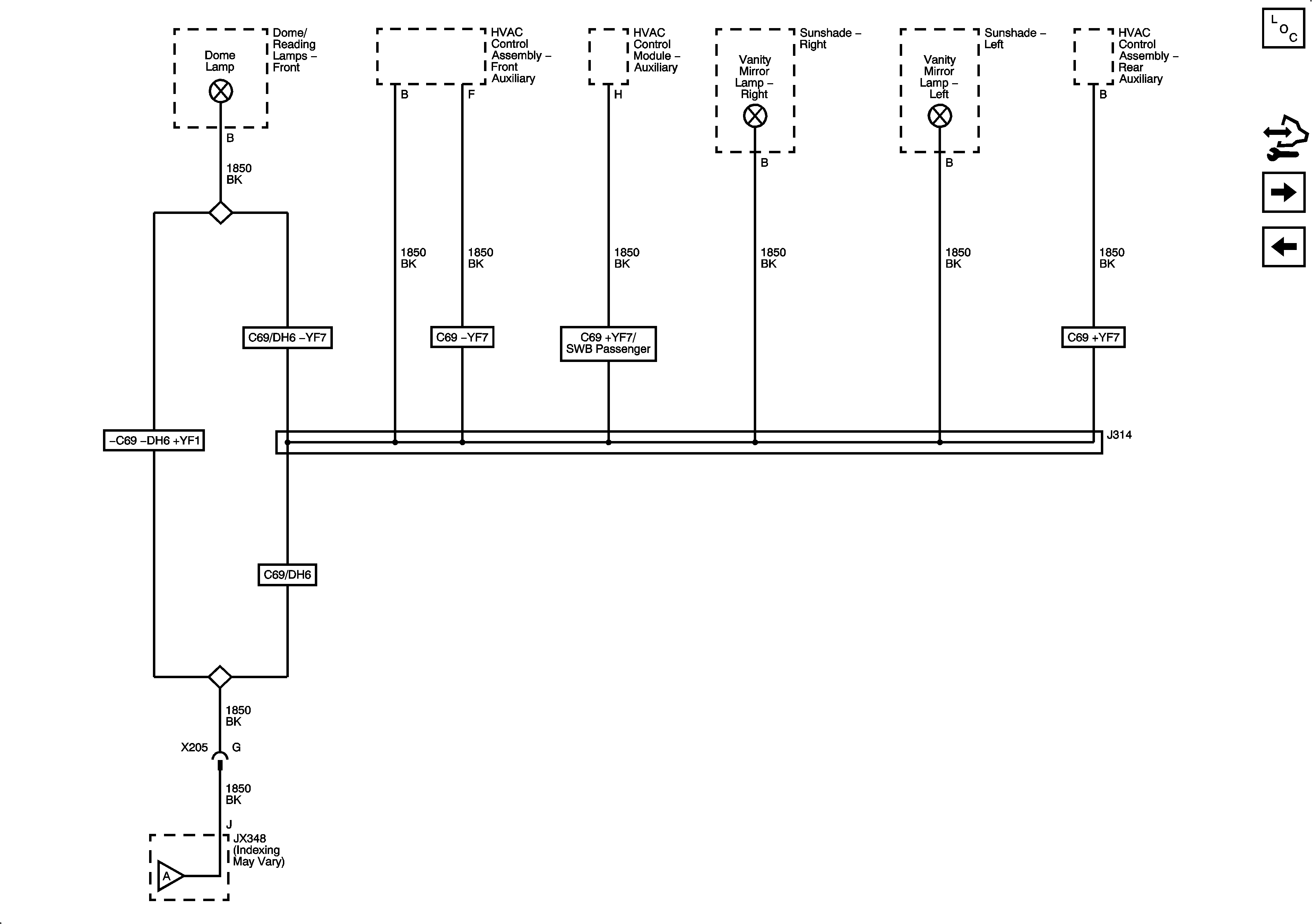
G348 2 of 2
G347
Figure 9:

G348 (2 of 2)


Object Number: 1884267  Size: FS
Master Electrical Component List
Control Module References
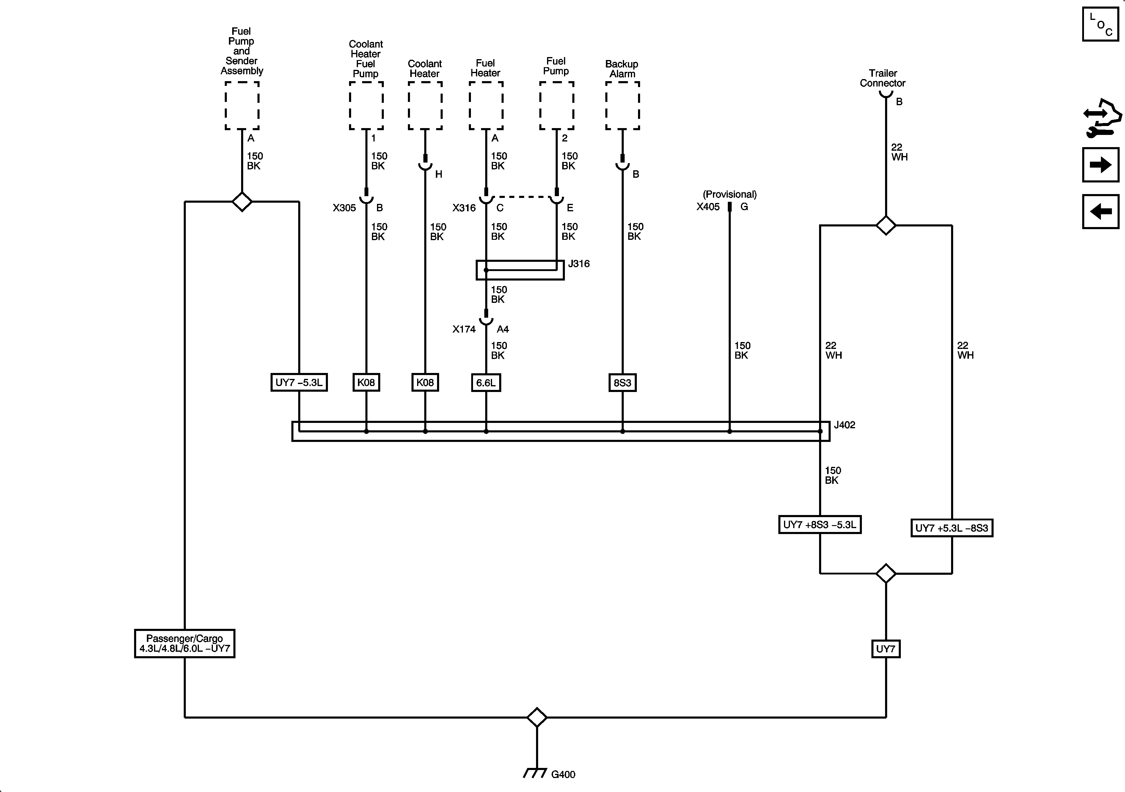
G400
G348 1 of 2
Figure 10:

G400


Object Number: 1884269  Size: FS
Master Electrical Component List
Control Module References
G401 Passenger/Cargo
G348 2 of 2
Figure 11:

G401 Passenger/Cargo


Object Number: 1884271  Size: FS
Master Electrical Component List
Control Module References
G402 Passenger/Cargo
G400
Figure 12:

G402 Passenger/Cargo


Object Number: 1884274  Size: FS
Master Electrical Component List
Control Module References
G403 PRP
G401 Passenger/Cargo
Figure 13:

G403 PRP


Object Number: 1929221  Size: FS
Master Electrical Component List
Control Module References
G402 Passenger/Cargo