GM Service Manual Online
For 1990-2009 cars only
Makes
🢒
Chevrolet
🢒
2008
🢒
Express
🢒
Power and Signal Distribution
🢒
Wiring Systems and Power Management
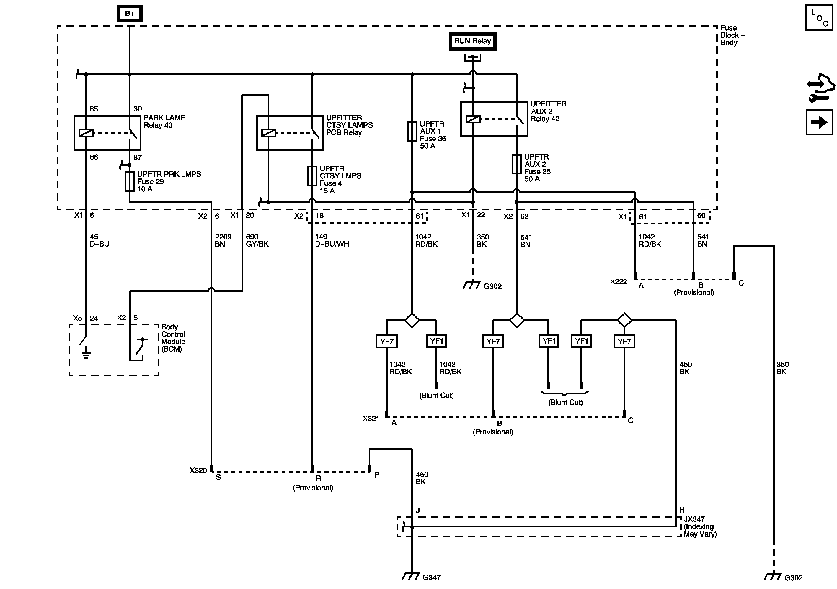
🢒 Upfitter Provision Schematics
Figure
1:
Power, Ground, and Relay Controls
Master Electrical Component List
Control Module References
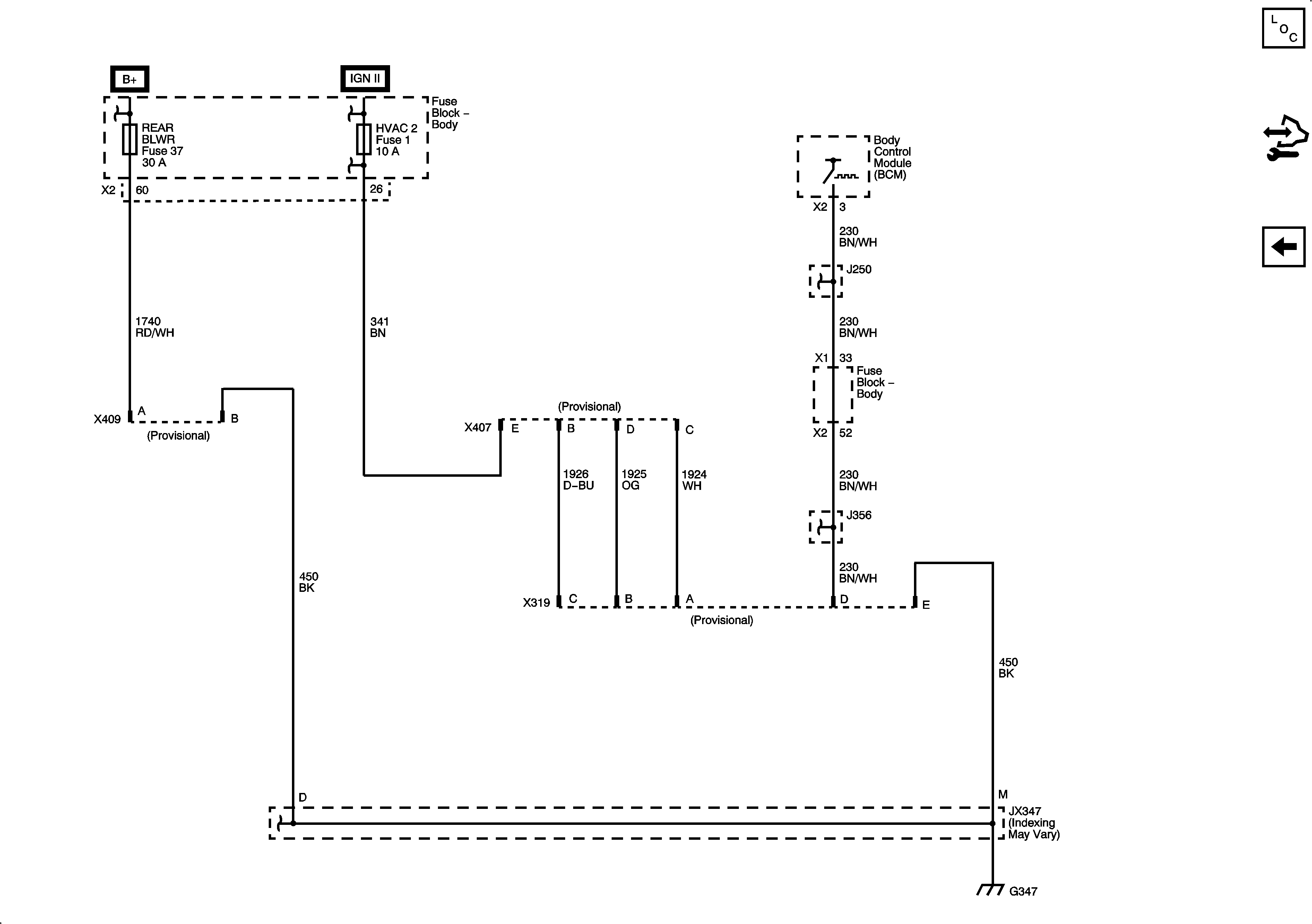
Rear Heat Auxiliary ENC
Figure
2:
Rear Heat Auxiliary ENC
Master Electrical Component List
Control Module References
Power, Ground and Relay Controls