GM Service Manual Online
For 1990-2009 cars only
Makes
🢒
Chevrolet
🢒
2008
🢒
Express
🢒
Safety and Security
🢒
Remote Functions
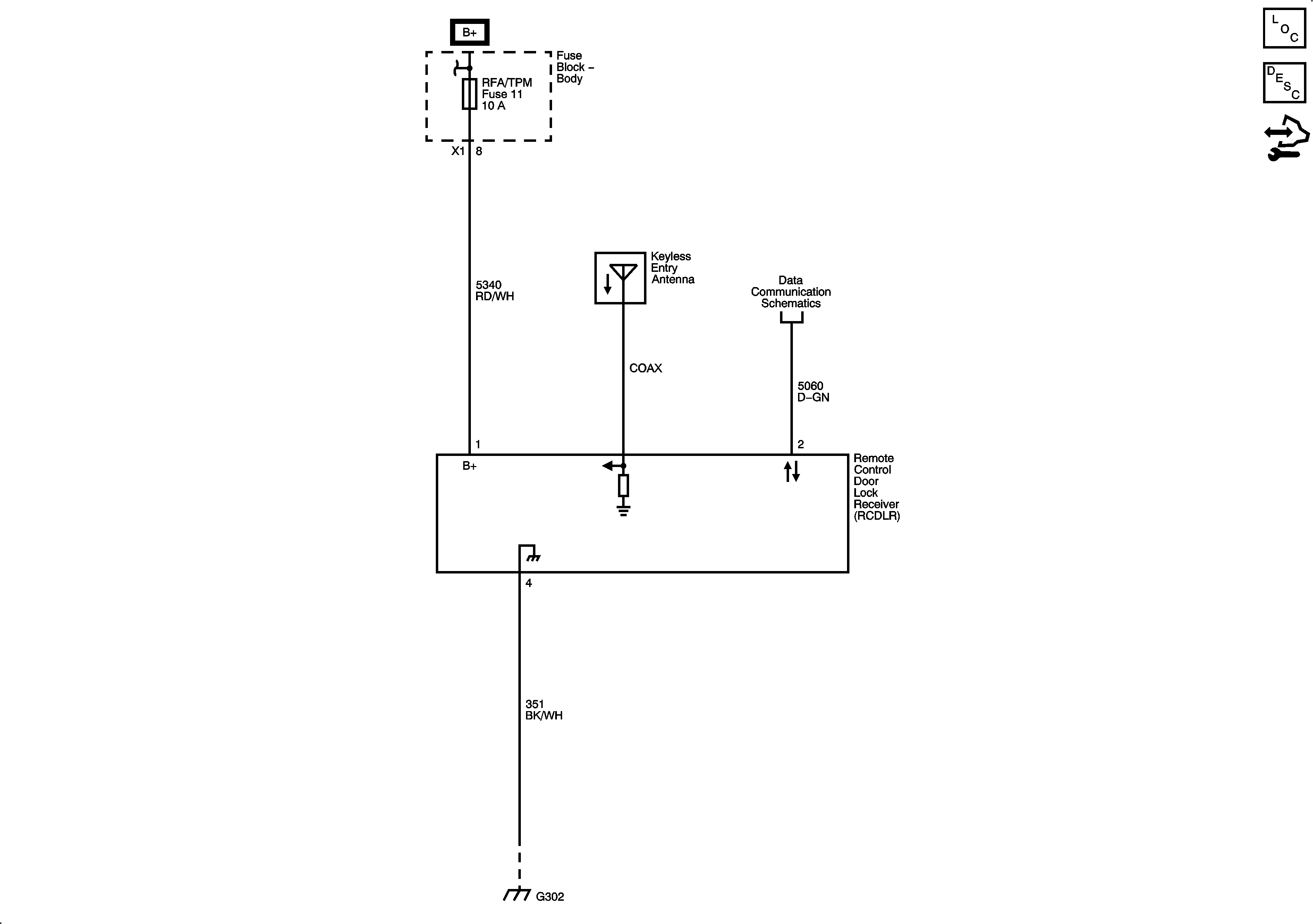
🢒 Remote Function Schematics
Master Electrical Component List
Keyless Entry System Description and Operation
Control Module References