GM Service Manual Online
For 1990-2009 cars only
Makes
🢒
Chevrolet
🢒
2008
🢒
Express
🢒
Safety and Security
🢒
Supplemental Inflatable Restraints
🢒 SIR Schematics
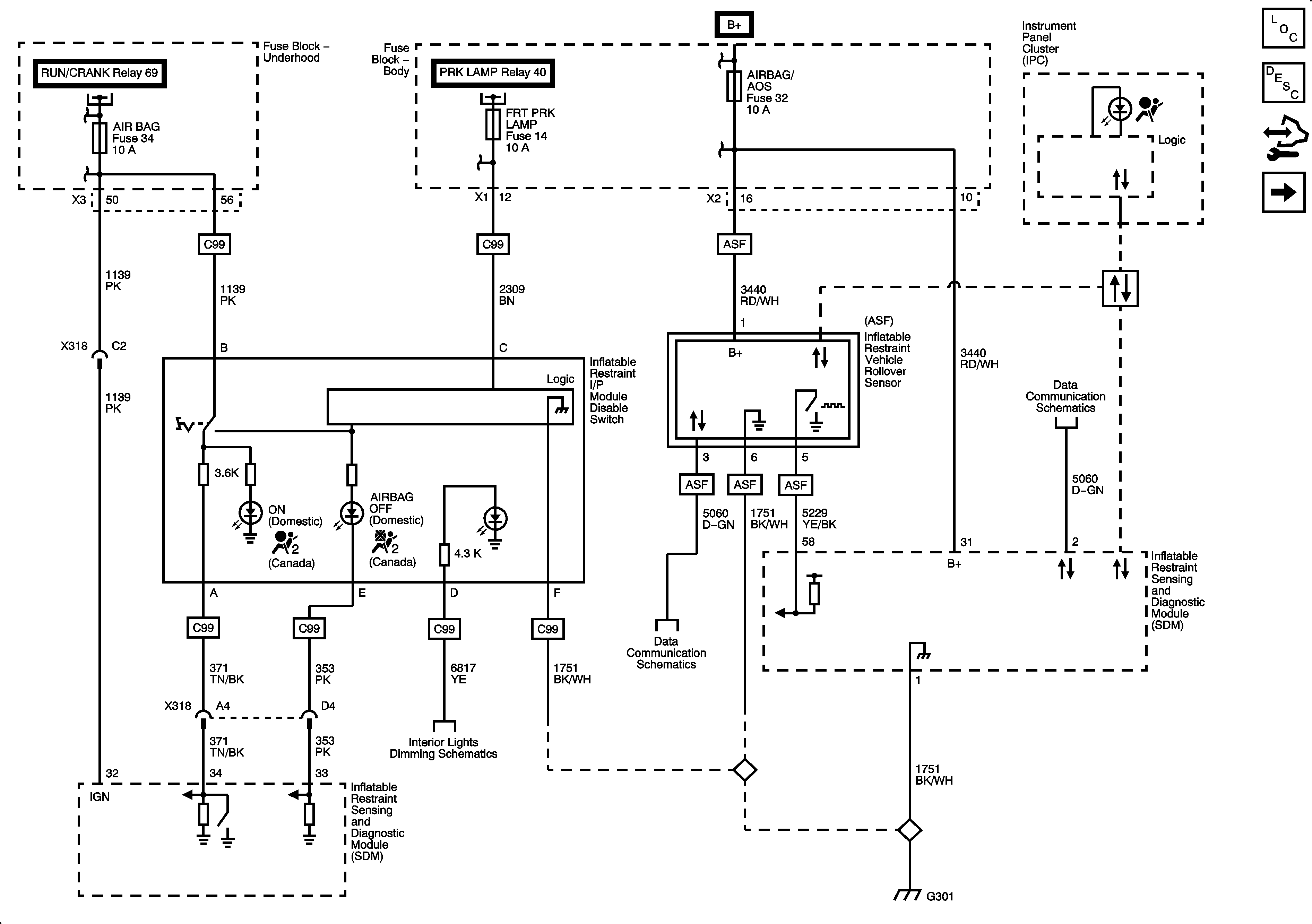
Figure
1:
Module Power, Ground, Serial Data, Vehicle Rollover Sensor (ASF) and Disable Switch
Master Electrical Component List
SIR System Description and Operation
Control Module References
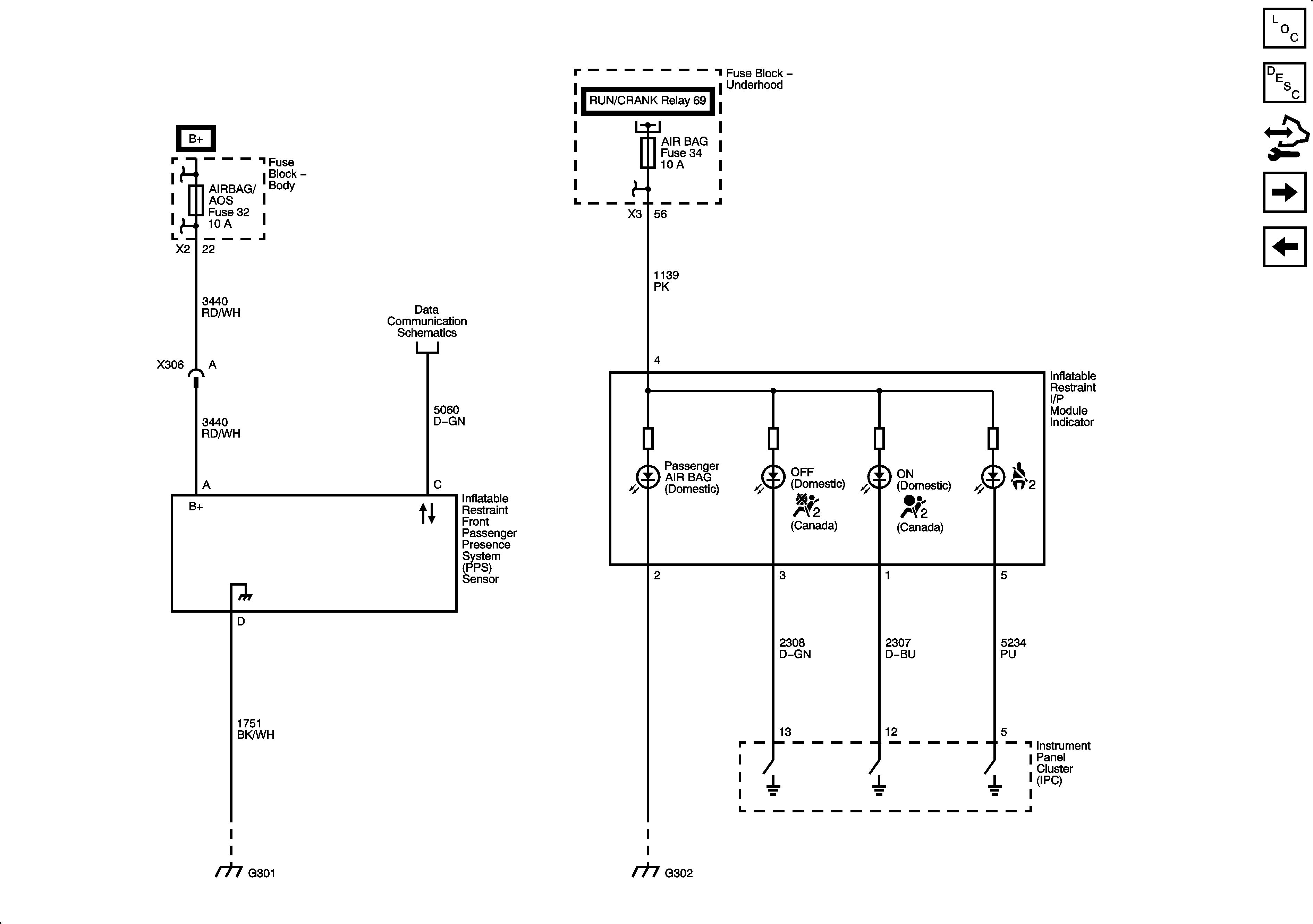
Driver and Passenger AIR BAG Modules
Figure
2:
Passenger Presence System Light Duty (without C99 without YF7)
Master Electrical Component List
SIR System Description and Operation
Control Module References
Inflatable Restraint Sensors
Driver and Passenger AIR BAG Modules
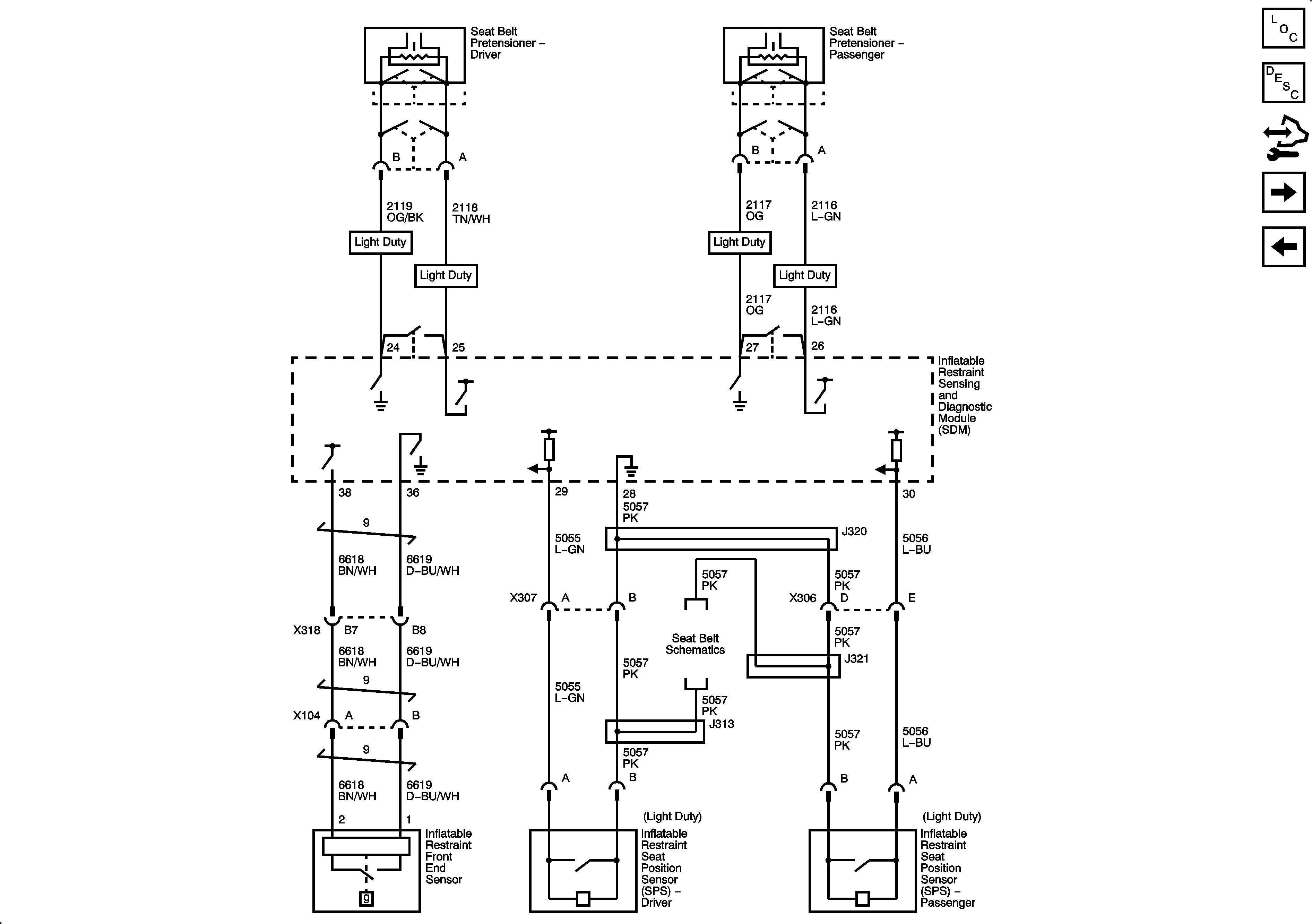
Figure
3:
Driver and Passenger AIR BAG Modules
Master Electrical Component List
SIR System Description and Operation
Control Module References
Passenger Presence System Light Duty (without C99 without YF7)
Module Power, Ground, Serial Data, Vehicle Rollover Sensor (ASF) and Disable Switch
Figure
4:
Inflatable Restraint Sensors
Master Electrical Component List
SIR System Description and Operation
Control Module References
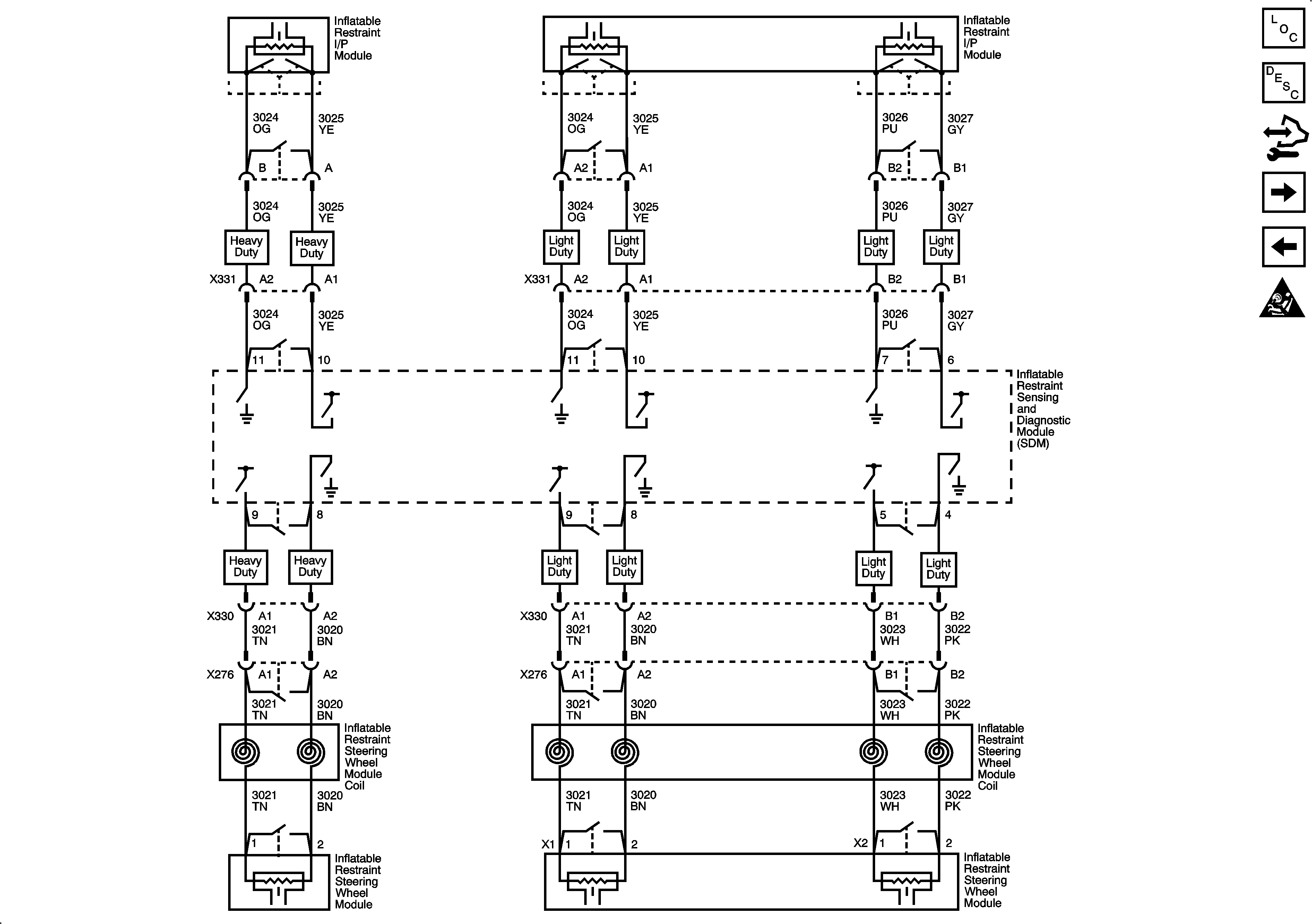
Inflatable Restraint Side Impact Sensors and Modules (ASF)
Passenger Presence System Light Duty (without C99 without YF7)
Figure
5:
Inflatable Restraint Side Impact Sensors and Modules (ASF)
Master Electrical Component List
SIR System Description and Operation
Control Module References
Inflatable Restraint Sensors