GM Service Manual Online
For 1990-2009 cars only
Figure 1:

Module Power, Ground, Serial Data and MIL


Object Number: 2080329  Size: FS
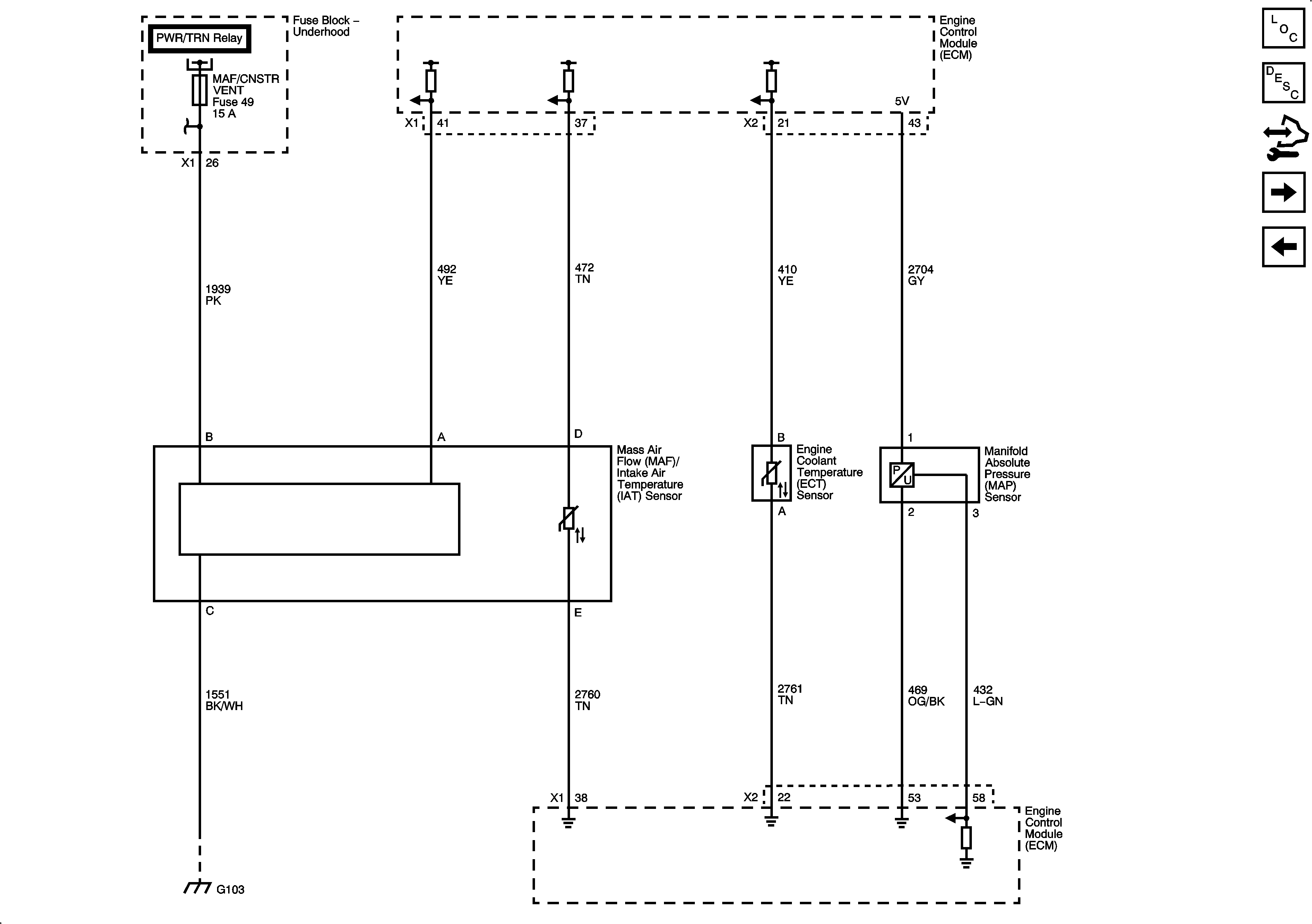
Figure 2:

Engine Data Sensors - 5-Volt and Low Reference


Object Number: 2080337  Size: FS
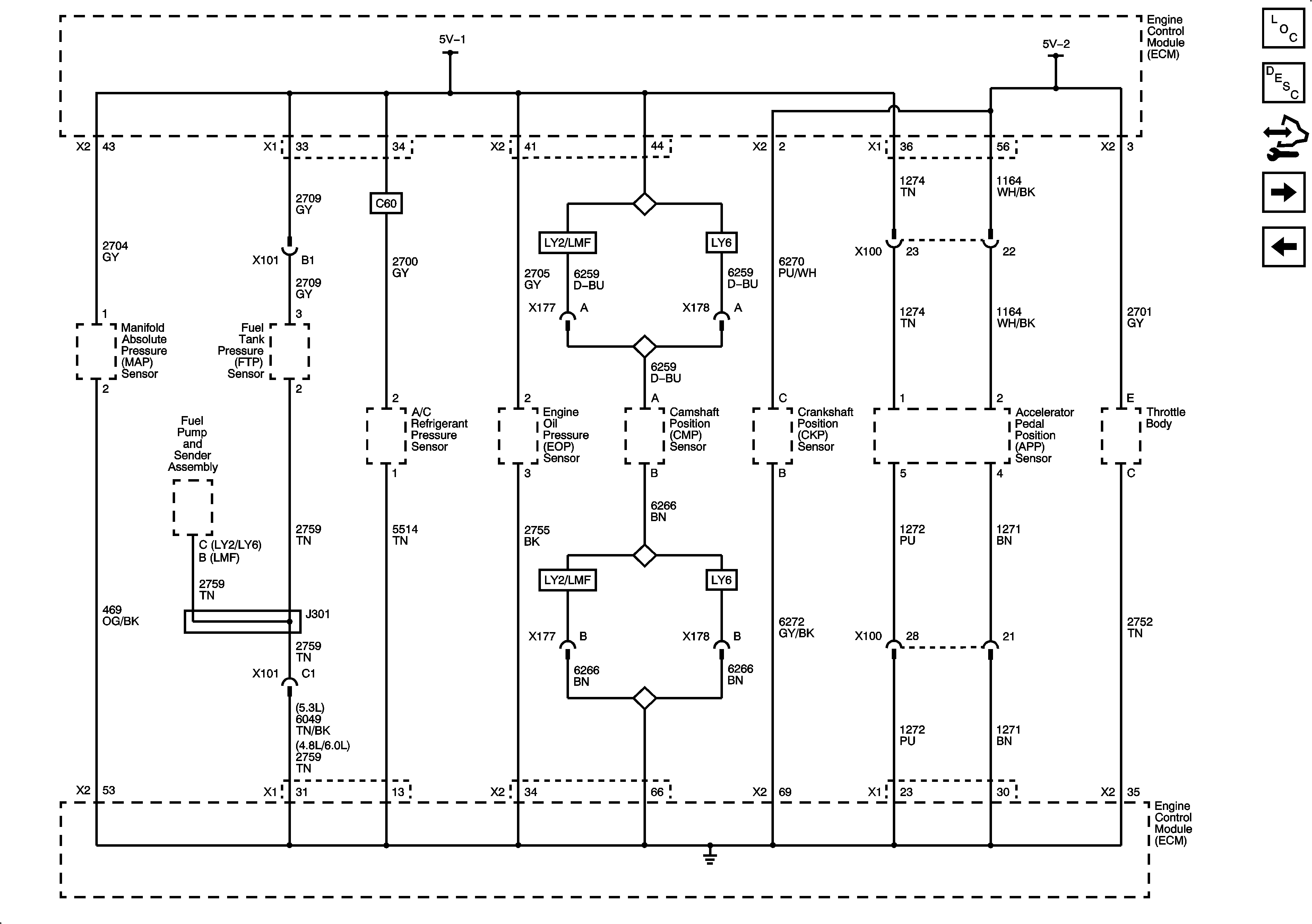
Figure 3:

Engine Data Sensors - Pressure, Temperature and Position


Object Number: 2080352  Size: FS
Figure 4:

Engine Data Sensors - Oxygen Sensors (1 of 2)


Object Number: 2080364  Size: FS
Figure 5:

Engine Data Sensors - Oxygen Sensors (2 of 2)


Object Number: 2080368  Size: FS
Figure 6:

Throttle Controls


Object Number: 2080377  Size: FS
Figure 7:

Bank 1 Ignition Coils


Object Number: 2080383  Size: FS
Figure 8:

Bank 2 Ignition Coils


Object Number: 2080389  Size: FS
Figure 9:

Ignition Controls - CKP, CMP and Knock Sensors


Object Number: 2080393  Size: FS
Figure 10:

Fuel Pump Flow Control Module 5.3L


Object Number: 2080397  Size: FS
Figure 11:

Fuel Controls - Fuel Pump Controls


Object Number: 2080402  Size: FS
Figure 12:

Fuel Controls - Fuel Injectors


Object Number: 2080409  Size: FS
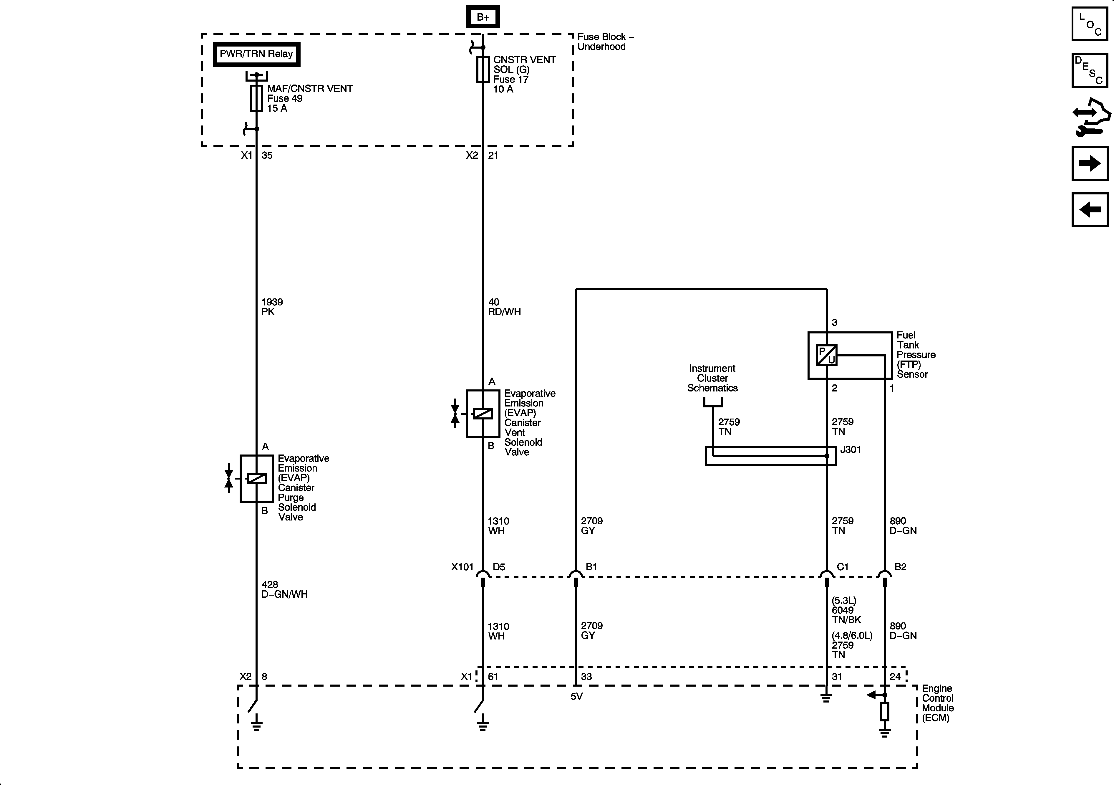
Figure 13:

Fuel Controls - EVAP and Device Controls


Object Number: 2080413  Size: FS
Figure 14:

Controlled/Monitored Subsystem and Transmission References


Object Number: 2080417  Size: FS