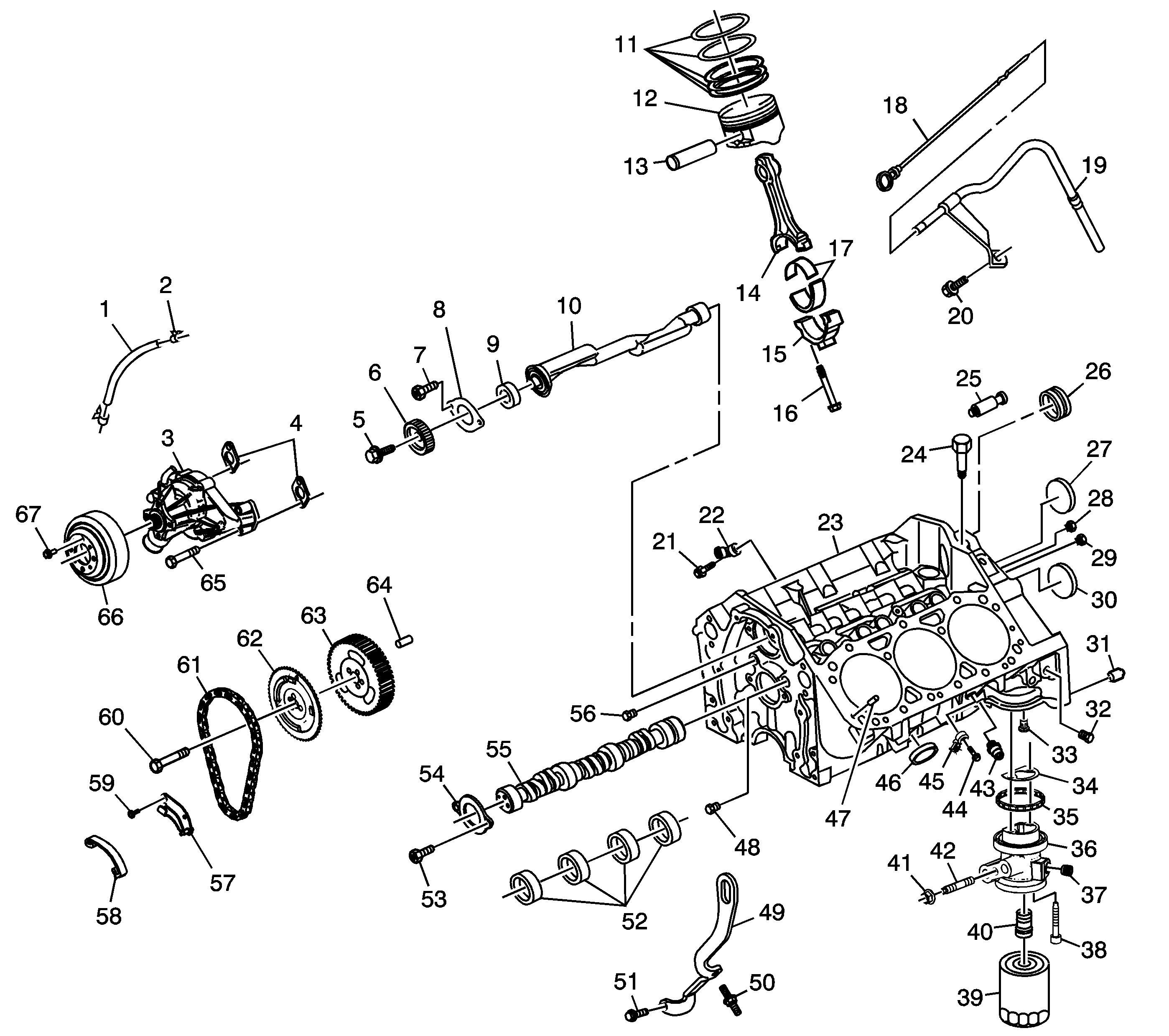
|
| (1) | Thermostat Bypass Hose |
| (2) | Thermostat Bypass Pipe Clamp |
| (3) | Water Pump |
| (4) | Water Pump Gasket |
| (5) | Balance Shaft Gear Bolt |
| (6) | Balancer Shaft Driven Gear |
| (7) | Balance Shaft Retainer Bolt |
| (8) | Balancer Shaft Retainer |
| (9) | Balancer Shaft Front Bearing |
| (10) | Balance Shaft |
| (11) | Piston Ring Set |
| (12) | Piston |
| (13) | Piston Pin |
| (14) | Connecting Rod |
| (15) | Connecting Rod Bearing Cap |
| (16) | Connecting Rod Bolt |
| (17) | Connecting Rod Bearing |
| (18) | Oil Level Indicator |
| (19) | Oil Level Indicator Tube |
| (20) | Oil Level Indicator Tube Bolt |
| (21) | Knock Sensor Bolt |
| (22) | Knock Sensor |
| (23) | Engine Block |
| (24) | Engine Oil Pressure Indicator Switch Fitting |
| (25) | Engine Oil Pressure Indicator Switch |
| (26) | Balancer Shaft Rear Bearing |
| (27) | Engine Block Coolant Hole Plug |
| (28) | Engine Block Oil Gallery Plug |
| (29) | Engine Block Oil Gallery Plug |
| (30) | Engine Block Oil Gallery Plug |
| (31) | Transmission Locating Pin |
| (32) | Engine Block Oil Gallery Plug |
| (33) | Oil Filter Bypass Valve |
| (34) | Engine Oil Filter Adapter Gasket |
| (35) | Engine Oil Filter Adapter Seal |
| (36) | Engine Oil Filter Adapter |
| (37) | Engine Oil Filter Adapter Plug |
| (38) | Engine Oil Filter Adapter Bolt |
| (39) | Oil Filter |
| (40) | Oil Pressure Relief Valve Spring Seat Pin |
| (41) | Engine Oil Filter Adapter Nut |
| (42) | Engine Oil Filter Adapter Stud |
| (43) | Block Heater |
| (44) | Knock Sensor Bolt |
| (45) | Knock Sensor |
| (46) | Engine Block Coolant Hole Plug |
| (47) | Cylinder Head Location Pin |
| (48) | Engine Block Oil Gallery Plug |
| (49) | Engine Lift Front Bracket |
| (50) | Engine Lift Front Bracket Stud |
| (51) | Engine Lift Front Bracket Bolt |
| (52) | Camshaft Bearing |
| (53) | Camshaft Thrust Bearing Bolt |
| (54) | Camshaft Thrust Plate |
| (55) | Camshaft |
| (56) | Engine Block Oil Gallery Plug |
| (57) | Timing Chain Tensioner Bracket |
| (58) | Timing Chain Tensioner Shoe |
| (59) | Timing Chain Tensioner Bolt |
| (60) | Camshaft Sprocket Bolt |
| (61) | Timing Chain |
| (62) | Camshaft Sprocket |
| (63) | Balancer Shaft Drive Gear |
| (64) | Camshaft Sprocket Location Pin |
| (65) | Water Pump Bolt |
| (66) | Water Pump Pulley |
| (67) | Water Pump Pulley Bolt |