GM Service Manual Online
For 1990-2009 cars only
Figure 1:

Module Power, Ground and Serial Data


Object Number: 2079979  Size: FS
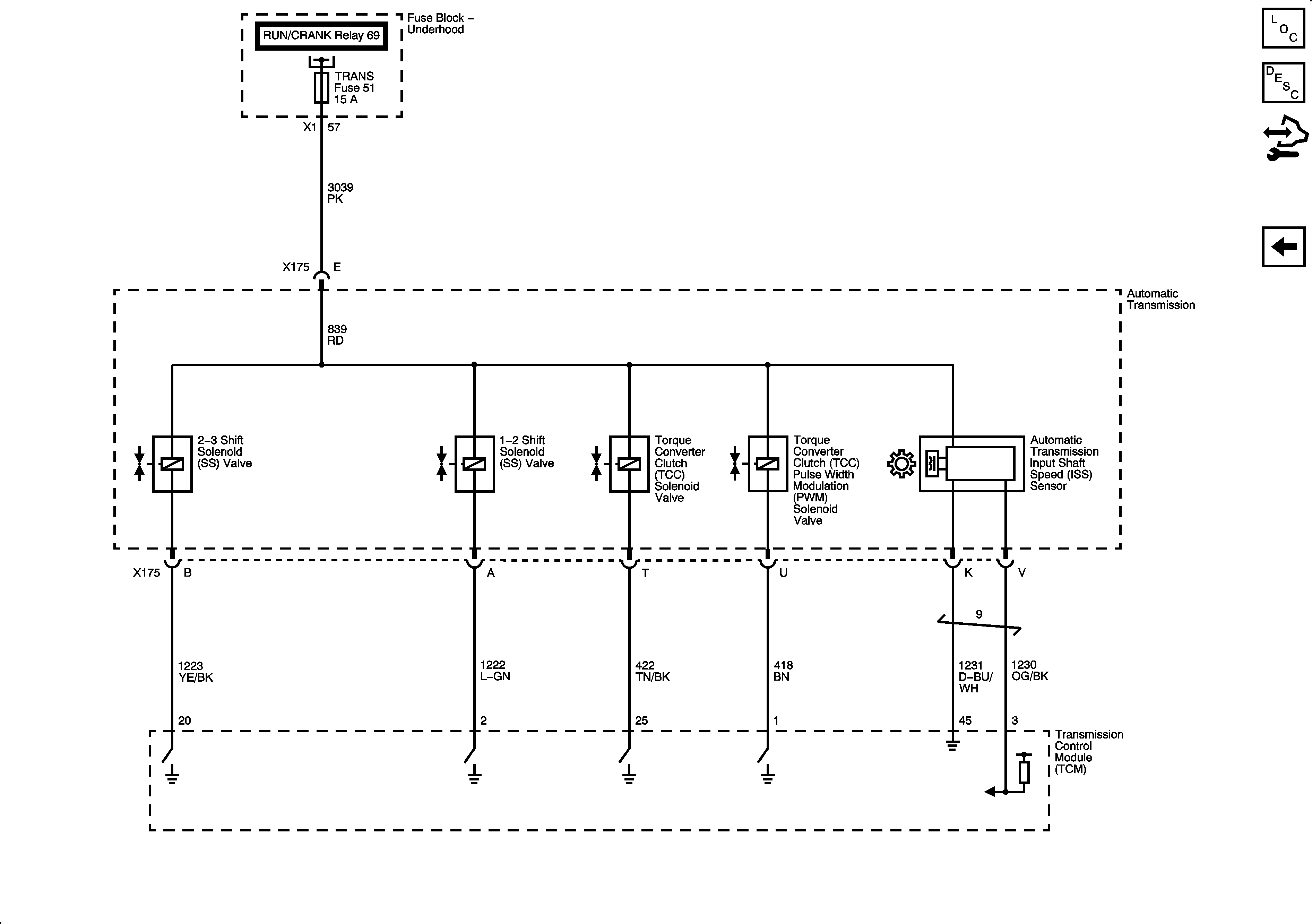
Figure 2:

Pressure and Temperature Controls


Object Number: 2079986  Size: FS
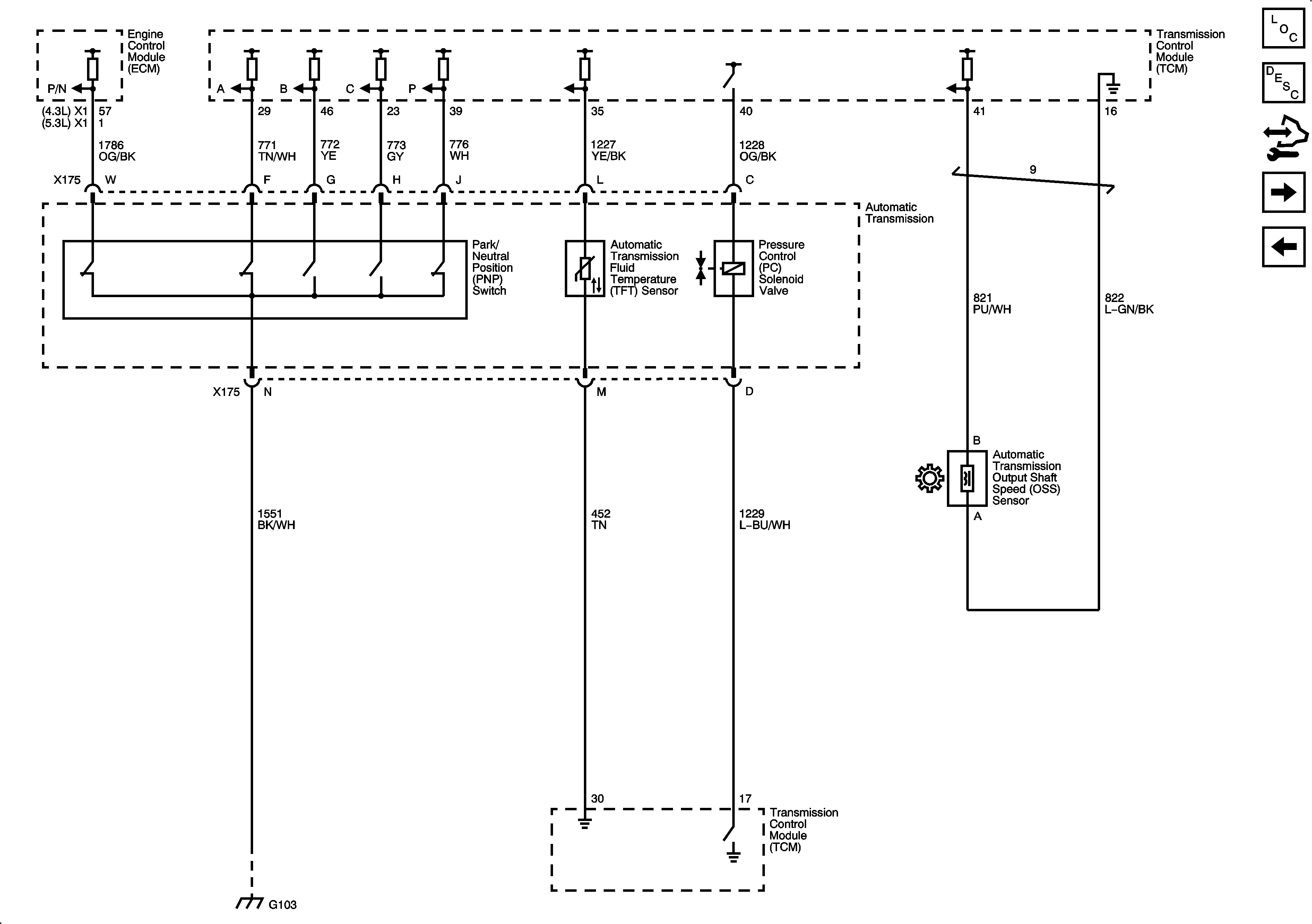
Figure 3:

PNP Signals, VSS Signal and Tow Haul Signal


Object Number: 2079993  Size: FS
Figure 4:

Shift Controls


Object Number: 2080018  Size: FS