GM Service Manual Online
For 1990-2009 cars only
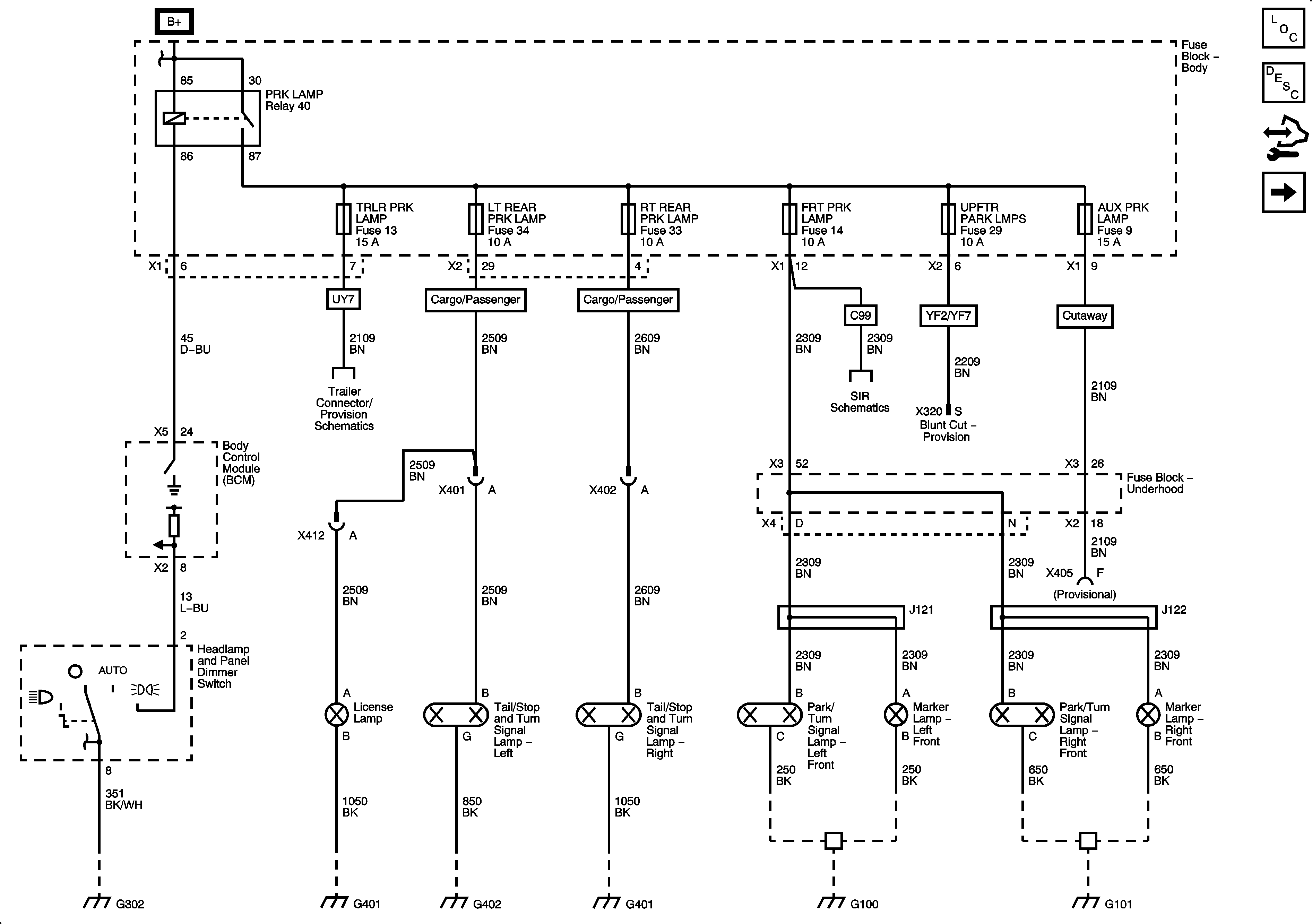
Figure 1:

Park Lamp Controls and Park Lamps


Object Number: 2080481  Size: FS
Figure 2:

Turn Signal Controls and Front Turn Signal Lamps


Object Number: 2080485  Size: FS
Figure 3:

Rear Stop/Turn Signal Lamps


Object Number: 2080486  Size: FS
Figure 4:

Stop Lamp Controls and CHMSL


Object Number: 2080487  Size: FS
Figure 5:

Backup Lamps and Backup Alarm


Object Number: 2080488  Size: FS